GM Service Manual Online
For 1990-2009 cars only
Makes
🢒
Cadillac
🢒
2004
🢒
Escalade - 2WD
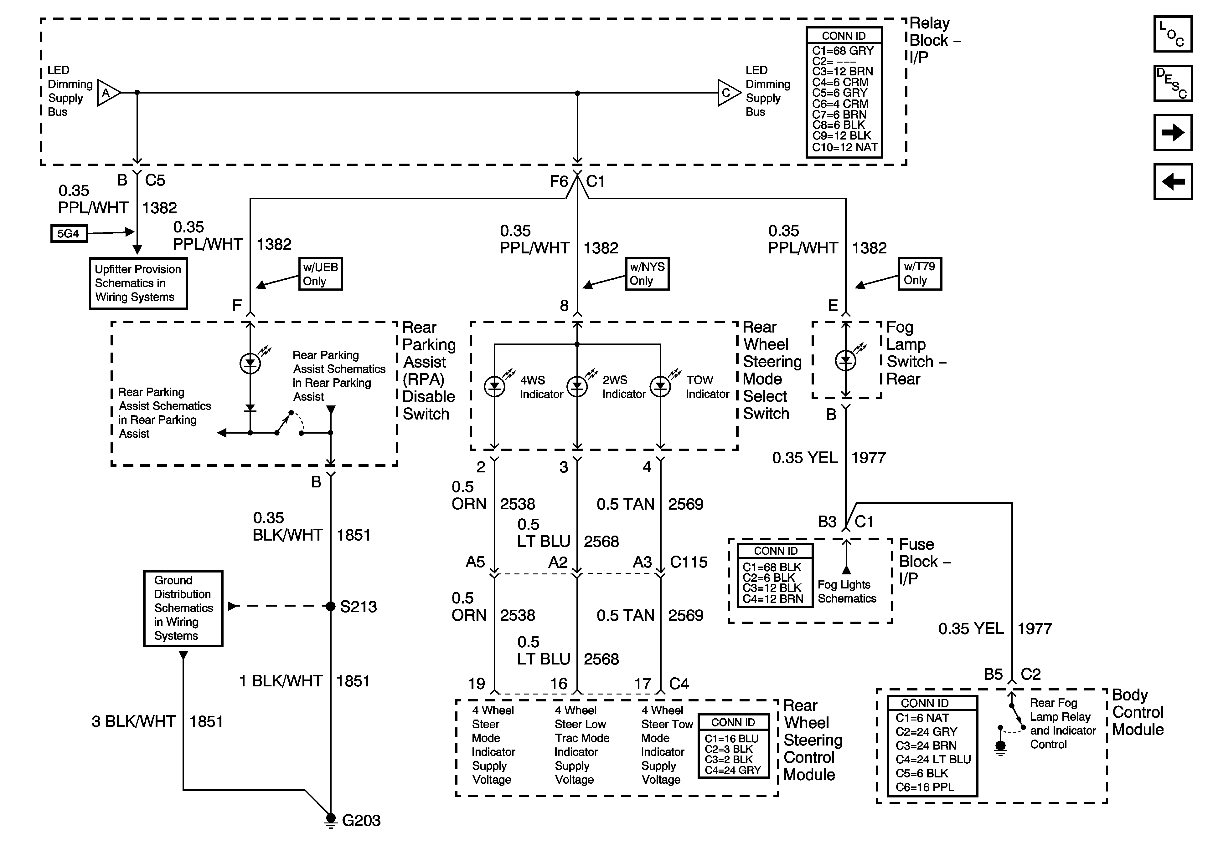
🢒 LED Dimming Supply Voltage - 1 of 2
LED Dimming Supply Voltage - 1 of 2
LED Dimming Supply Voltage - 1 of 2
Master Electrical Component List
Interior Lighting Systems Description and Operation
LED Dimming Supply Voltage - 2 of 2
Interior Lights and LED Dimming Control
Interior Lights and LED Dimming Control
Roof Beacon Wiring
LED Dimming Supply Voltage - 2 of 2
Rear - Export Only
Rear Object Sensor Control Module, RPA Display, RPA Disable Switch
Rear Object Sensor Control Module, RPA Display, RPA Disable Switch
G203 - 1 of 3