GM Service Manual Online
For 1990-2009 cars only
Makes
🢒
Cadillac
🢒
2004
🢒
Escalade - 2WD
🢒 Interior Park
Interior Park
Interior Park
Master Electrical Component List
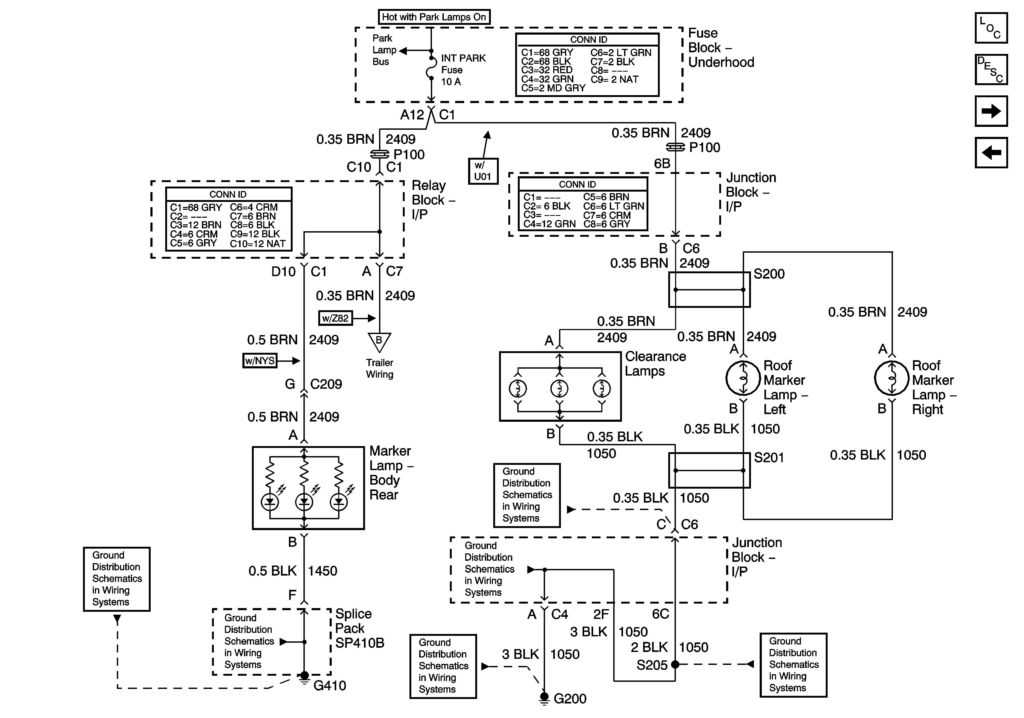
Exterior Lighting Systems Description and Operation
Right Rear Park Lamps
Front Park Lamps - Export
Park Lamp Relay - Domestic
Trailer Wiring
G410 - 1 of 3
G410 - 1 of 3
G200 - 1 of 3
G200 - 1 of 3
G200 - 1 of 3
G200 - 2 of 3