GM Service Manual Online
For 1990-2009 cars only
Makes
🢒
Cadillac
🢒
2004
🢒
Escalade - 2WD
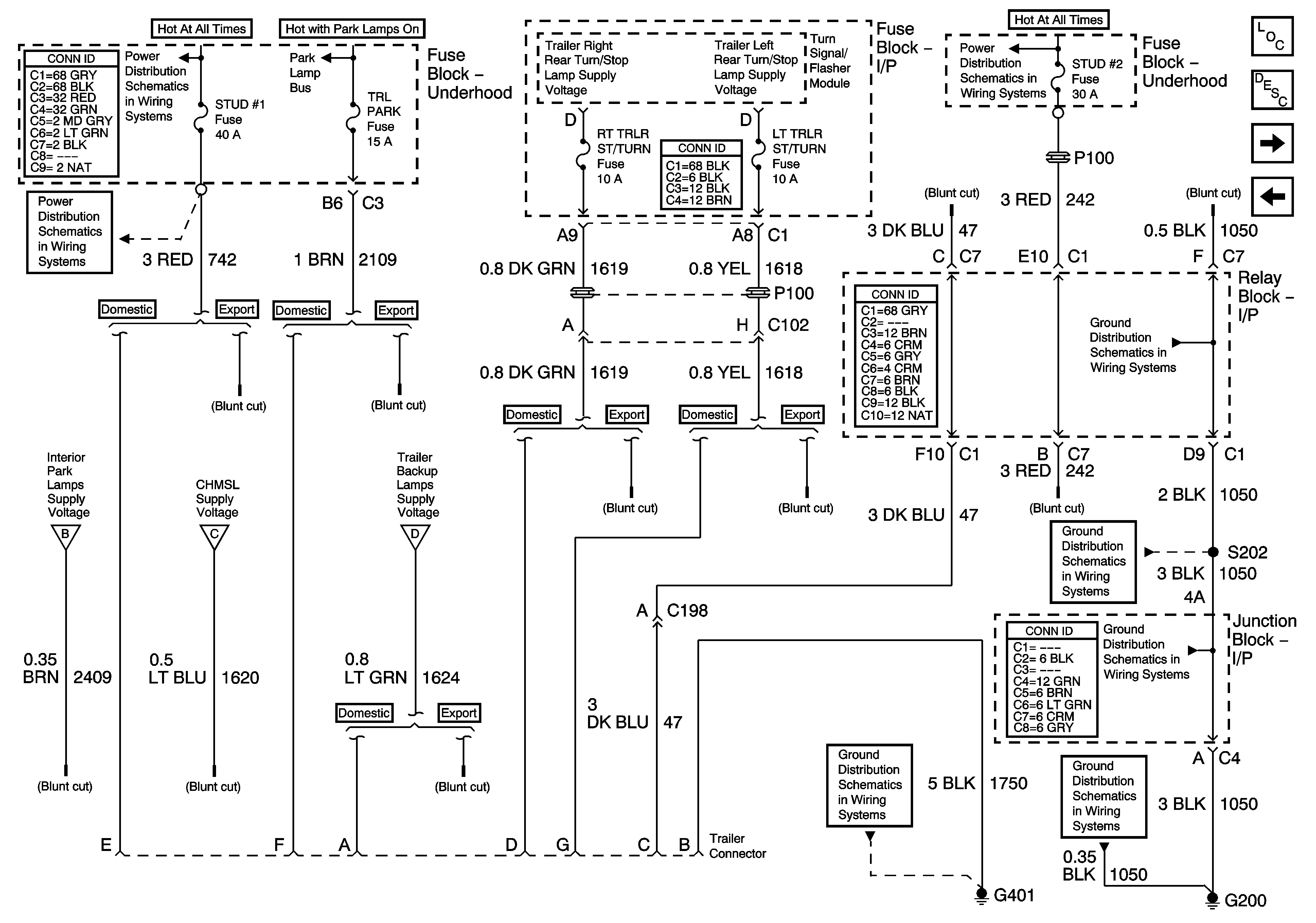
🢒 Trailer Wiring
Trailer Wiring
Trailer Wiring
Master Electrical Component List
Exterior Lighting Systems Description and Operation
Backup Lamps
Exterior Illumination Lamps
B+ Bus - 1 of 2
B+ Bus - 2 of 2
B+ Bus - 1 of 2
ABS, VSES/ECAS, STUD #1, STUD #2, TBC BATT Fuses
Interior Park
Stop Lamps - 1 of 2
Backup Lamps
G200 - 3 of 3
Figure 1
Figure 1
Figure 1
Figure 1