GM Service Manual Online
For 1990-2009 cars only
Makes
🢒
Cadillac
🢒
2004
🢒
Escalade - 2WD
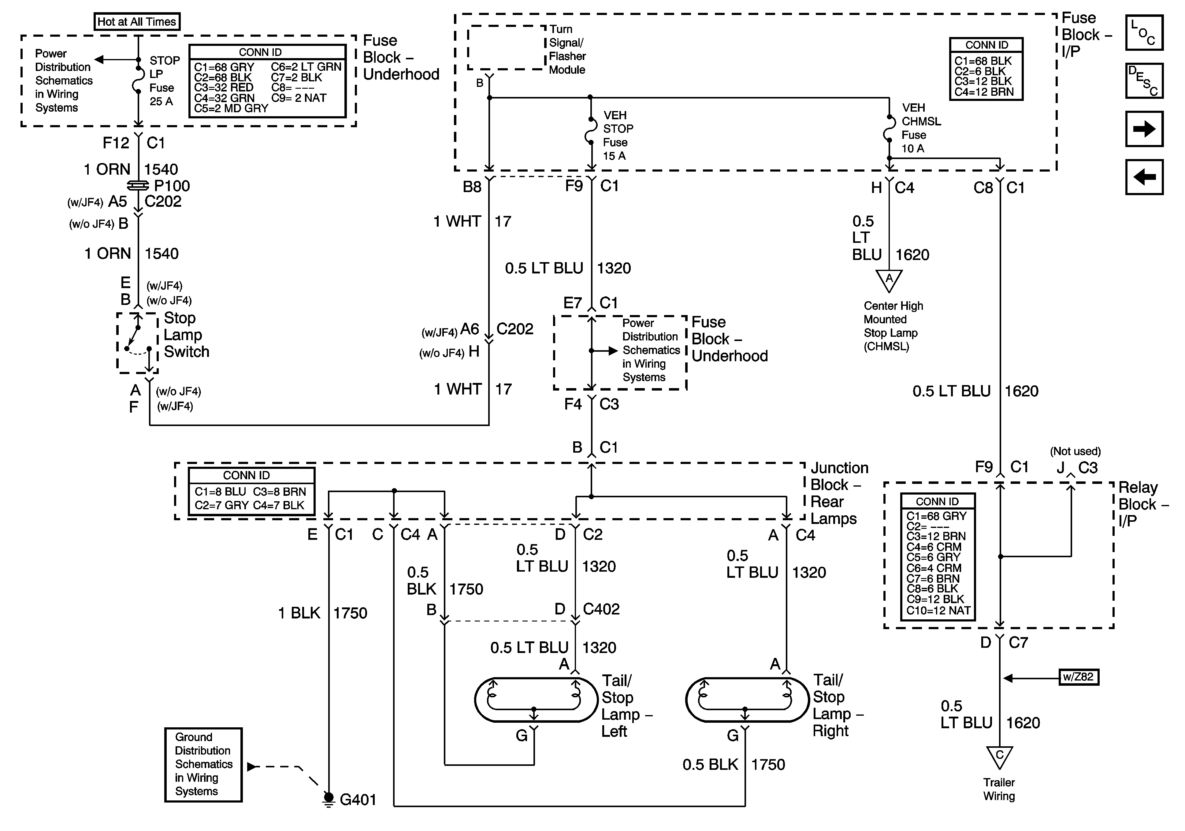
🢒 Stop Lamps - 1 of 2
Stop Lamps - 1 of 2
Stop Lamps - 1 of 2
Master Electrical Component List
Exterior Lighting Systems Description and Operation
Stop Lamps - 2 of 2
Left Rear Park Lamps
B+ Bus - 1 of 2
VEH CHMSL, VEH STOP, LT TRLR ST/TRN, RT TRLR ST/TRN Fuses
Stop Lamps - 2 of 2
G401, G402
Trailer Wiring