GM Service Manual Online
For 1990-2009 cars only
Makes
🢒
Cadillac
🢒
2004
🢒
Escalade - 2WD
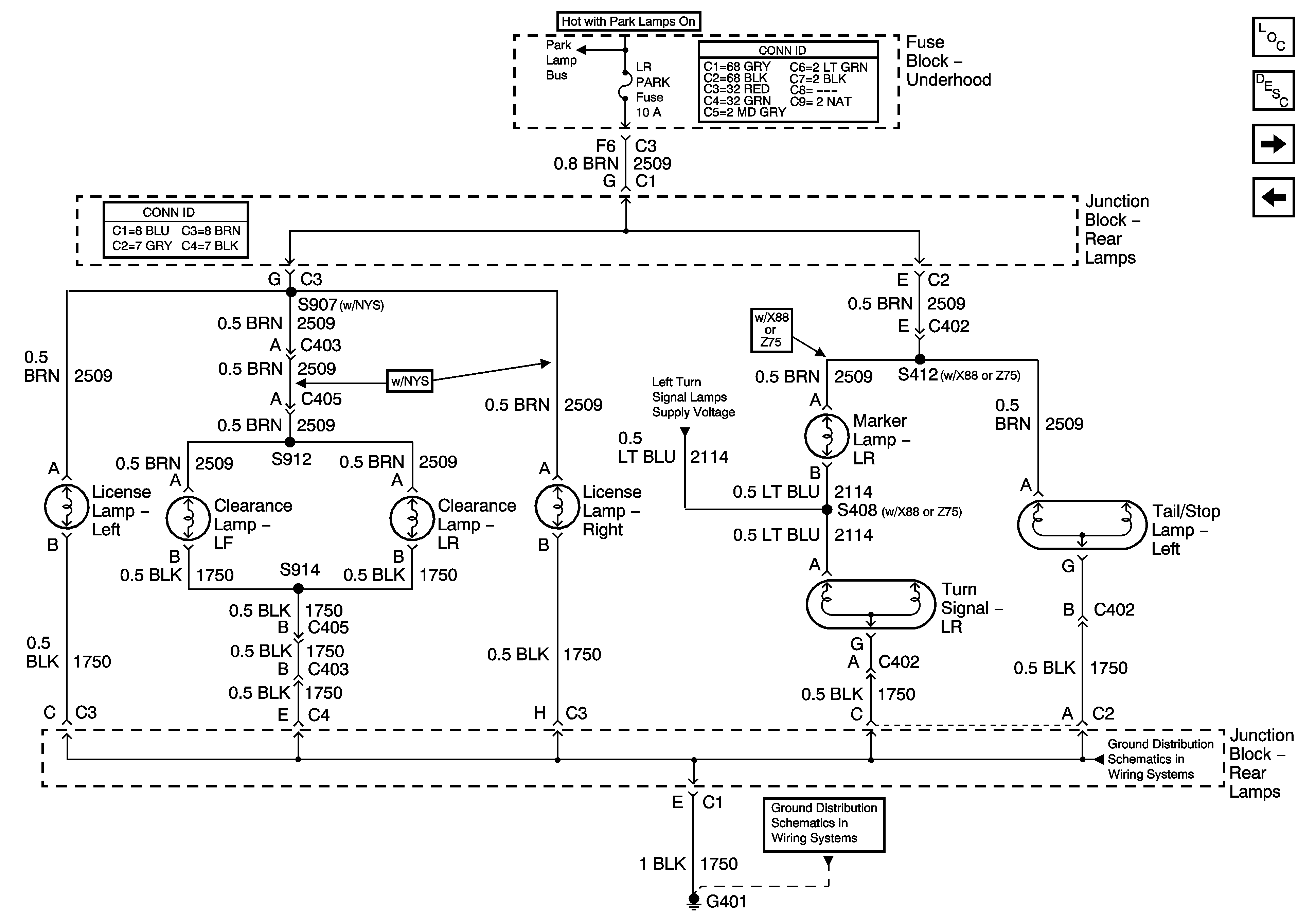
🢒 Left Rear Park Lamps
Left Rear Park Lamps
Left Rear Park Lamps
Master Electrical Component List
Exterior Lighting Systems Description and Operation
Stop Lamps - 1 of 2
Right Rear Park Lamps
Park Lamp Relay - Domestic
G401, G402
G401, G402