GM Service Manual Online
For 1990-2009 cars only
Makes
🢒
Cadillac
🢒
2005
🢒
Escalade - 2WD
🢒
Engine
🢒
Engine Cooling
🢒 Engine Cooling Schematics
Figure
1:
Engine Coolant Level Switch -- 2500 Series
Master Electrical Component List
Cooling System Description and Operation
Control Module References
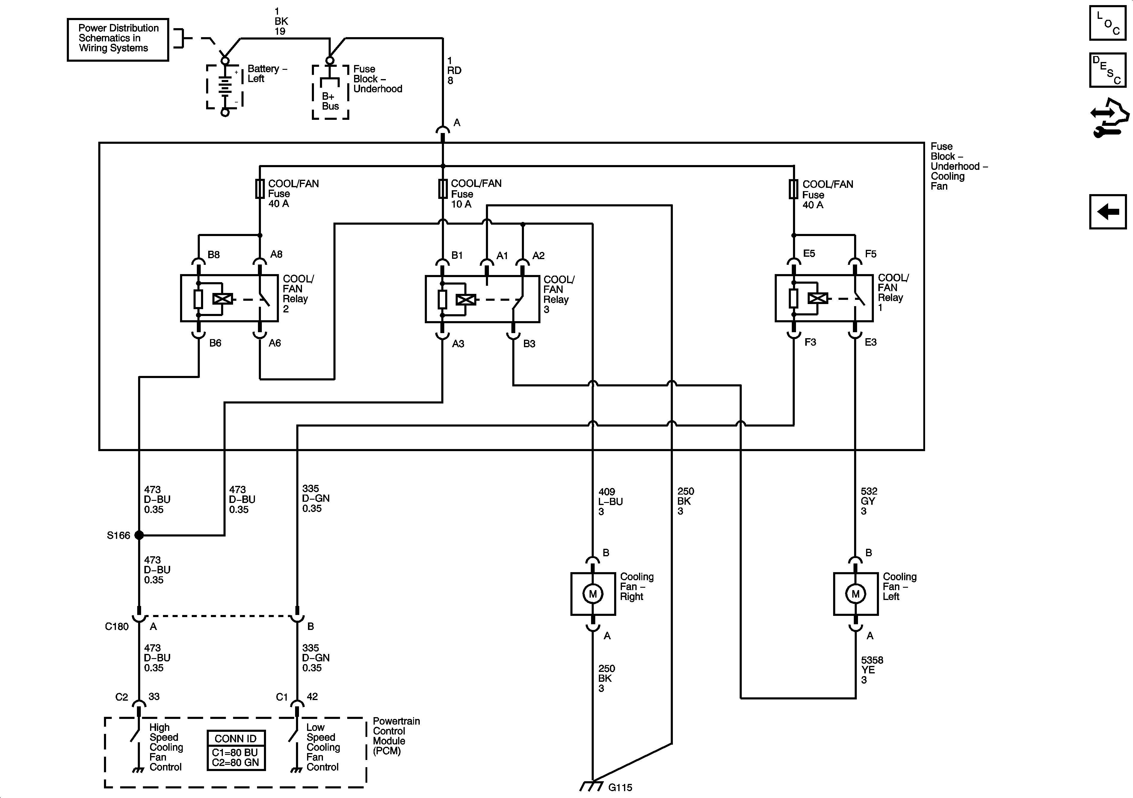
Fan Controls - Except L18
Power, Ground, DLC, and Splice Pack SP205
G104 and G107
Figure
2:
Fan Controls -- 1500 Series
Master Electrical Component List
Cooling System Description and Operation
Control Module References
Engine Coolant Level Switch - L18
B+ Bus - 1 of 2