GM Service Manual Online
For 1990-2009 cars only
Makes
🢒
Cadillac
🢒
2005
🢒
Escalade - 2WD
🢒 Charging (except L18 or NYS)
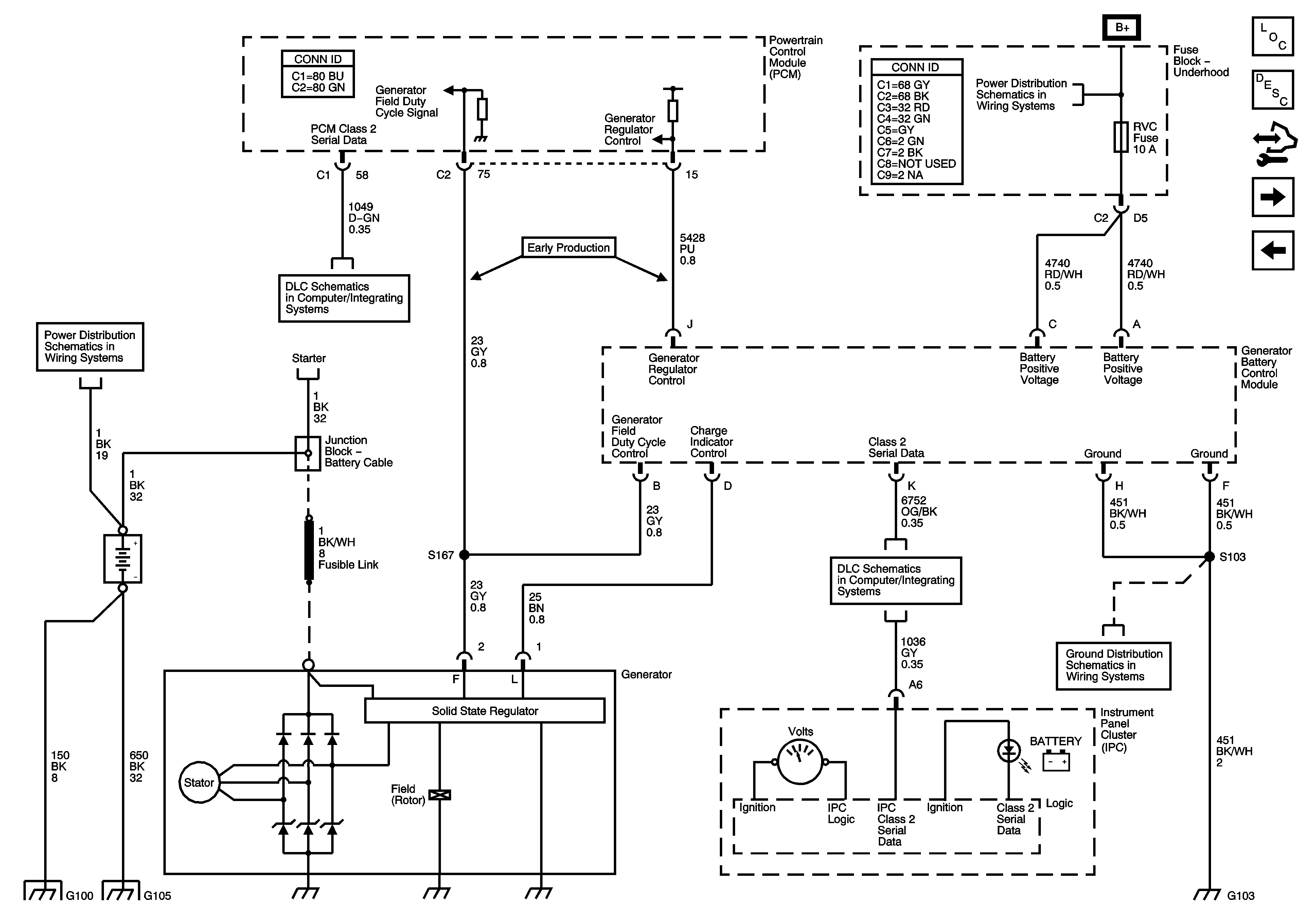
Charging (except L18 or NYS)
Charging - 1500 Series
Master Electrical Component List
Charging System Description and Operation (Generator/Battery Control Module)
Control Module References
Charging (L18 or NYS)
Starting
B+ Bus - 1 of 2
Starting
Power, Ground, DLC, and Splice Pack SP205
B+ Bus - 1 of 2
G102 and G103
Power, Ground, DLC, and Splice Pack SP205
B+ Bus - 1 of 2
G100 and G105 - 1 of 4