GM Service Manual Online
For 1990-2009 cars only
Makes
🢒
Cadillac
🢒
2005
🢒
Escalade - 2WD
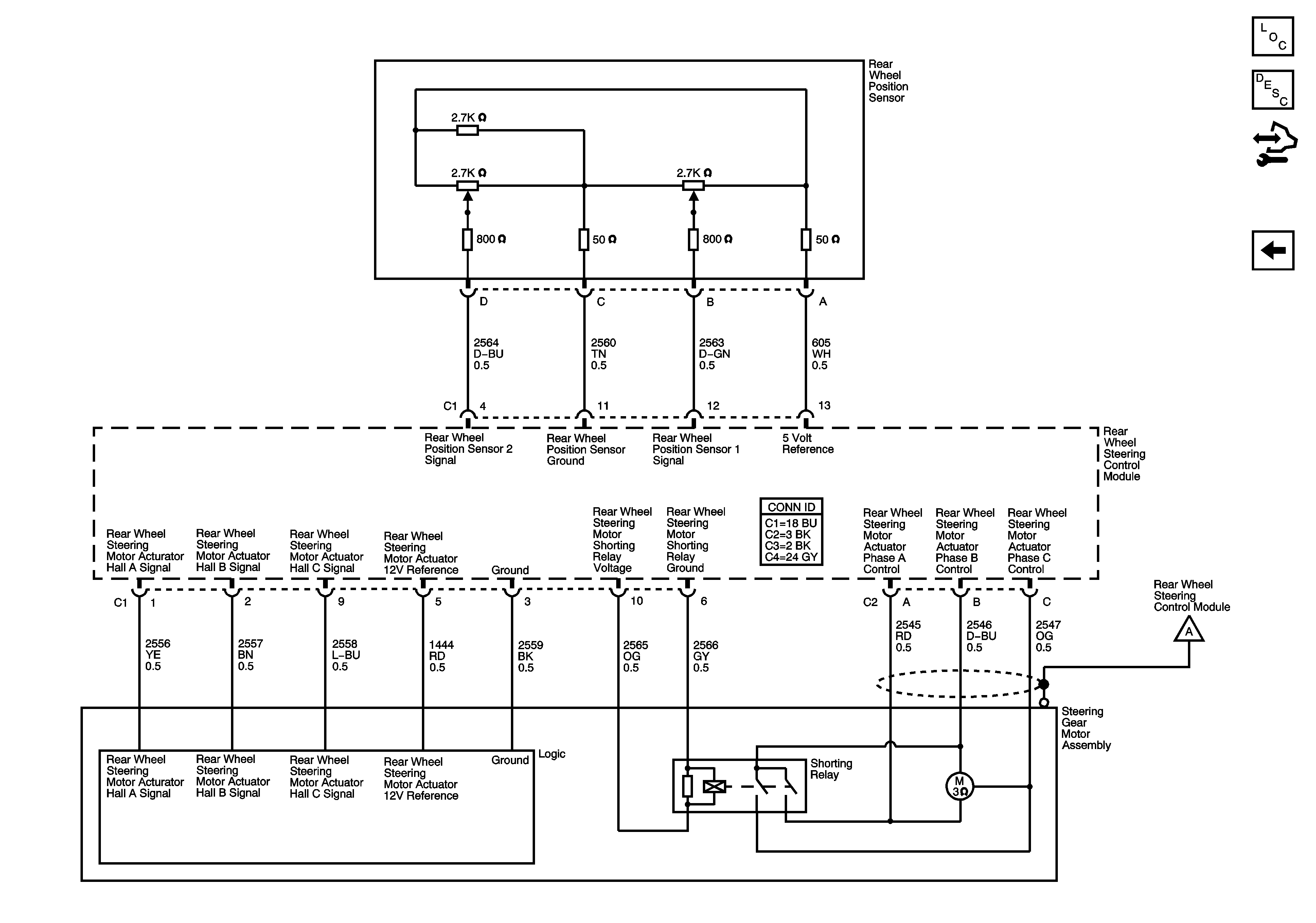
🢒 Rear Wheel Steering System
Rear Wheel Steering System
Rear Wheel Steering System
Master Electrical Component List
Rear Wheel Steering Description and Operation
Control Module References
Steering Wheel Speed/Position Sensor
Module - Power, Ground, Serial Data, and Vehicle Speed