GM Service Manual Online
For 1990-2009 cars only
Figure 1:

Power, Ground, Serial Data, and Front Blower Controls


Object Number: 1607796  Size: FS
Master Electrical Component List
Air Delivery Description and Operation
Control Module References
Mode and Recirc Controls, Front Defrost and Rear Defog Controls
Ignition Switch - ACCY/RUN/START, RUN, and START Busses, IGN A and CRANK Fuses
Mode and Recirc Controls, Front Defrost and Rear Defog Controls
B+ Bus - 1 of 2
Power, Ground, DLC and Splice Pack SP205
G200 2 of 3
G200 1 of 3
G203 1 of 3
Figure 2:

Mode and Recirculation Controls, Front Defrost and Rear Defog Controls


Object Number: 1607800  Size: FS
Master Electrical Component List
Air Delivery Description and Operation
Control Module References
Temperature Controls and Sunload Sensors
Power, Ground, Serial Data, and Front Blower Controls
Power, Ground, DLC and Splice Pack SP205
Power, Ground, Serial Data, and Front Blower Controls
Temperature Controls and Sunload Sensors
Temperature Controls and Sunload Sensors
Figure 3:

Temperature Controls and Sunload Sensors


Object Number: 1607805  Size: FS
Master Electrical Component List
Air Temperature Description and Operation
Control Module References
Front Air Temperature Sensors
Mode and Recirc Controls, Front Defrost and Rear Defog Controls
Mode and Recirc Controls, Front Defrost and Rear Defog Controls
Mode and Recirc Controls, Front Defrost and Rear Defog Controls
Mode and Recirc Controls, Front Defrost and Rear Defog Controls
Power, Ground, DLC and Splice Pack SP205
Headlights/DRL Controls
Mode and Recirc Controls, Front Defrost and Rear Defog Controls
Mode and Recirc Controls, Front Defrost and Rear Defog Controls
Figure 4:

Air Temperature Sensors


Object Number: 1607808  Size: FS
Master Electrical Component List
Air Temperature Description and Operation
Control Module References
Auxiliary HVAC Controls, Long Wheelbase - 1 of 2
Temperature Controls and Sunload Sensors
G200 3 of 3
G200 3 of 3
G200 3 of 3
Figure 5:

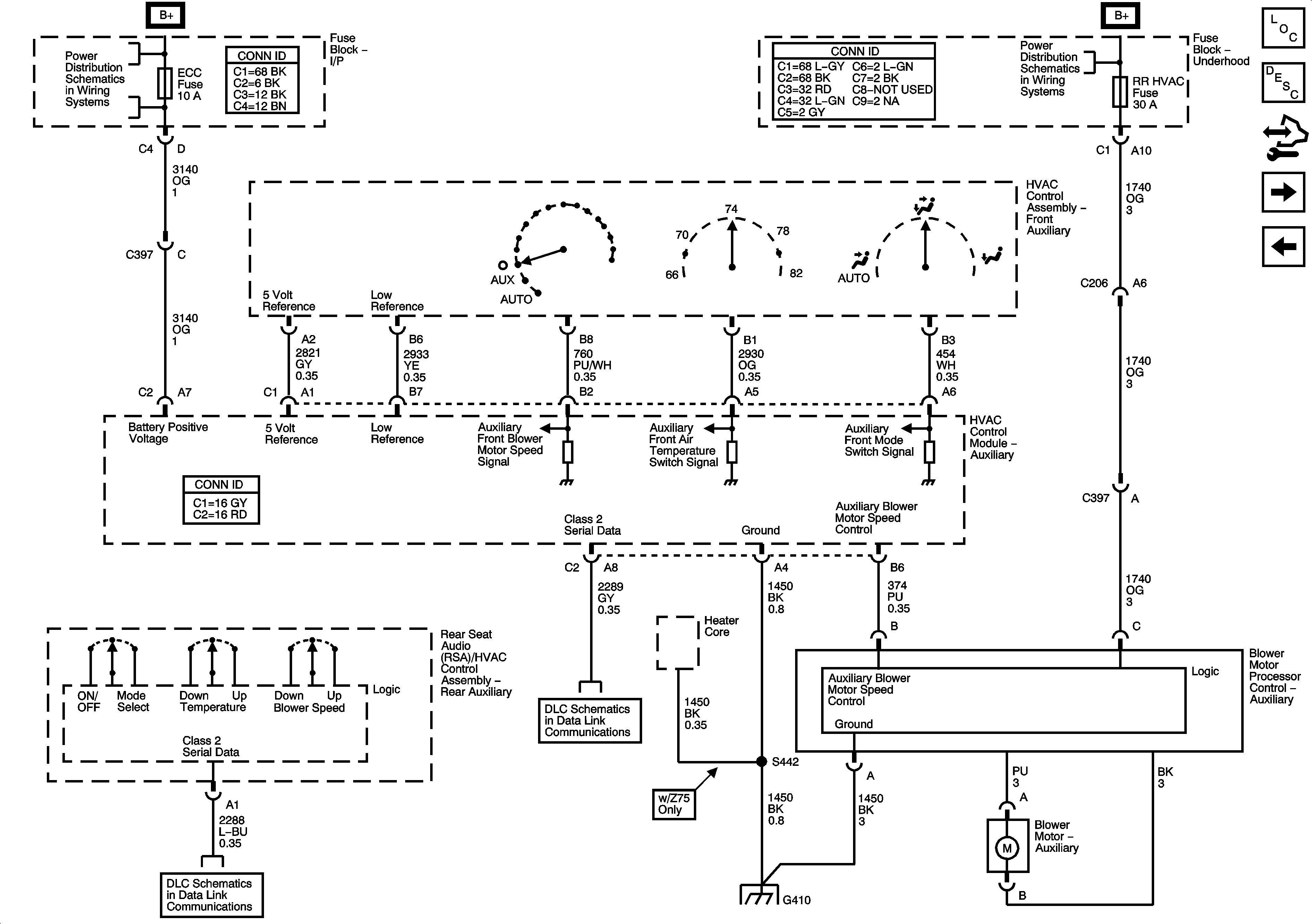
Auxiliary HVAC Controls - Power, Ground, Serial Data, and Auxiliary Blower Control


Object Number: 1607810  Size: FS
Master Electrical Component List
Air Delivery Description and Operation
Control Module References
Auxiliary HVAC Controls, Long Wheelbase - 2 of 2
Front Air Temperature Sensors
AUX PWR, AUX PWR 2, DDM, ECC, LBEC 2, LOCKS, PCM B, and PDM Fuses
B+ Bus - 1 of 2
G410 3 of 3 Auxiliary HVAC, Short Wheelbase
DLC SP206
Power, Outside Air Temp, and Light Sensors
Figure 6:

Auxiliary HVAC Controls - Mode and Air Temperature Controls


Object Number: 1607811  Size: FS
Master Electrical Component List
Air Temperature Description and Operation
Control Module References
Auxiliary HVAC Controls, Short Wheelbase - 1 of 2
Auxiliary HVAC Controls, Long Wheelbase - 1 of 2
Ignition Switch - ACCY/RUN/START, RUN, and START Busses, IGN A and CRANK Fuses
IGN 3 Fuse - 1 of 2
DLC SP206
Figure 7:

Auxiliary HVAC Controls, Short Wheelbase 1 of 2


Object Number: 1607816  Size: FS
Master Electrical Component List
Air Delivery Description and Operation
Control Module References
Auxiliary HVAC Controls, Short Wheelbase - 2 of 2
Auxiliary HVAC Controls, Long Wheelbase - 2 of 2
AUX PWR, AUX PWR 2, DDM, ECC, LBEC 2, LOCKS, PCM B, and PDM Fuses
B+ Bus - 1 of 2
Roof Beacon Wiring - 5G4
DLC SP206
SP207
Figure 8:

Auxiliary HVAC Controls, Short Wheelbase 2 of 2


Object Number: 1607817  Size: FS
Master Electrical Component List
Air Temperature Description and Operation
Control Module References
Auxiliary Temperature Sensors
Auxiliary HVAC Controls, Short Wheelbase - 1 of 2
Ignition Switch - ACCY/RUN/START, RUN, and START Busses, IGN A and CRANK Fuses
IGN 3 Fuse - 1 of 2
DLC SP206
Figure 9:

Auxiliary HVAC Controls - Air Temperature Sensors


Object Number: 1607819  Size: FS
Master Electrical Component List
Master Electrical Component List
Air Temperature Description and Operation
Control Module References
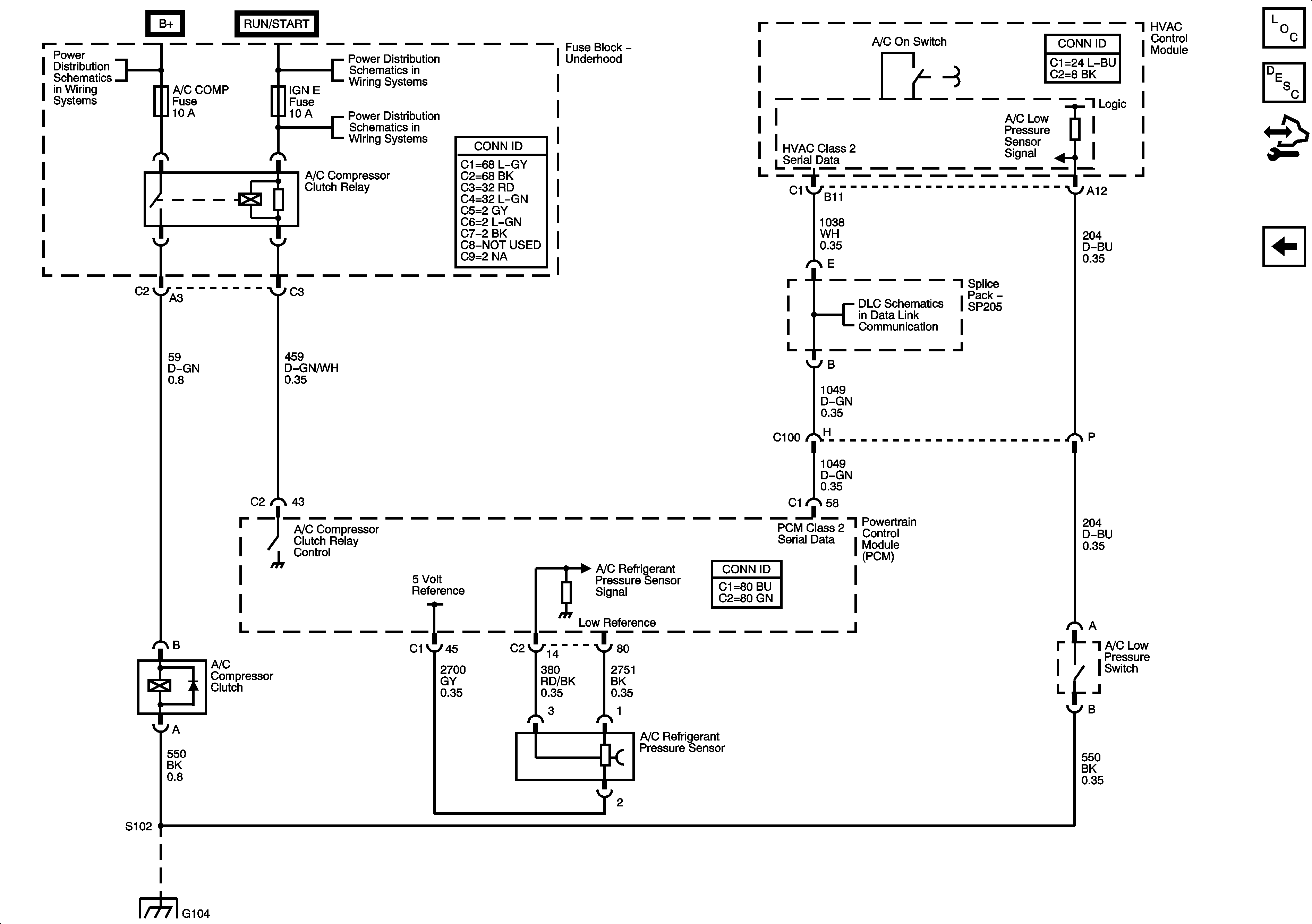
A/C Compressor Controls
Auxiliary HVAC Controls, Short Wheelbase - 2 of 2
G200 3 of 3
Figure 10:

A/C Compressor Controls


Object Number: 1607823  Size: FS
Master Electrical Component List
Air Temperature Description and Operation
Control Module References
Auxiliary Temperature Sensors
B+ Bus - 1 of 2
Ignition Switch - ACCY/RUN, and RUN/START Busses, and IGN B Fuses
AIRBAG and IGN E Fuses
Power, Ground, DLC and Splice Pack SP205
G104 and G107