GM Service Manual Online
For 1990-2009 cars only
Makes
🢒
Cadillac
🢒
2006
🢒
Escalade - 2WD
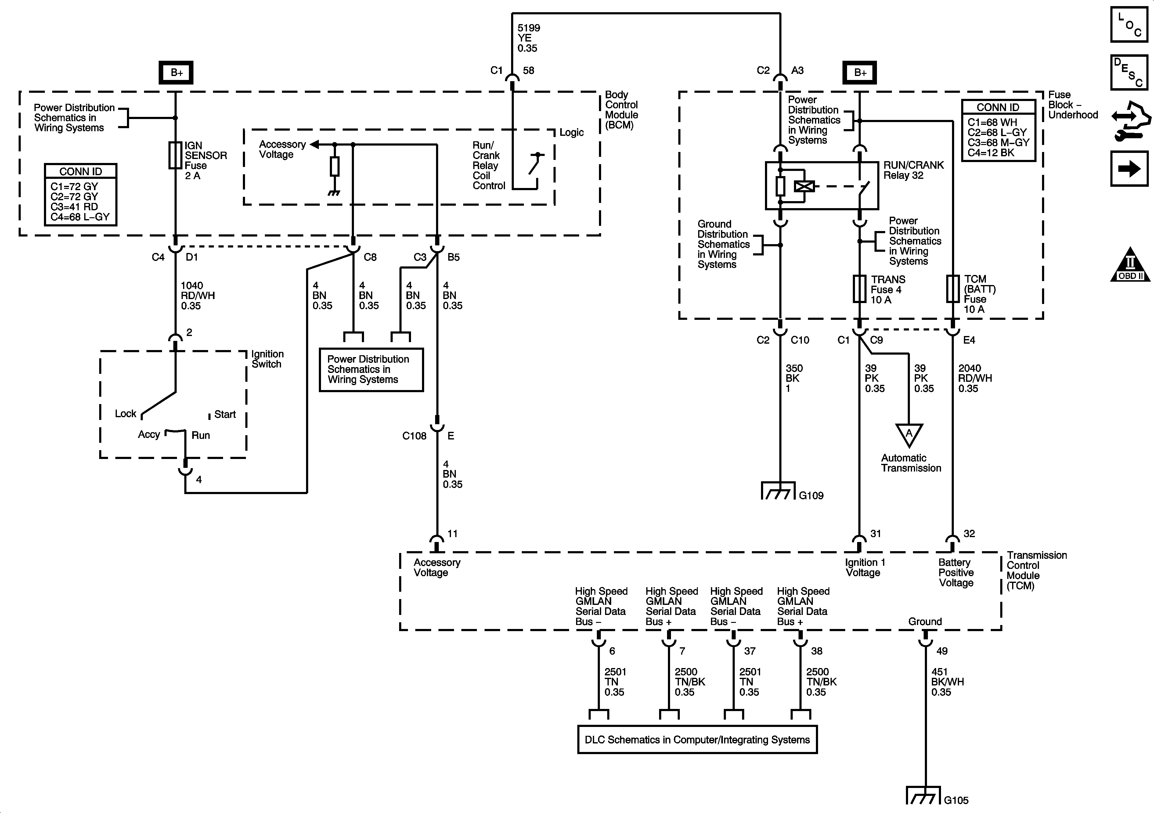
🢒 DLC, Ground and Power (LE5)
DLC, Ground and Power (LE5)
DLC, Ground and Power (LE5)
Master Electrical Component List
Transmission Component and System Description
Control Module References
Transmission Solenoids (LE5)
Tap Up/Tap Down Switch (LX9)
Automatic Transmission Schematic Icons
Underhood Fuse Block IBCM 1, Body Control Module (BCM), AIRBAG (BATT), CLUSTER/THEFT, HVAC CTRL (BATT), IGN SENSOR and RADIO Fuses
Underhood Fuse Block IBCM 1, Body Control Module (BCM), AIRBAG (BATT), CLUSTER/THEFT, HVAC CTRL (BATT), IGN SENSOR and RADIO Fuses
Underhood Fuse Block - B+
G109
Underhood Fuse Block - B+
G109
Transmission Solenoids (LE5)
Power, Ground, Serial Data, High Speed GMLAN
G103, G104 and G105