GM Service Manual Online
For 1990-2009 cars only
Makes
🢒
Cadillac
🢒
2006
🢒
Escalade - 2WD
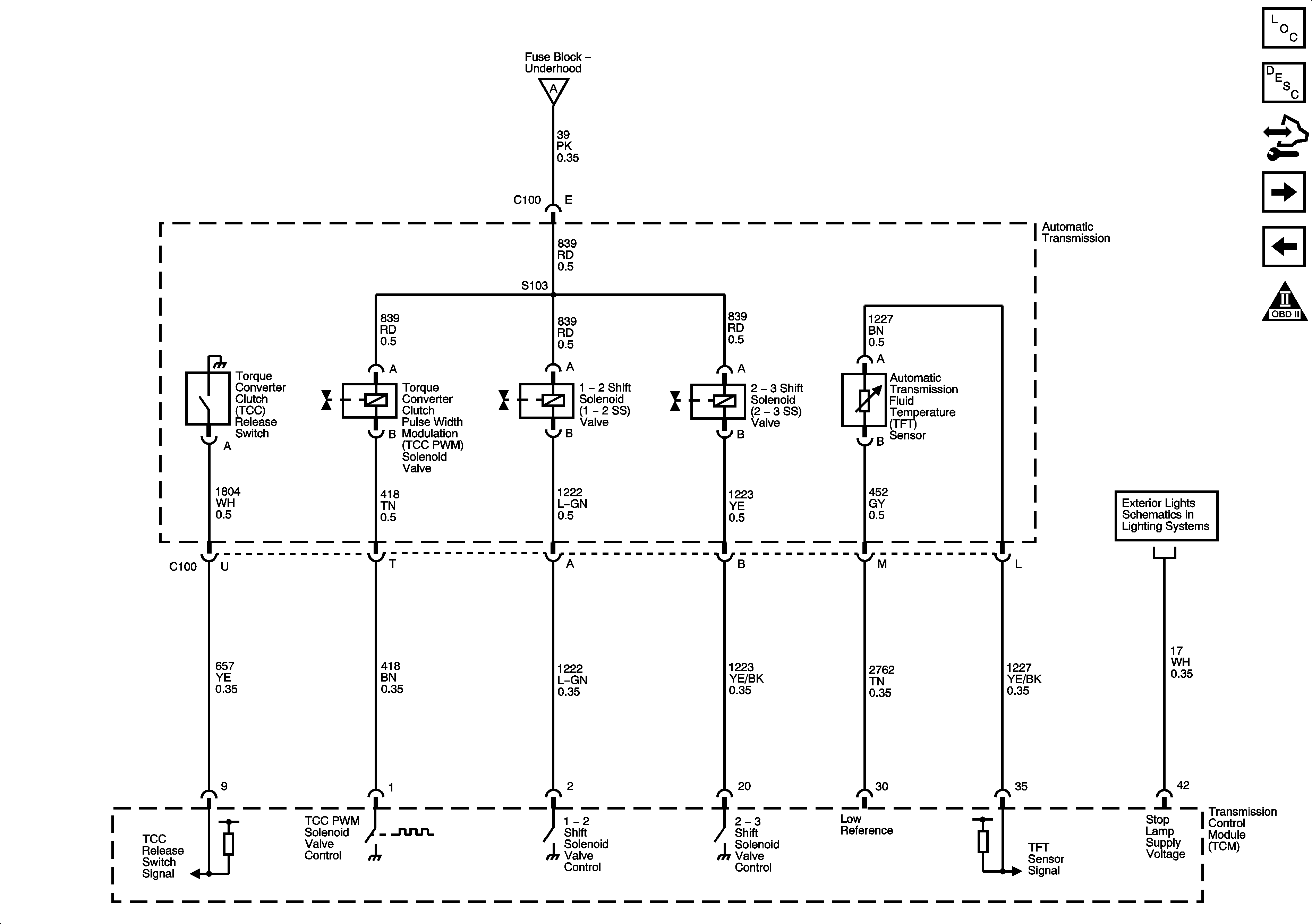
🢒 Transmission Solenoids (LE5)
Transmission Solenoids (LE5)
Transmission Solenoids (LE5)
Master Electrical Component List
Transmission Component and System Description
Control Module References
ISS, Pressure Control and VSS (LE5)
DLC, Ground and Power (LE5)
Automatic Transmission Schematic Icons
DLC, Ground and Power (LE5)
Turn Signals and Stop Lamps