GM Service Manual Online
For 1990-2009 cars only
Makes
🢒
Cadillac
🢒
2006
🢒
Escalade - 2WD
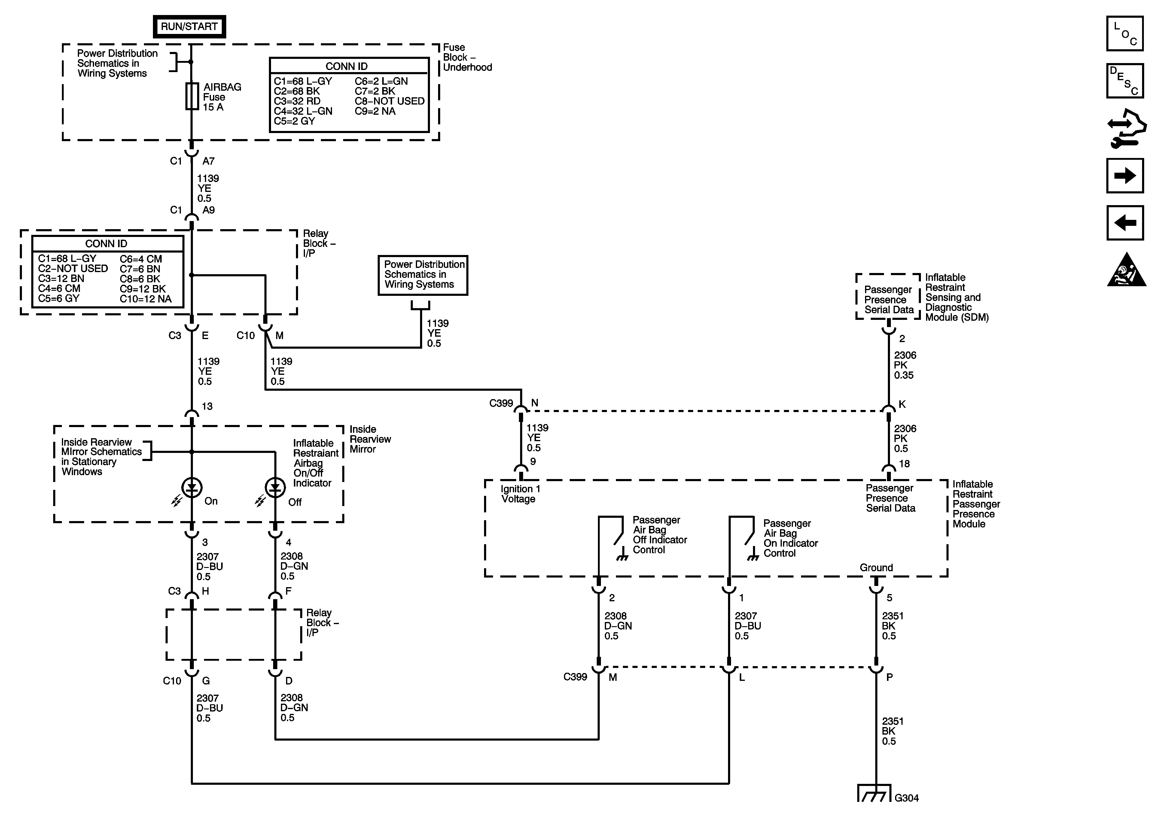
🢒 Passenger Presence Schematics - 1 of 2
Passenger Presence Schematics - 1 of 2
Passenger Presence Schematics 1 of 2
Master Electrical Component List
SIR System Description and Operation
Control Module References
Passenger Presence Schematics - 2 of 2
Seat Position Switches
SIR Schematic Icons
Power, Outside Air Temp, and Light Sensors
Ignition Switch - ACCY/RUN, and RUN/START Busses, and IGN B Fuses
AIRBAG and IGN E Fuses
G304 and G305