GM Service Manual Online
For 1990-2009 cars only
Makes
🢒
Cadillac
🢒
2008
🢒
Escalade - 2WD
🢒 Shift Controls
Shift Controls
Shift Controls
Master Electrical Component List
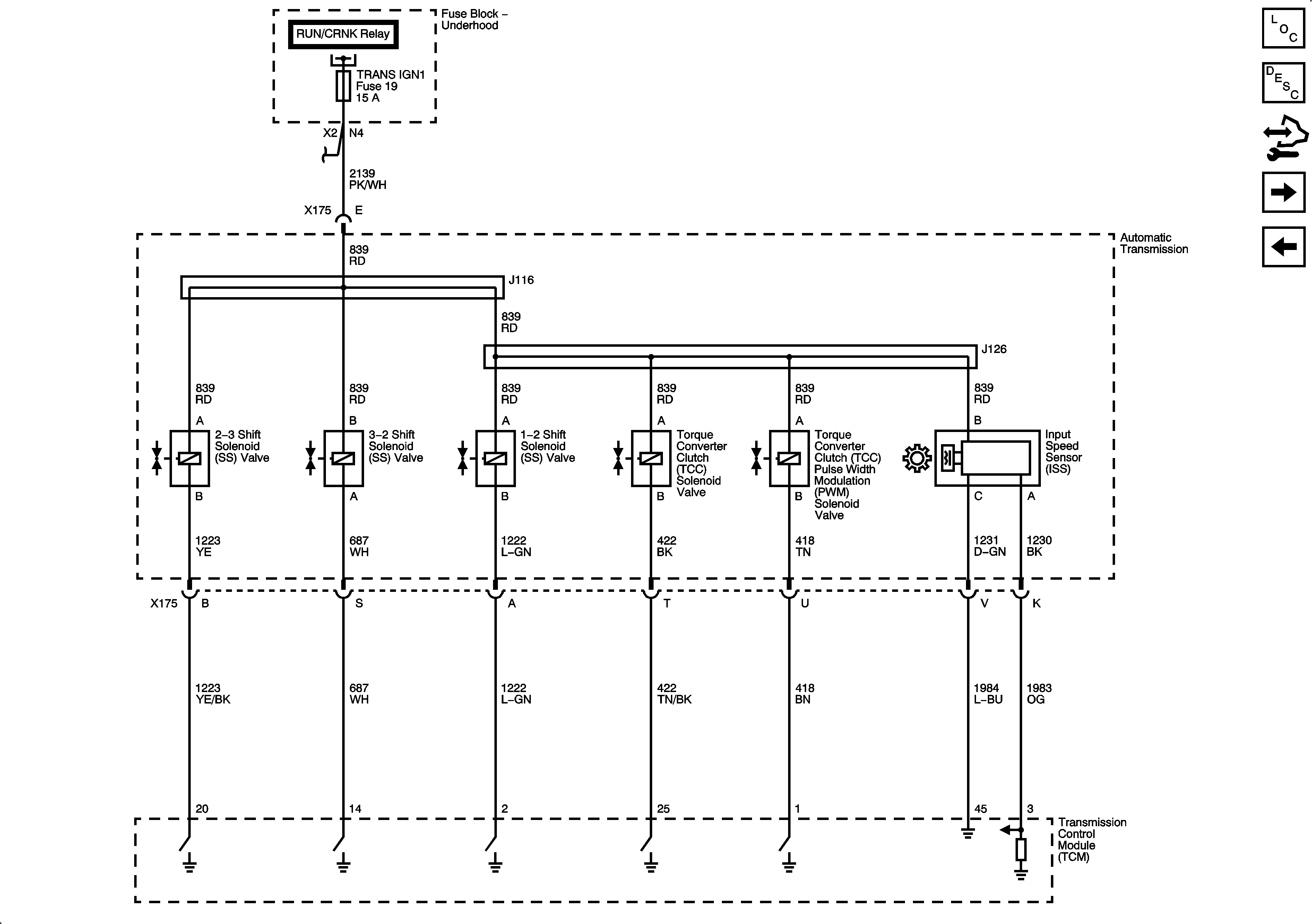
Transmission Component and System Description
Control Module References
Pressure and Temperature Controls
Module Power, Ground, and Serial Data
RUN/CRANK Bus - ECM-IGN and TRANS IGN 1 Fuses