GM Service Manual Online
For 1990-2009 cars only
Makes
🢒
Cadillac
🢒
2008
🢒
Escalade - 2WD
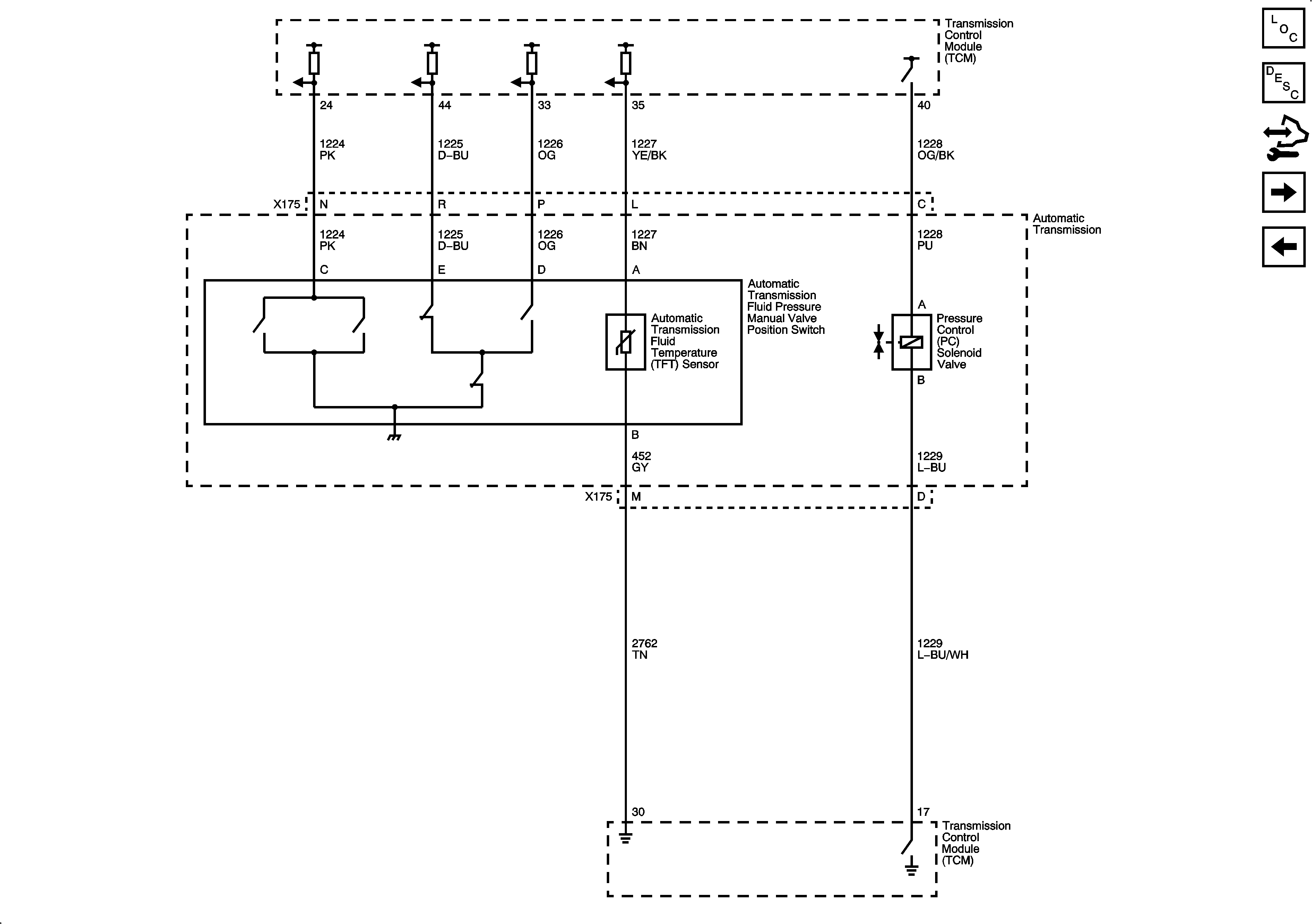
🢒 Pressure and Temperature Controls
Pressure and Temperature Controls
Pressure and Temperature Controls
Master Electrical Component List
Transmission Component and System Description
Control Module References
PNP Signals, VSS Signal, and Tow/Haul Signal
Shift Controls