GM Service Manual Online
For 1990-2009 cars only
Makes
🢒
Cadillac
🢒
2008
🢒
Escalade - 2WD
🢒 Engine Cooling (HP2)
Engine Cooling (HP2)
HP2
Master Electrical Component List
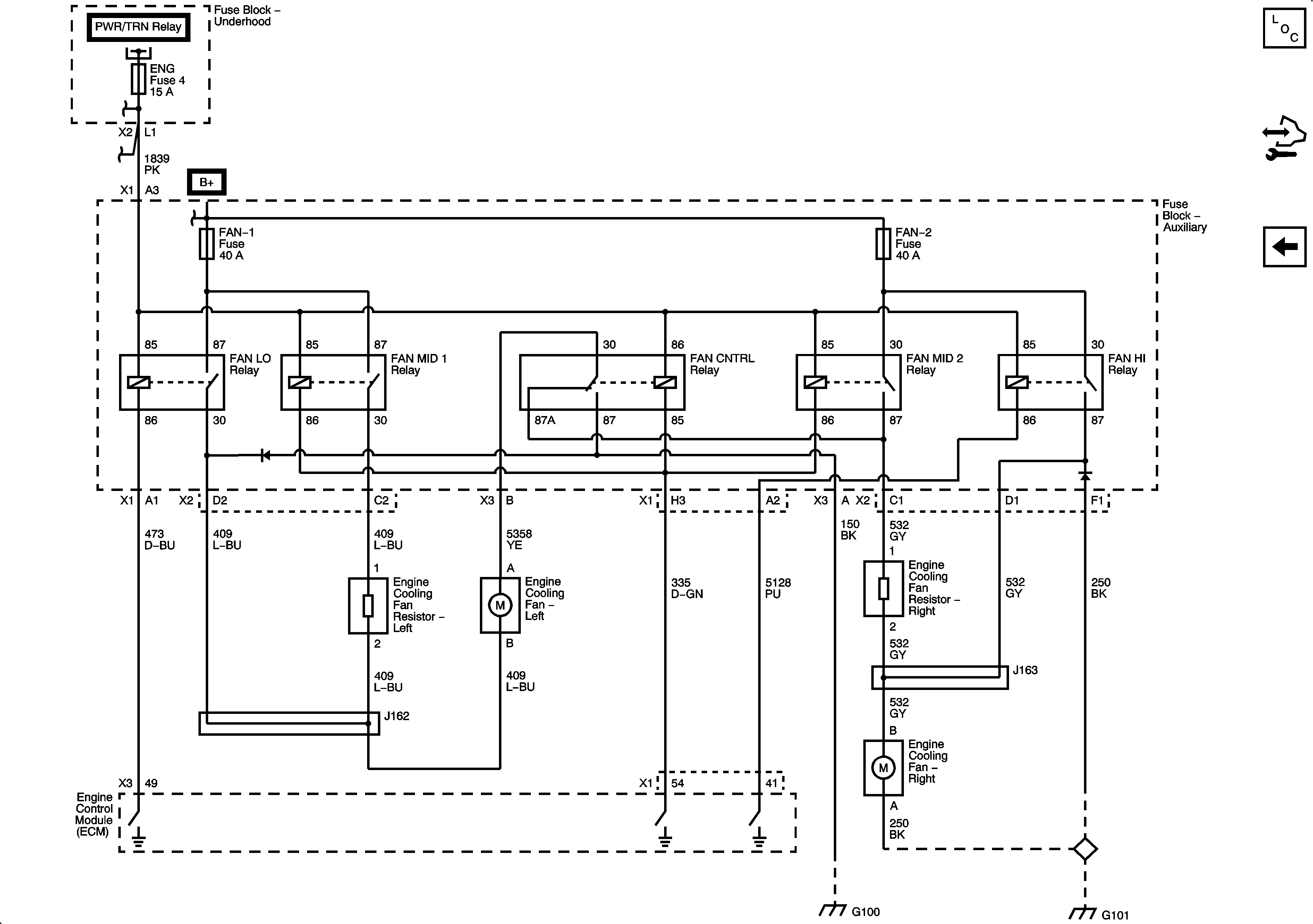
Cooling Fan Description and Operation w/ LFA
Control Module References
Engine Cooling Schematics (Except HP2)