GM Service Manual Online
For 1990-2009 cars only
Makes
🢒
Cadillac
🢒
2008
🢒
SLS
🢒 Heated/Cooled Seat
Heated/Cooled Seat
Heated/Cooled Seat
Master Electrical Component List
Heated/Vented Seat Description and Operation
Control Module References
Memory Seat Module, Power, Ground and DLC
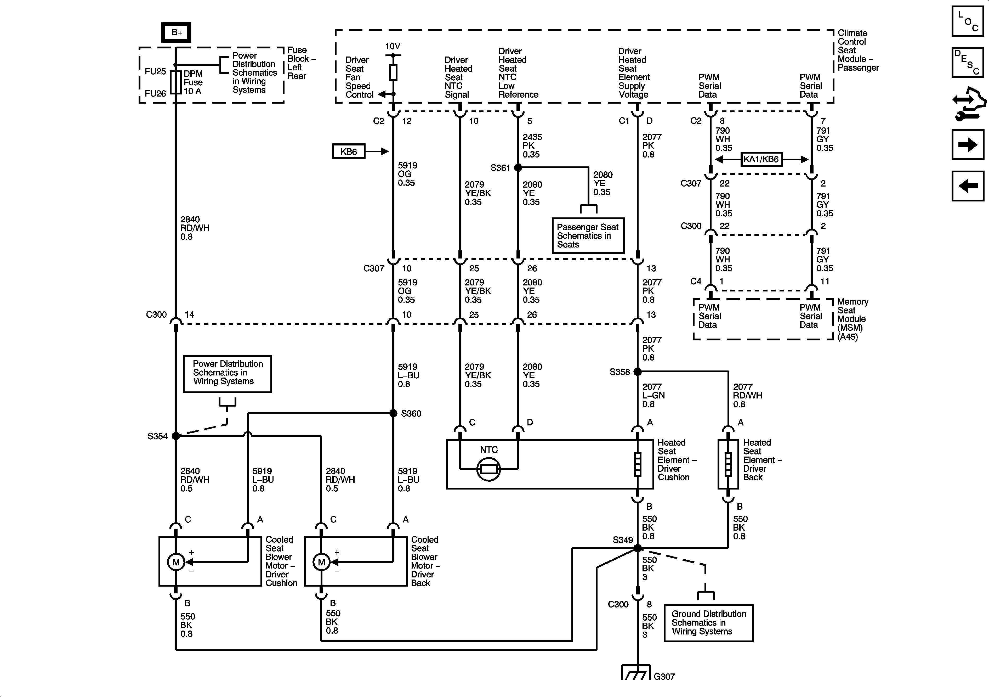
Heated Seat
Fuse Block Left Rear Bussing
Heated Seat
Fuse Block Left Rear: IGN 3 Relay; IGN 3, Rear Heated Seat, Memory, Airbag and Rear Shelf Speaker Fuses
G307
G307