GM Service Manual Online
For 1990-2009 cars only
Makes
🢒
Cadillac
🢒
2008
🢒
SLS
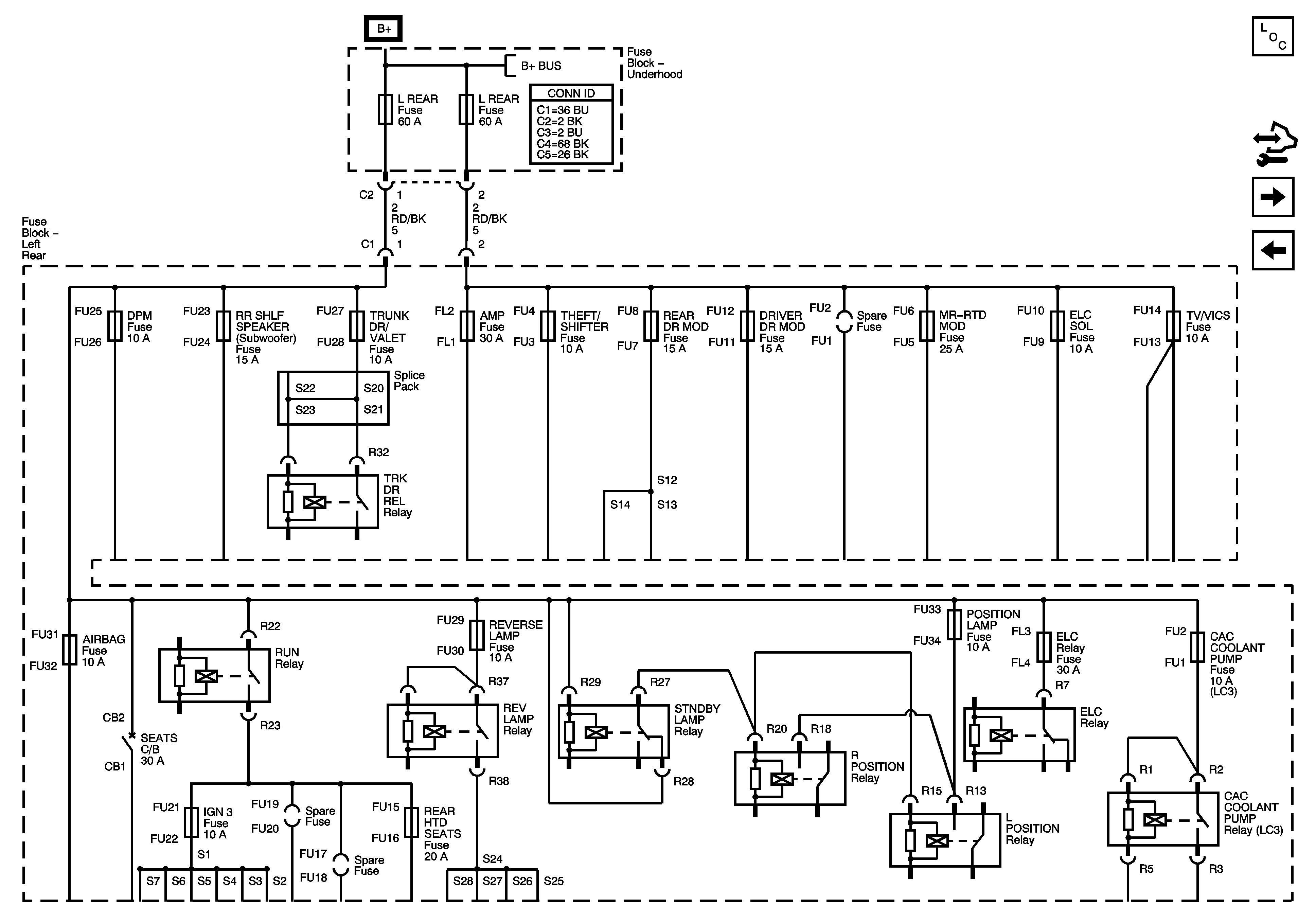
🢒 Fuse Block Left Rear Bussing
Fuse Block Left Rear Bussing
Fuse Block - Left Rear Bussing
Master Electrical Component List
Control Module References
Fuse Block Right Rear Bussing
Fuse Block Underhood Bussing
Fuse Block Underhood Bussing