GM Service Manual Online
For 1990-2009 cars only
Makes
🢒
Cadillac
🢒
2008
🢒
SLS
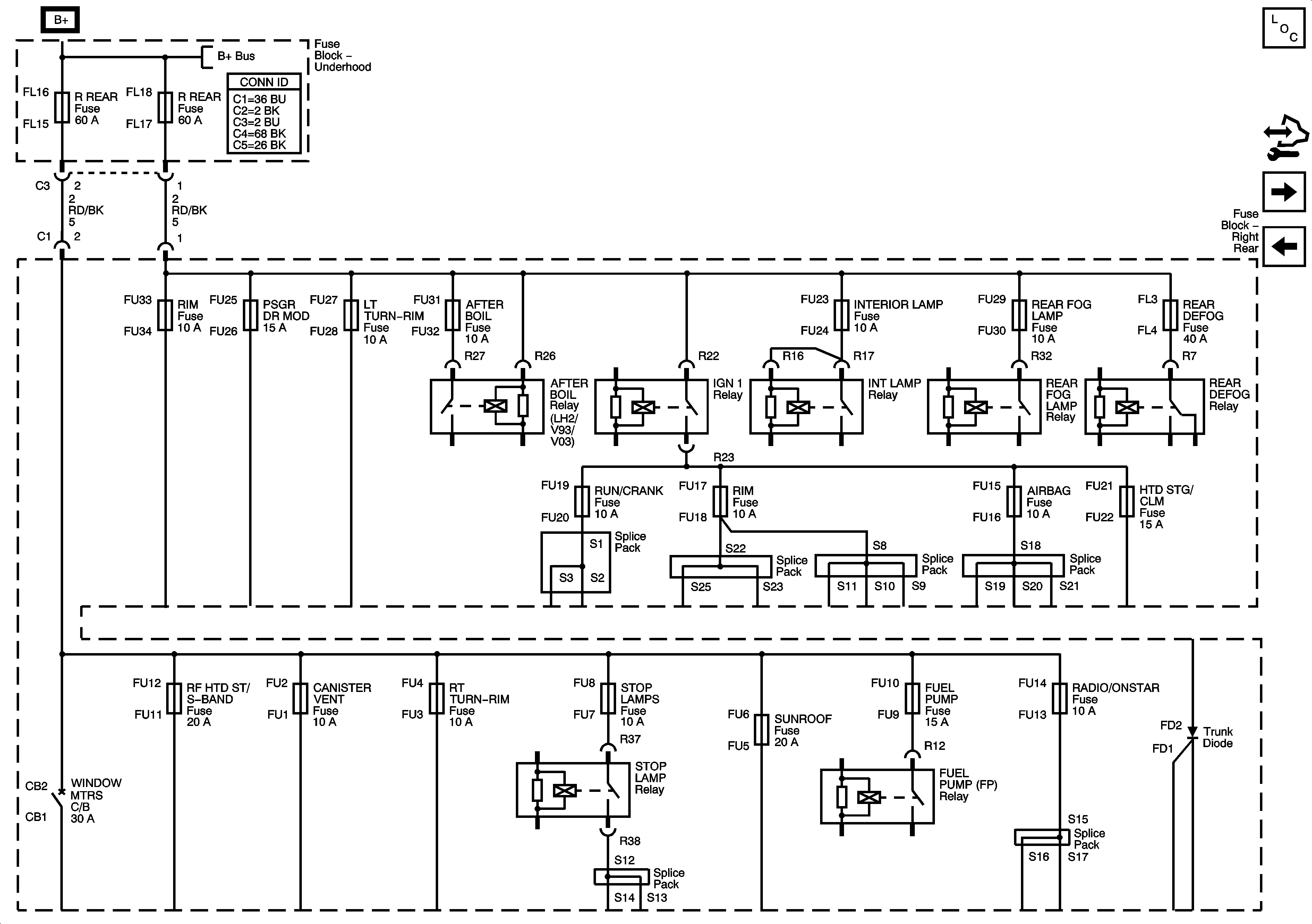
🢒 Fuse Block Right Rear Bussing
Fuse Block Right Rear Bussing
Fuse Block - Right Rear Bussing
Master Electrical Component List
Control Module References
Fuse Block Underhood Relays/Fuses: Park Lamp Relay, RT Park Fuse, Tilt/LK/LMP/CLM Relay Coils Fuse
Fuse Block Left Rear Bussing
Fuse Block Underhood Bussing