GM Service Manual Online
For 1990-2009 cars only
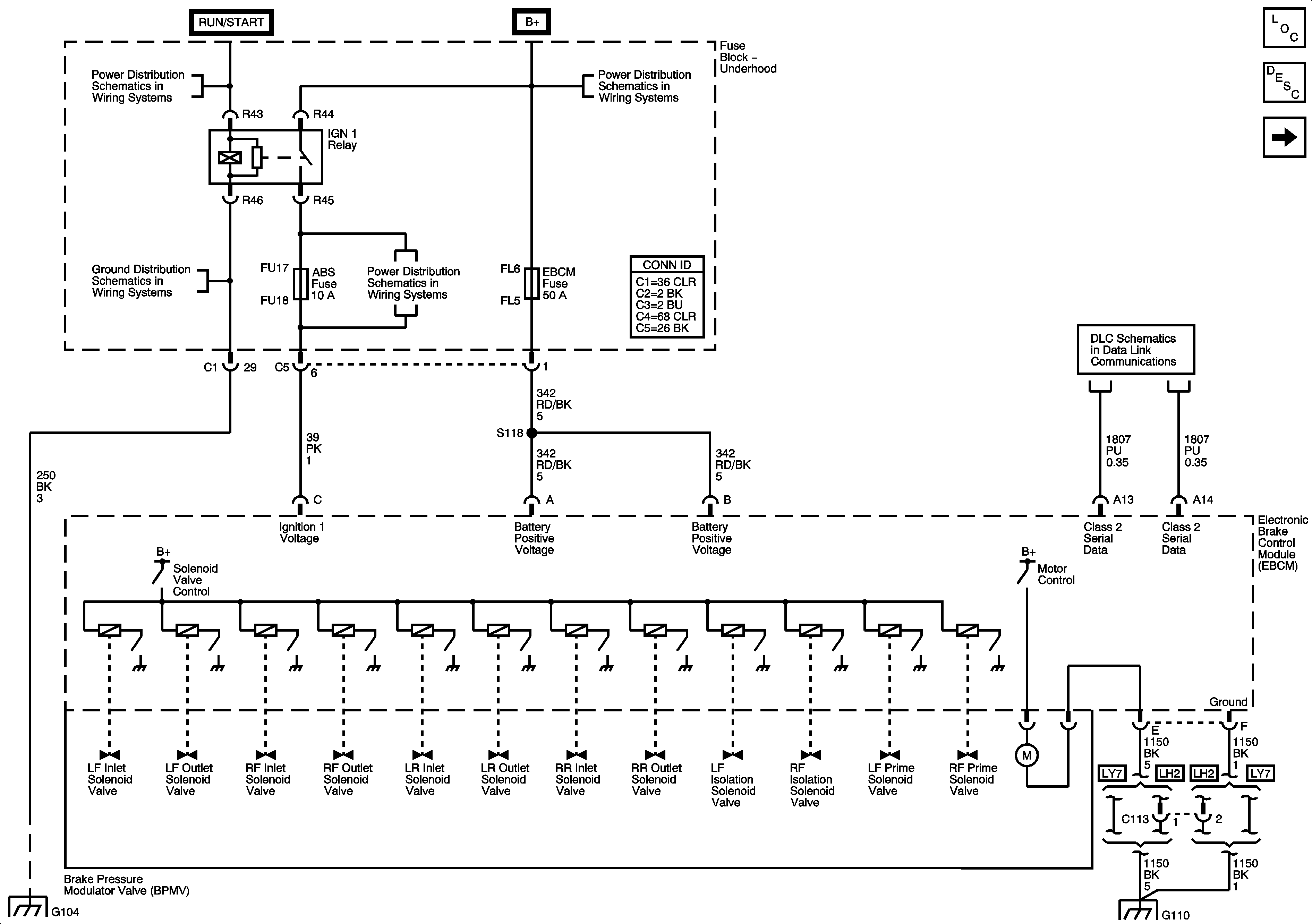
Figure 1:

Module Power, Ground and Serial Data


Object Number: 1220116  Size: FS
Master Electrical Component List
ABS Description and Operation
Wheel Speed Sensors
RIM and THEFT Fuses and Ignition Switch - 2 of 2
G104
Fuse Block - Underhood B+ Bus Schematic
ABS, STARTER RLY, STRG CTLS, TCM/IPC, and WASH NOZ Fuses
Class 2 Serial Data - 1 of 2
G104
G102, G105, G107, G108, G109 and G110
Figure 2:

Wheel Speed Sensors


Object Number: 1220122  Size: FS
Master Electrical Component List
ABS Description and Operation
Indicators, Traction Control, and Brake Pedal Position
Power, Ground and Serial Data
Antilock Brake System Schematic Icons
Antilock Brake System Schematic Icons
Antilock Brake System Schematic Icons
Antilock Brake System Schematic Icons
Antilock Brake System Schematic Icons
Antilock Brake System Schematic Icons
Figure 3:

Indicator, Traction Control, and Brake Pedal Position


Object Number: 1220125  Size: FS
Master Electrical Component List
ABS Description and Operation
Stability Control System and Brake Fluid Pressure Sensor
Wheel Speed Sensors
Dimming Lamps - 1 of 2
Class 2 Serial Data - 2 of 2
Class 2 Serial Data - 1 of 2
Tail Lamps (Domestic) Schematic
Power, Grounds, Serial Data and Controls
G201
Figure 4:

Stability Control System and Brake Fluid Pressure Sensor


Object Number: 1220129  Size: FS
Master Electrical Component List
ABS Description and Operation
Indicators, Traction Control, and Brake Pedal Position
Variable Effort Steering Schematic
Antilock Brake System Schematic Icons