GM Service Manual Online
For 1990-2009 cars only
Makes
🢒
Cadillac
🢒
2004
🢒
SRX
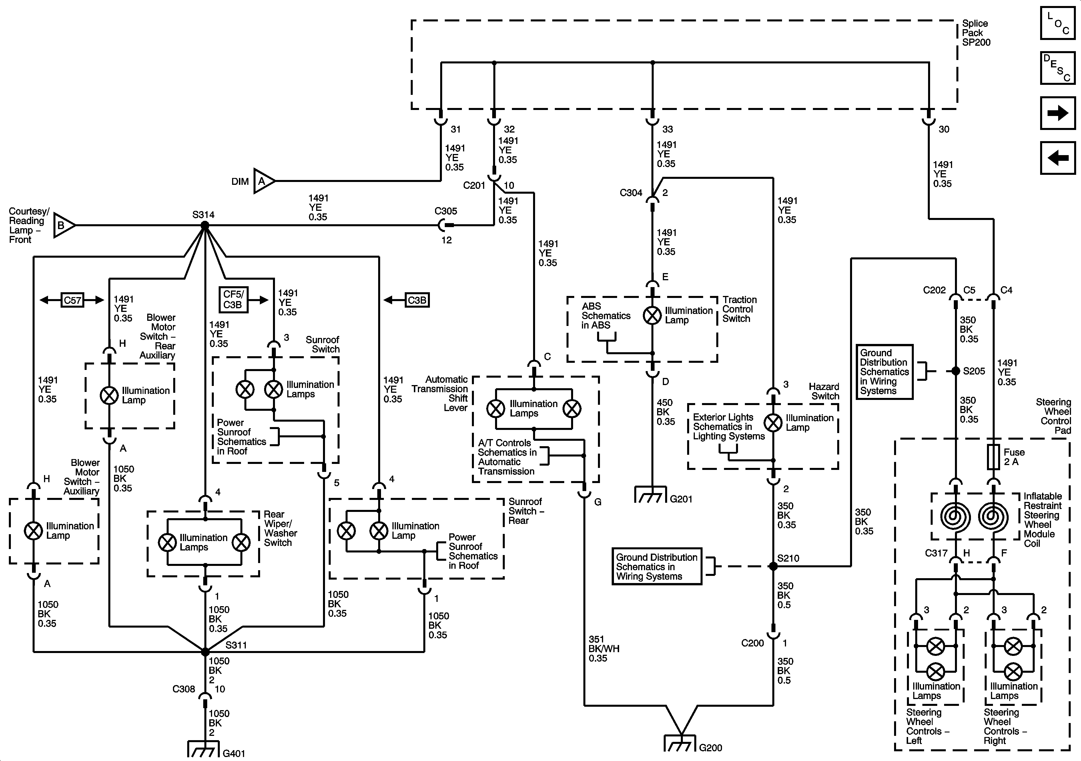
🢒 Dimming Lamps - 1 of 2
Dimming Lamps - 1 of 2
Dimming Lamps - 1 of 2
Master Electrical Component List
Interior Lighting Systems Description and Operation
Dimming Lamps - 2 of 2
Interior Lights Dimming Controls
Interior Lights Dimming Controls
Interior Lights Dimming Controls
Indicators, Traction Control, and Brake Pedal Position
Turn/Hazard Flasher Module Schematic
G200
Sunroof and Front Sunshade
Power, Grounds, Serial Data and Switches
Rear Sunshade
G201
G200
G401 - 2 of 2
G200