GM Service Manual Online
For 1990-2009 cars only
Makes
🢒
Cadillac
🢒
2004
🢒
SRX
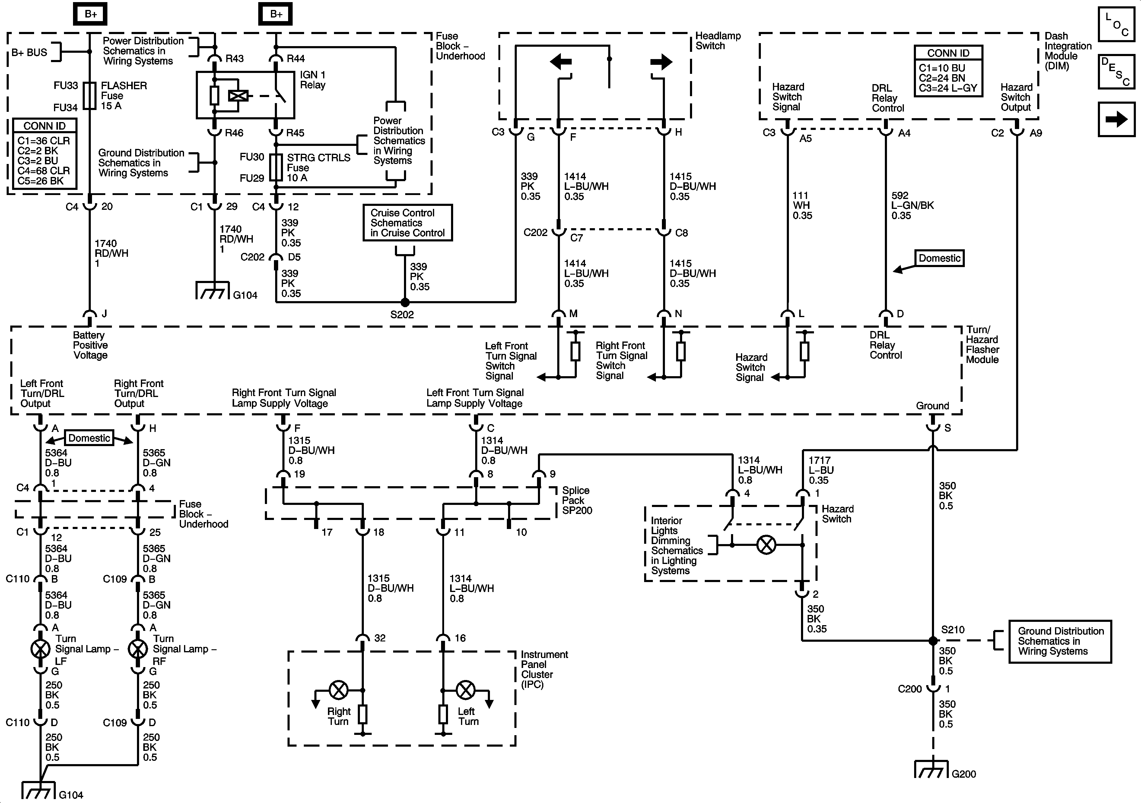
🢒 Turn/Hazard Flasher Module Schematic
Turn/Hazard Flasher Module Schematic
Turn/Hazard Flasher Module
Master Electrical Component List
Exterior Lighting Systems Description and Operation
Park Lamp Relay, Switch and Instrument Cluster (Dom, Exp) Schematic
Fuse Block - Underhood B+ Bus Schematic
RIM and THEFT Fuses and Ignition Switch - 2 of 2
G104
G104
ABS, STARTER RLY, STRG CTLS, TCM/IPC, and WASH NOZ Fuses
Cruise Control Schematic
G104
Dimming Lamps - 1 of 2
G200
G200