GM Service Manual Online
For 1990-2009 cars only
Makes
🢒
Cadillac
🢒
2004
🢒
SRX
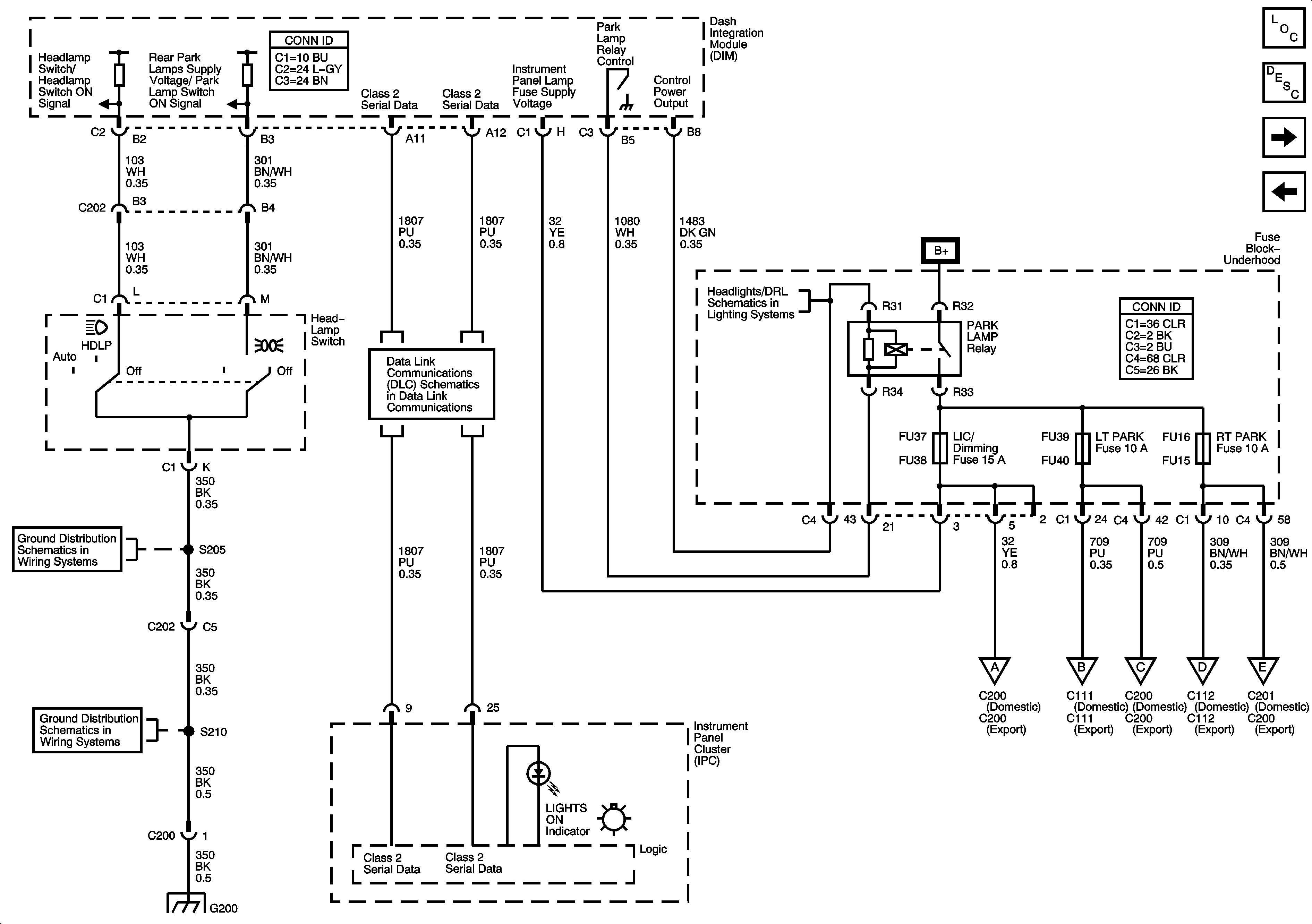
🢒 Park Lamp Relay, Switch and Instrument Cluster (Dom, Exp) Schematic
Park Lamp Relay, Switch and Instrument Cluster (Dom, Exp) Schematic
Park Lamp Relay, Switch and Instrument Cluster - Domestic, Export
Master Electrical Component List
Exterior Lighting Systems Description and Operation
License, Park and Side MArker Lamp (Domestic) Schematic
Turn/Hazard Flasher Module Schematic
Headlamp Controls
Class 2 Serial Data - 1 of 2
G200
G200
G200
License, Park and Side MArker Lamp (Domestic) Schematic
License, Park and Side MArker Lamp (Domestic) Schematic
Tail Lamps (Domestic) Schematic
License, Park and Side MArker Lamp (Domestic) Schematic
Tail Lamps (Domestic) Schematic