GM Service Manual Online
For 1990-2009 cars only
Makes
🢒
Cadillac
🢒
2004
🢒
SRX
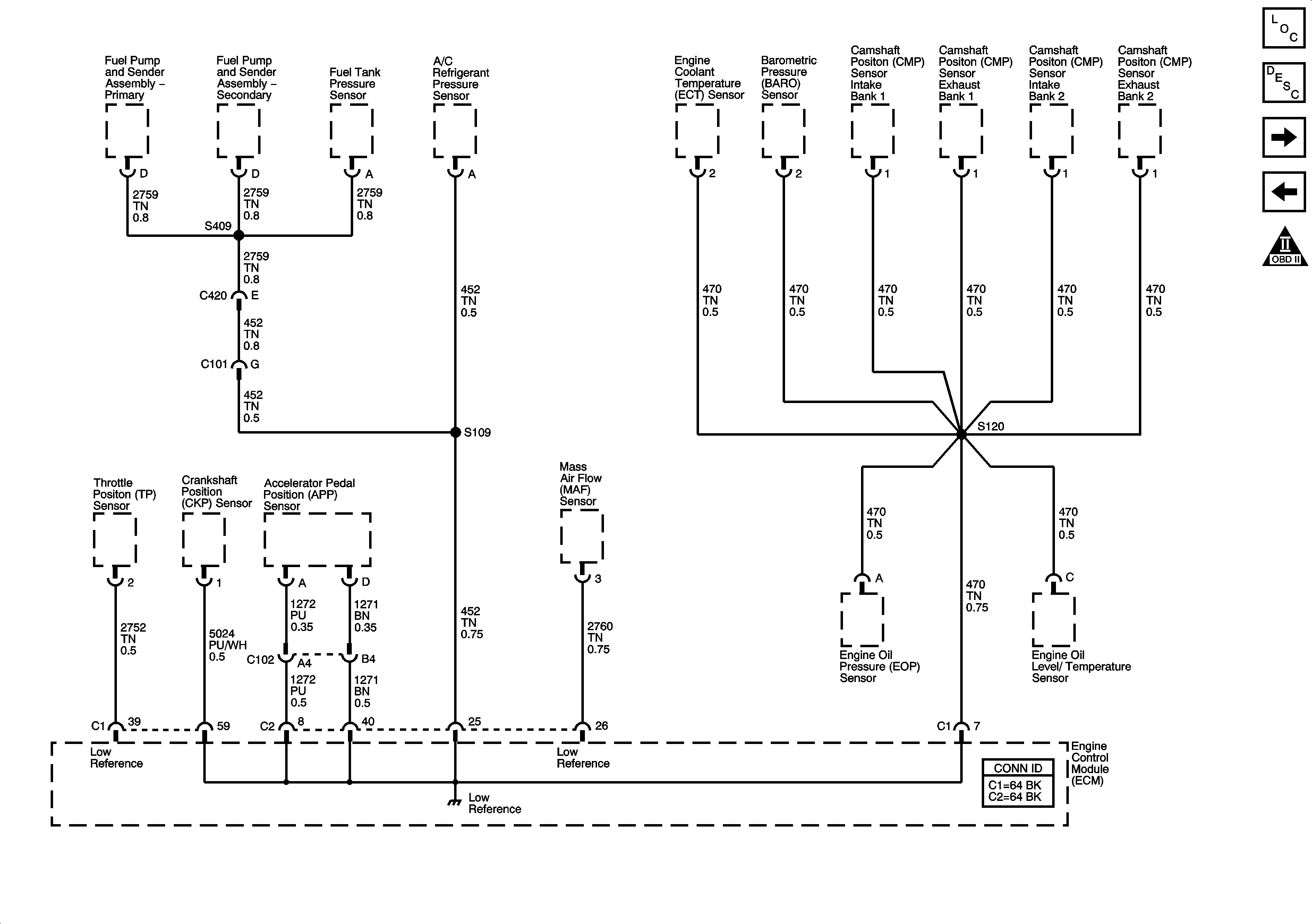
🢒 Engine Data Sensors - Low Reference Bussing
Engine Data Sensors - Low Reference Bussing
Engine Data Sensors - Low Reference Bussing
Master Electrical Component List
Engine Control Module Description
Engine Data Sensors - Pressure, Temperature, MAF, VSS, and Extended Travel Brake Switch
Engine Data Sensors - 5-Volt Reference Bussing
OBD II Symbol Description Notice