GM Service Manual Online
For 1990-2009 cars only
Makes
🢒
Cadillac
🢒
2004
🢒
SRX
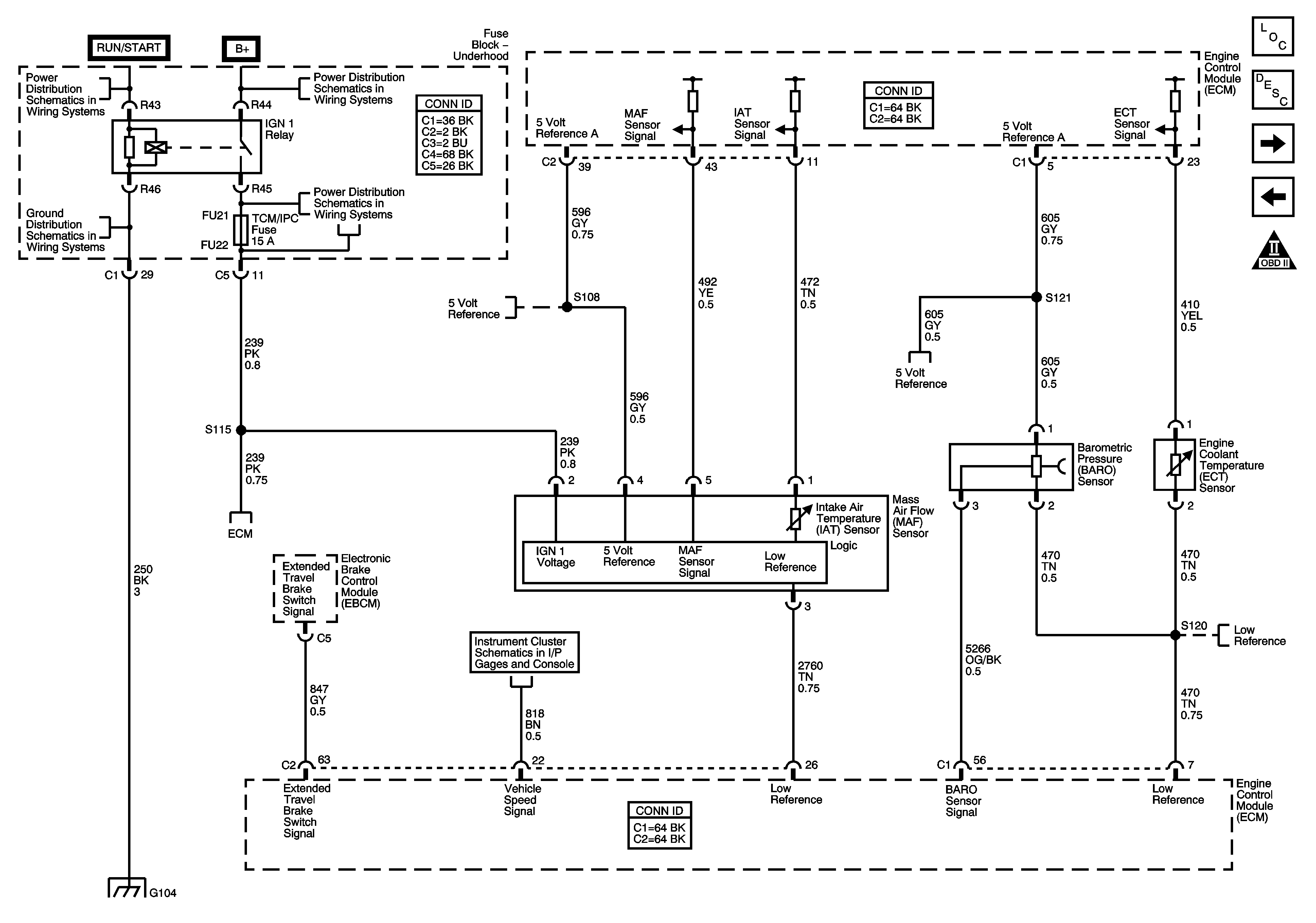
🢒 Engine Data Sensors - Pressure, Temperature, MAF, VSS, and Extended Travel Brake Switch
Engine Data Sensors - Pressure, Temperature, MAF, VSS, and Extended Travel Brake Switch
Engine Data Sensors - Pressure, Temperature, MAF, VSS, and Extended Brake Travel Switch
Master Electrical Component List
Air Intake System Description
Engine Data Sensors - Oxygen Sensors
Engine Data Sensors - Low Reference Bussing
OBD II Symbol Description Notice
RIM and THEFT Fuses and Ignition Switch - 2 of 2
Fuse Block - Underhood B+ Bus Schematic
G104
ABS, STARTER RLY, STRG CTLS, TCM/IPC, and WASH NOZ Fuses
Engine Data Sensors - 5-Volt Reference Bussing
Engine Data Sensors - 5-Volt Reference Bussing
Power, Ground, Serial Data, and MIL Schematics
Gages
Engine Data Sensors - Low Reference Bussing
G104