GM Service Manual Online
For 1990-2009 cars only
Makes
🢒
Cadillac
🢒
2004
🢒
SRX
🢒 Content Theft Deterrent (CTD)
Content Theft Deterrent (CTD)
Content Theft Deterrent (CTD)
Master Electrical Component List
Horns System Description and Operation
Content Theft Deterrent (CTD) Sensors and Sirens (UA2)
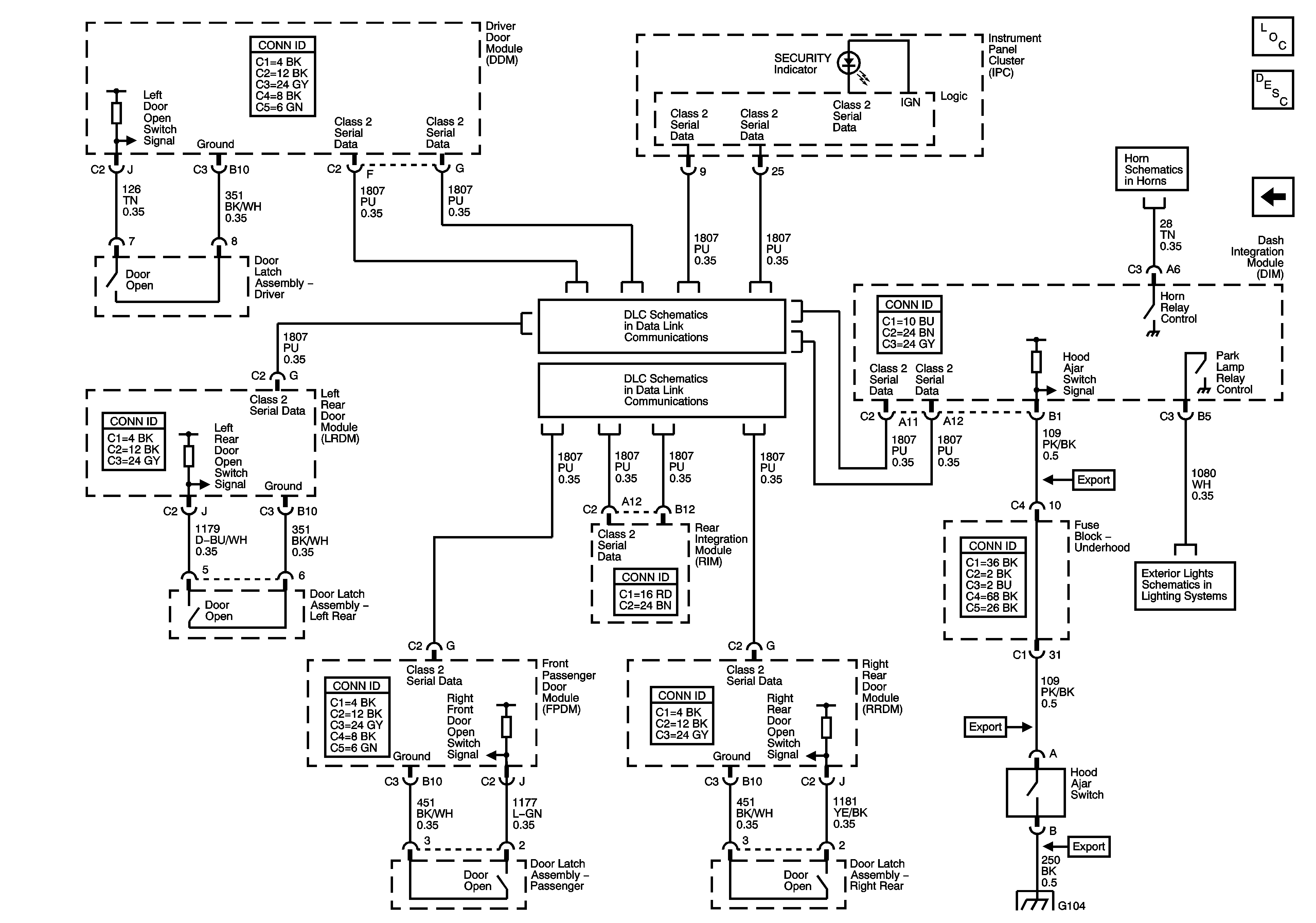
Class 2 Serial Data - 1 of 2
Class 2 Serial Data - 2 of 2
Horns Schematic
Park Lamp Relay, Switch and Instrument Cluster (Dom, Exp) Schematic
G104