GM Service Manual Online
For 1990-2009 cars only
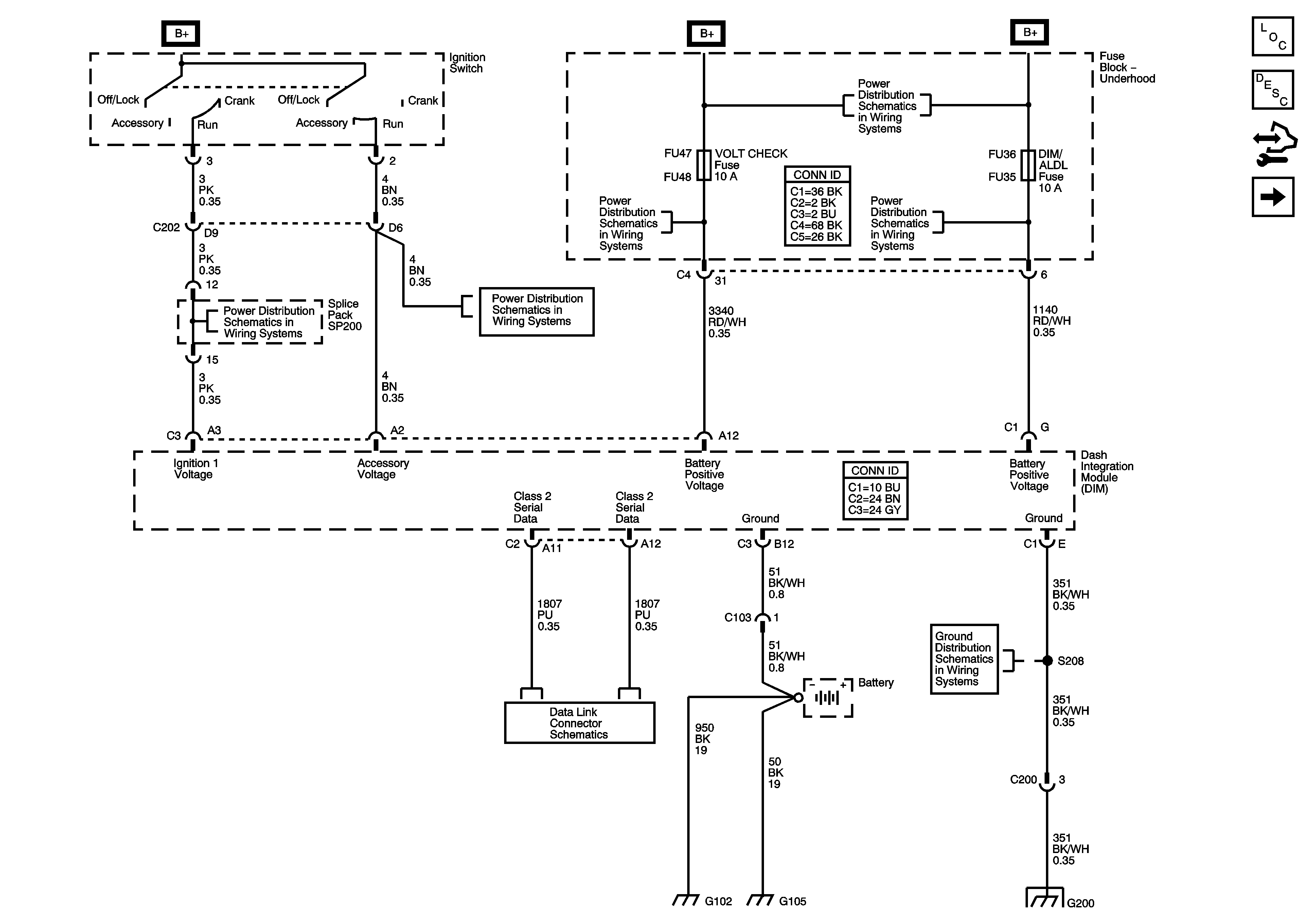
Figure 1:

DIM Power, Ground, and Serial Data


Object Number: 1451450  Size: FS
Master Electrical Component List
Body Control System Description and Operation
Control Module References
DIM Inputs and Outputs - 1 of 2
Fuse Block - Underhood B+ Bus Schematic
CCP (B+), DIM/ALDL, EBCM (B+), ECM/TCM, Flasher, and VOLT CHECK Fuses
CCP (B+), DIM/ALDL, EBCM (B+), ECM/TCM, Flasher, and VOLT CHECK Fuses
RIM and THEFT Fuses and Ignition Switch - 2 of 2
RIM and THEFT Fuses and Ignition Switch - 2 of 2
Class 2 Serial Data - 1 of 2
G200
G200
Figure 2:

DIM Inputs and Outputs - 1 of 2


Object Number: 1451452  Size: FS
Master Electrical Component List
Body Control System Description and Operation
Control Module References
DIM Inputs and Outputs - 2 of 2
DIM Power, Ground, and Serial Data
Interior Lamps Dimming Controls
Headlamp Controls
Front Fog Lamps
Headlamp Controls
Horns Schematic
Headlamp Controls
Park Lamp Controls and Indicators
Interior Lamps Dimming Controls
Headlamp Controls
Ignition Lock Schematic
Headlamp Controls
Audible Warnings
Front Wiper/Washer Controls
Front Fog Lamps
Figure 3:

DIM Inputs and Outputs - 2 of 2


Object Number: 1451454  Size: FS
Master Electrical Component List
Body Control System Description and Operation
Control Module References
RIM Power, Ground, and Serial Data
DIM Inputs and Outputs - 1 of 2
Turn Signal/Hazard Flasher Module
Courtesy/Reading Lamps
Content Theft Deterrent (CTD)
Rear Fog Lamps
Front Washer (CE4)
Headlamp Controls
Turn Signal/Hazard Flasher Module
Front Washer (CE4)
Courtesy/Reading Lamps
Cigar Lighter and Auxiliary Outlet Schematic
Figure 4:

RIM Power, Ground, and Serial Data


Object Number: 1451457  Size: FS
Master Electrical Component List
Body Control System Description and Operation
Control Module References
RIM Inputs and Outputs
DIM Inputs and Outputs - 2 of 2
RIM and THEFT Fuses and Ignition Switch - 2 of 2
Fuse Block - Right Rear B+ Bus
G402 - 1 of 2
AIR BAG, CCP (RUN), EBCM (RUN), HDLP LEVELING, IGN 1, and IGN 3 Fuses
Fuse Block - Right Rear B+ Bus
AIR BAG, CCP (RUN), EBCM (RUN), HDLP LEVELING, IGN 1, and IGN 3 Fuses
RIM and THEFT Fuses and Ignition Switch - 2 of 2
AIR BAG, CCP (RUN), EBCM (RUN), HDLP LEVELING, IGN 1, and IGN 3 Fuses
G402 - 1 of 2
G401 - 1 of 2
Class 2 Serial Data - 2 of 2
Figure 5:

RIM Inputs and Outputs


Object Number: 1451458  Size: FS
Master Electrical Component List
Body Control System Description and Operation
Control Module References
RIM Power, Ground, and Serial Data
Content Theft Deterrent (CTD) Sensors and Sirens (UA2)
Content Theft Deterrent (CTD) Sensors and Sirens (UA2)
Indicator,Traction Control, and Brake Pedal Position
Courtesy/Reading Lamps
Heated Seat (KA1)
Heated Seat
Courtesy Lamps
Backup Lamps
Rear Fog Lamps
Content Theft Deterrent (CTD) Sensors and Sirens (UA2)
Heated Seat
Heated Seat (KA1)
Rear Sunshade
Position Lamp Controls - Export
Liftgate Adjar Schematic
Rear Parking Assist Schematic
Shift Lock Schematic
Defogger Schematic