GM Service Manual Online
For 1990-2009 cars only
Makes
🢒
Cadillac
🢒
2006
🢒
SRX
🢒
Vehicle Control Systems
🢒
Vehicle DTC Information
🢒 Passenger Seat Schematics
Figure
1:
Power Seat
Master Electrical Component List
Power Seats System Description and Operation (Front Seat)
Control Module References
Heated Seat
06 ESUV-Fuse Block Left Rear B+ Bus
FFSM, FFS SW AND THEFT FUSES AND SEAT CIRCUIT BREAKER
G307
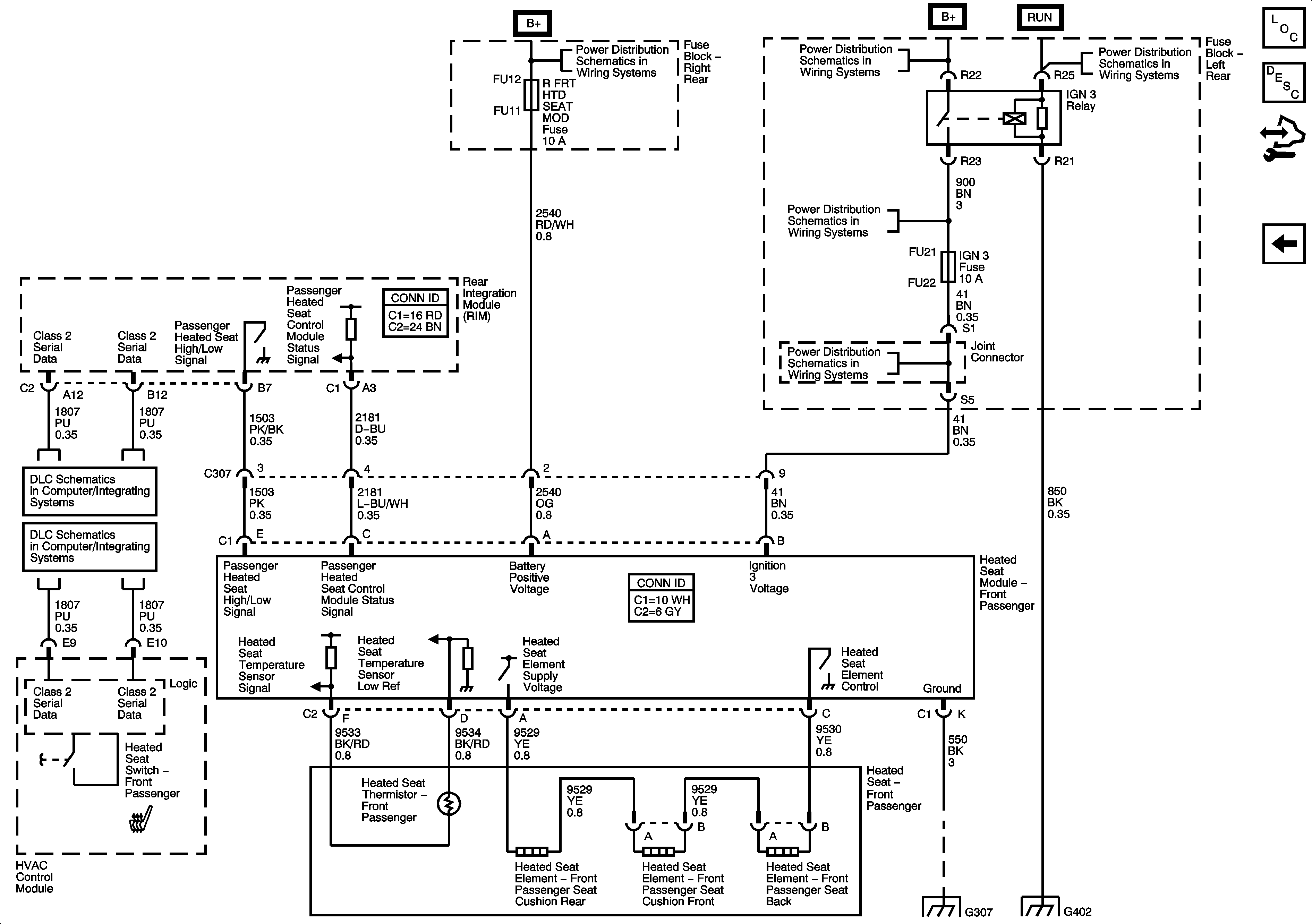
Figure
2:
Heated Seat (KA1)
Master Electrical Component List
Heated Seats Description and Operation
Control Module References
Power Seat
Fuse Block Right Rear B+ Bus
06 ESUV-Fuse Block Left Rear B+ Bus
AIR BAG, CCP (RUN), EBCM (RUN), HDLP LEVELING, IGN 1 AND IGN 3 FUSES
AIR BAG, CCP (RUN), EBCM (RUN), HDLP LEVELING, IGN 1 AND IGN 3 FUSES
IGN SW Fuse and Ignition Switch 1 of 2
Class 2 Serial Data 2 of 2
Class 2 Serial Data 1 of 2
G307
G402 1 of 2