GM Service Manual Online
For 1990-2009 cars only
Makes
🢒
Cadillac
🢒
2006
🢒
SRX
🢒
Suspension
🢒
Automatic Level Control
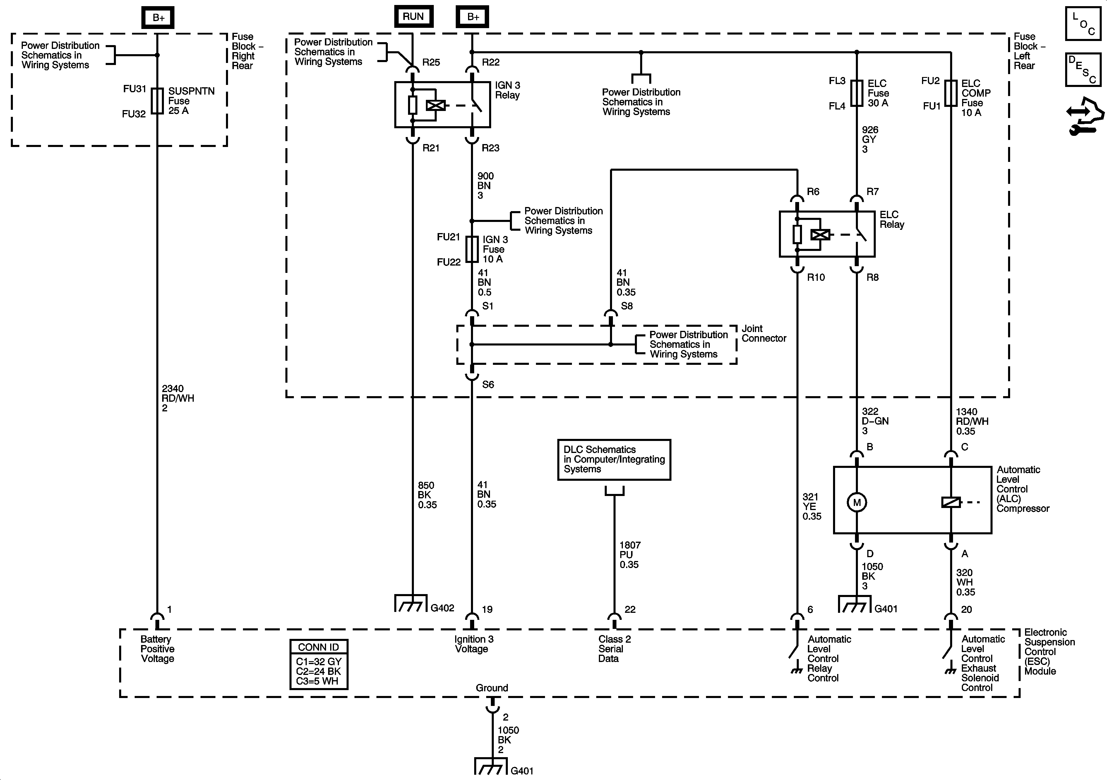
🢒 Automatic Level Control Schematics
Master Electrical Component List
Automatic Level Control Description and Operation
Control Module References
Fuse Block Right Rear B+ Bus
IGN SW Fuse and Ignition Switch 1 of 2
06 ESUV-Fuse Block Left Rear B+ Bus
AIR BAG, CCP (RUN), EBCM (RUN), HDLP LEVELING, IGN 1 AND IGN 3 FUSES
AIR BAG, CCP (RUN), EBCM (RUN), HDLP LEVELING, IGN 1 AND IGN 3 FUSES
Class 2 Serial Data 2 of 2
G401 2 of 2