GM Service Manual Online
For 1990-2009 cars only
Makes
🢒
Cadillac
🢒
2006
🢒
SRX
🢒
Accessories
🢒
Cellular Communication
🢒 OnStar Schematics
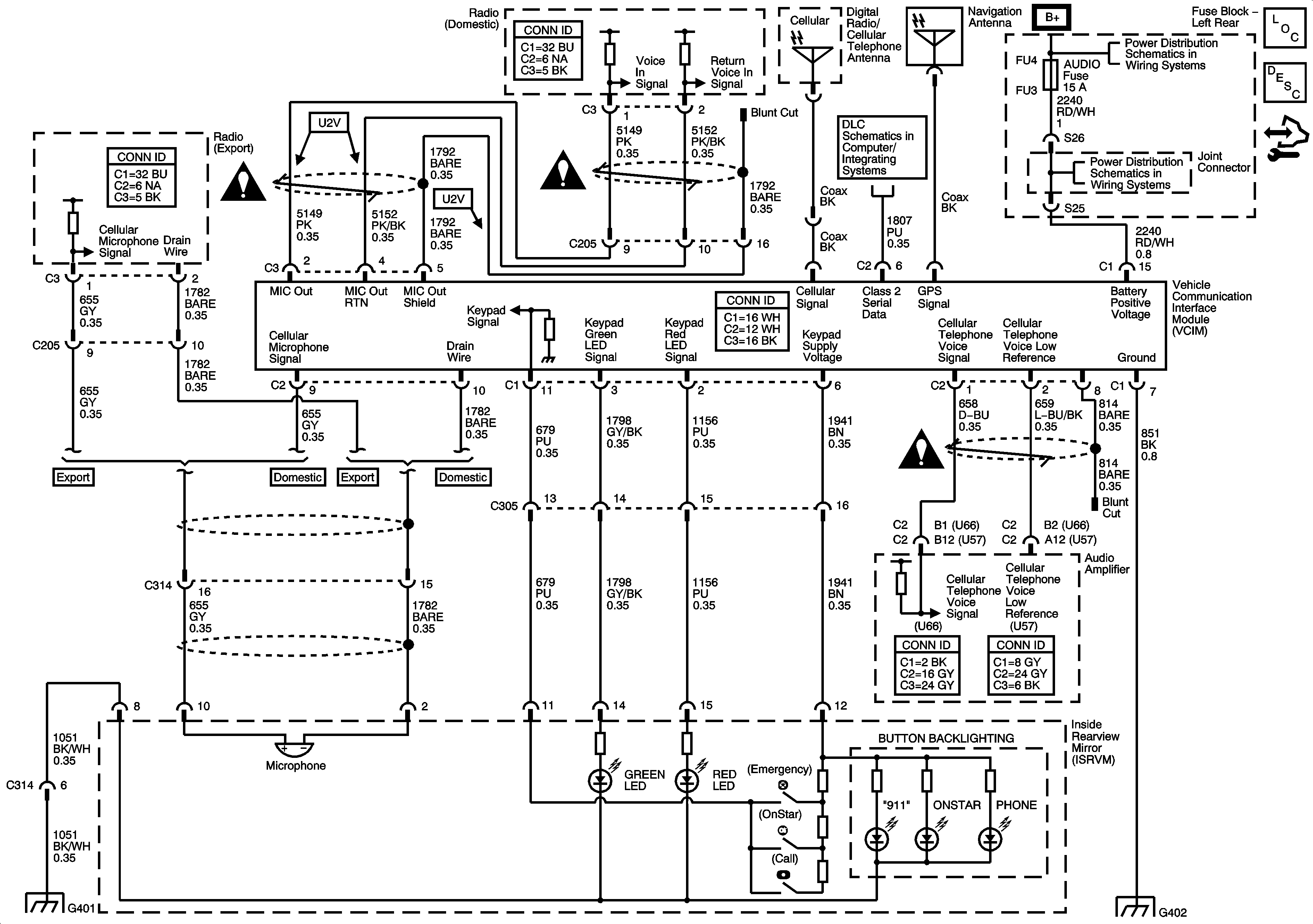
Master Electrical Component List
OnStar Description and Operation
Control Module References
Cellular Communication Schematic Icons
Cellular Communication Schematic Icons
Class 2 Serial Data 2 of 2
Cellular Communication Schematic Icons
G401 1 of 2
G402 1 of 2
06 ESUV-Fuse Block Left Rear B+ Bus
AMP, AUDIO, DRIVER DR MOD, ELC COMP, L FRT HTD SEAT MOD, MEM/ADAPT SEAT, AND REAR DR MOD FUSES