GM Service Manual Online
For 1990-2009 cars only
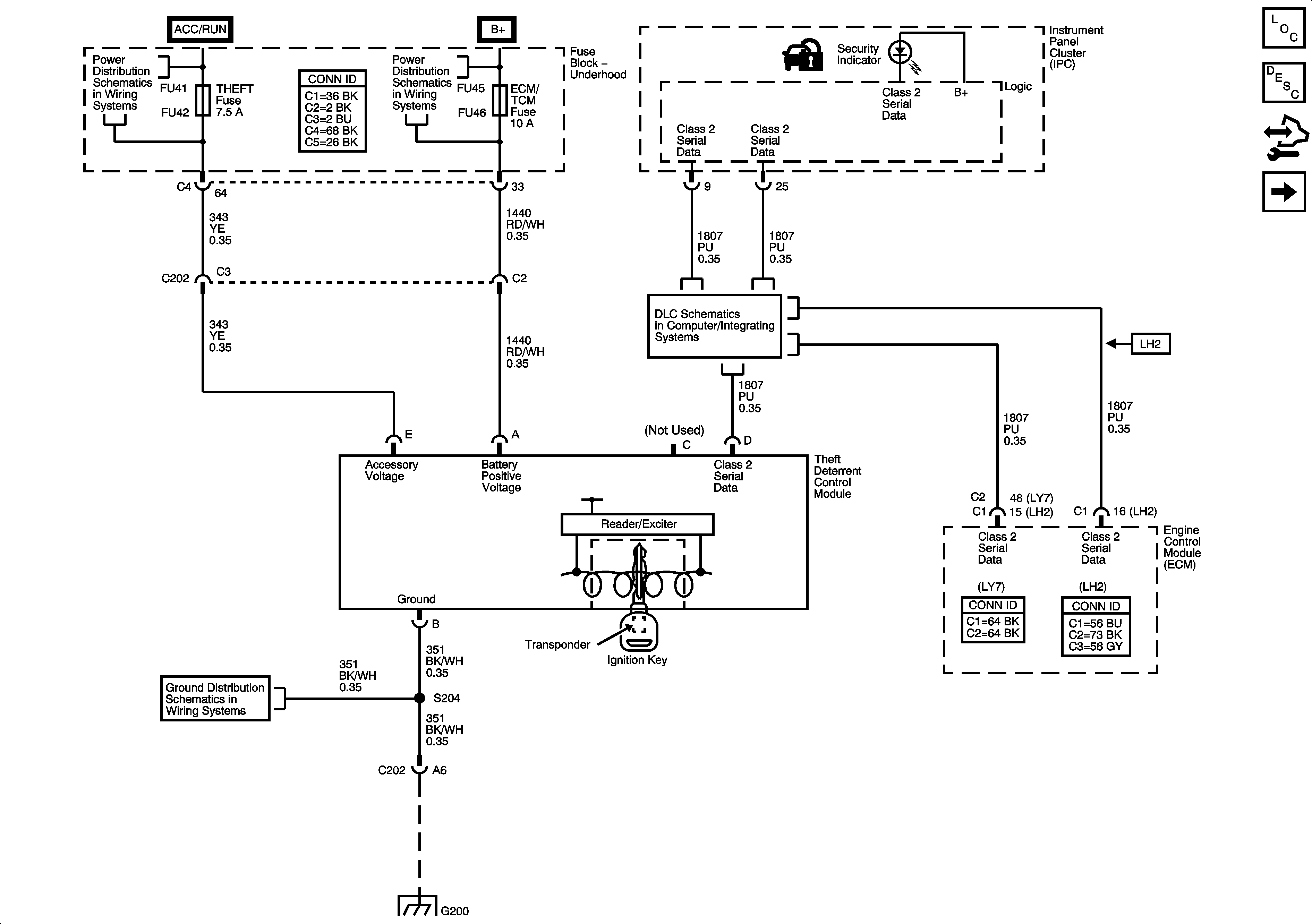
Figure 1:

Vehicle Theft Deterrent (VTD)


Object Number: 1616202  Size: FS
Master Electrical Component List
Vehicle Theft Deterrent (VTD) Description and Operation
Control Module References
CTD Sensors and Sirens (UA2)
RIM and THEFT Fuses and Ignition Switch 2 of 2
Class 2 Serial Data 1 of 2
G200
G200
Figure 2:

Content Theft Deterrent (CTD) Sensors and Sirens (UA2)


Object Number: 1616203  Size: FS
Master Electrical Component List
Content Theft Deterrent (CTD) Description and Operation
Control Module References
Content Theft Deterrent (CTD)
Vehicle Theft Deterrent (VTD)
G402 1 of 2
Fuse Block Right Rear B+ Bus
AIR BAG, CCP (RUN), EBCM (RUN), HDLP LEVELING, IGN 1 AND IGN 3 FUSES
AIR BAG, CCP (RUN), EBCM (RUN), HDLP LEVELING, IGN 1 AND IGN 3 FUSES
G402 1 of 2
G401 2 of 2
Fuse Block Right Rear B+ Bus
06 ESUV-Fuse Block Left Rear B+ Bus
FFSM, FFS SW AND THEFT FUSES AND SEAT CIRCUIT BREAKER
Figure 3:

Content Theft Deterrent (CTD)


Object Number: 1616204  Size: FS
Master Electrical Component List
Content Theft Deterrent (CTD) Description and Operation
Control Module References
CTD Sensors and Sirens (UA2)
Class 2 Serial Data 1 of 2
Class 2 Serial Data 1 of 2
Horns Schematics
Park Lamp Controls and Indicators
G101