GM Service Manual Online
For 1990-2009 cars only
Figure 1:

Power, Ground, Serial Data and MIL


Object Number: 1613937  Size: FS
Master Electrical Component List
Engine Control Module Description
Control Module References
Data Sensors-5 Volt and Low Reference
Engine Controls Schematic Icons
Fuse Block Underhood B+ Bus
Cooling Fans
Fuse Block Underhood B+ Bus
CCP B+, DIM/ALDL, EBCM B+, ECM/TCM, Flasher, and VOLT CHECK Fuses
RIM and THEFT Fuses and Ignition Switch 2 of 2
RIM and THEFT Fuses and Ignition Switch 2 of 2
Fuse Block Underhood B+ Bus
ABS, STARTER RLY, STRG CTLS, TCM/IPC, AND WASH NOZ FUSES
RIM and THEFT Fuses and Ignition Switch 2 of 2
G104
IGN SW Fuse and Ignition Switch 1 of 2
CCP B+, DIM/ALDL, EBCM B+, ECM/TCM, Flasher, and VOLT CHECK Fuses
0G100-LH2
Power, Ground, GMLAN and Key Word 2000 Serial Data
Engine Controls Schematic Icons
Class 2 Serial Data 1 of 2
G104
Figure 2:

Engine Data Sensors - 5-Volt and Low Reference


Object Number: 1613938  Size: FS
Master Electrical Component List
Engine Control Module Description
Control Module References
Engine Data Sensors-Pressure, Temp, MAF, VSS, and Extended Travel Brake Switch
Power, Ground, Serial Data and MIL
Engine Controls Schematic Icons
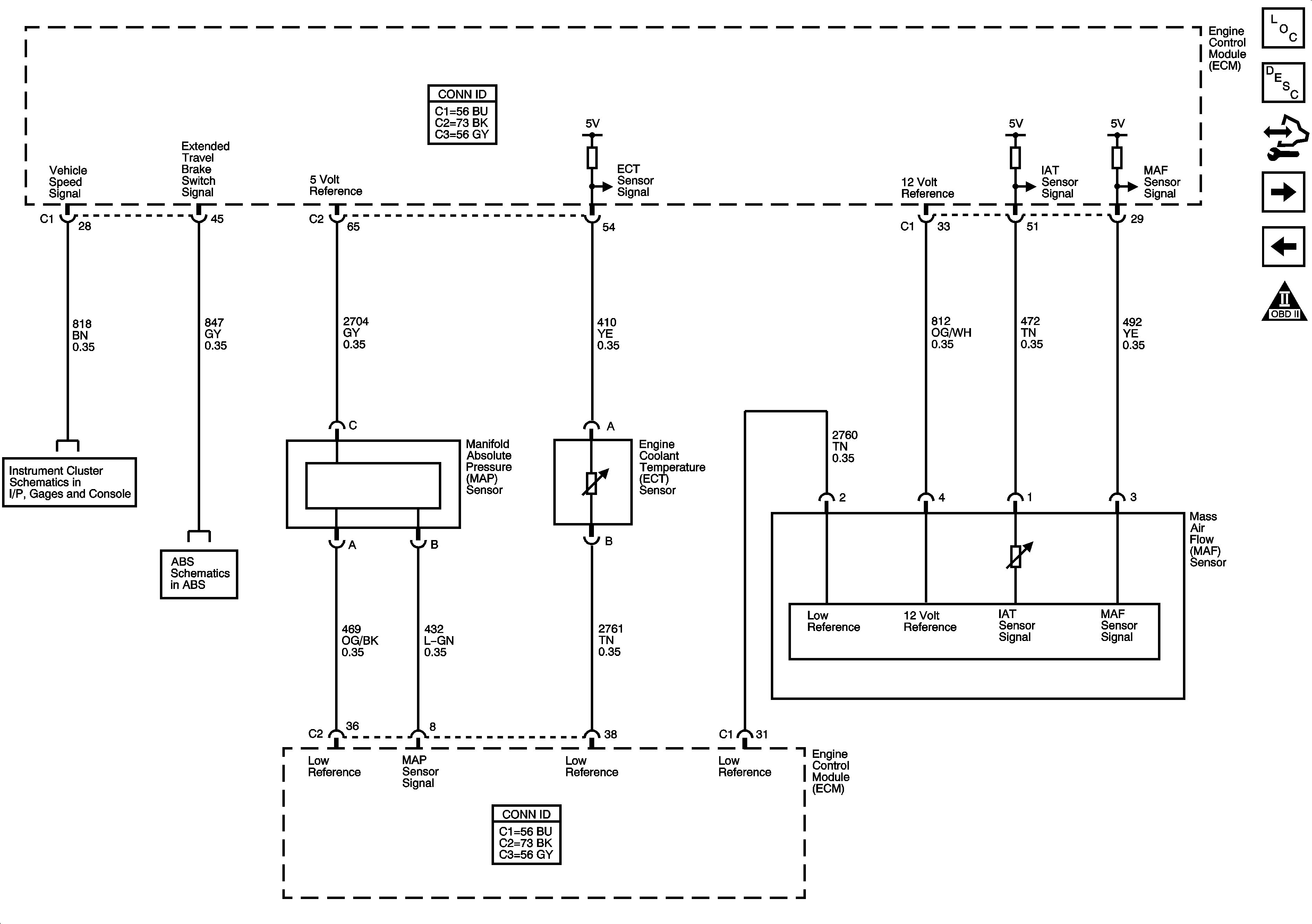
Figure 3:

Engine Data Sensors - Pressure, Temperature, MAF, VSS and Extended Travel Brake Switch


Object Number: 1613940  Size: FS
Master Electrical Component List
Engine Control Module Description
Control Module References
Engien Data Sensors-Oxygen Sensors
Data Sensors-5 Volt and Low Reference
Engine Controls Schematic Icons
Gages
Indicator, Traction Control, and Brake Pedal Position
Figure 4:

Engine Data Sensors - Oxygen Sensors


Object Number: 1613942  Size: FS
Master Electrical Component List
Fuel System Description
Control Module References
Engine Data Sensors-Electronic Throttle Controls
Engine Data Sensors-Pressure, Temp, MAF, VSS, and Extended Travel Brake Switch
Engine Controls Schematic Icons
Cooling Fans
06 ESUV-HFVG, PRE 02/CAM, and V8 ECM Fuses
Figure 5:

Engine Data Sensors - Electronic Throttle Controls


Object Number: 1613943  Size: FS
Master Electrical Component List
Throttle Actuator Control (TAC) System Description
Control Module References
Ignition Controls-Bank 1 Ignition Coils
Engien Data Sensors-Oxygen Sensors
Engine Controls Schematic Icons
Engine Controls Schematic Icons
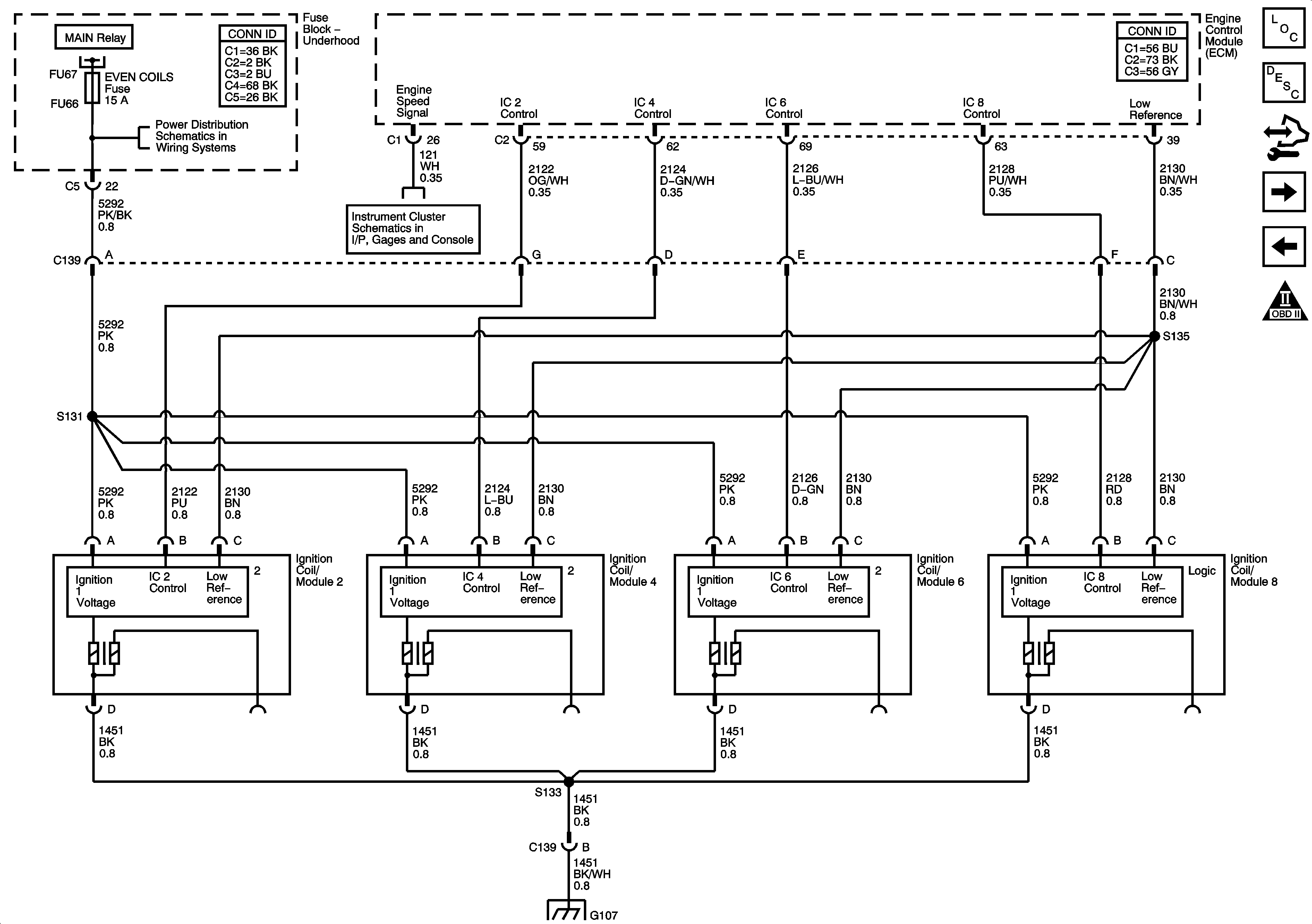
Figure 6:

Ignition Controls - Bank 1 Ignition Coils


Object Number: 1613947  Size: FS
Master Electrical Component List
Electronic Ignition (EI) System Description
Control Module References
Ignition Controls-Bank 2 Ignition Coils
Engine Data Sensors-Electronic Throttle Controls
Engine Controls Schematic Icons
Cooling Fans
EVEN COILS, ODD COILS, and POST 02 Fuses
G102, 105, 107, 108, 109, 110
Figure 7:

Ignition Controls - Bank 2 Ignition Coils


Object Number: 1613948  Size: FS
Master Electrical Component List
Electronic Ignition (EI) System Description
Control Module References
Ignition Controls-CMP Sensors and Solenoids
Ignition Controls-Bank 1 Ignition Coils
Engine Controls Schematic Icons
Cooling Fans
EVEN COILS, ODD COILS, and POST 02 Fuses
Gages
G102, 105, 107, 108, 109, 110
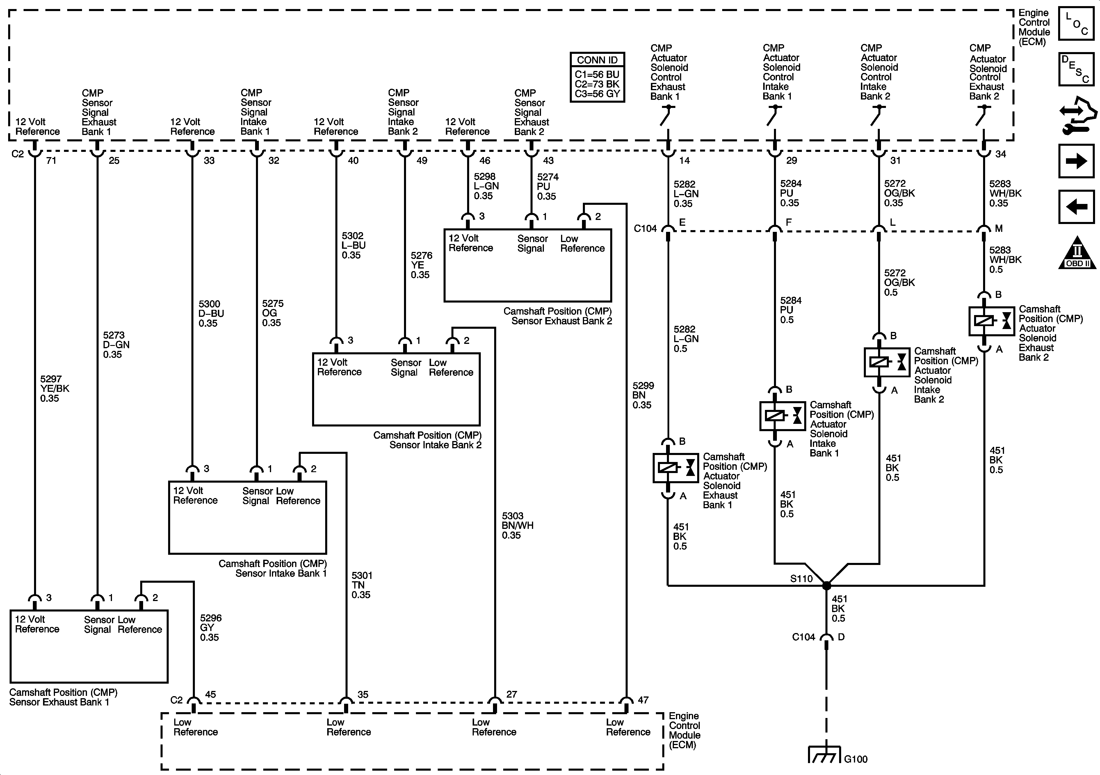
Figure 8:

Ignition Controls - CMP Sensors and Solenoids


Object Number: 1613949  Size: FS
Master Electrical Component List
Camshaft Actuator System Description
Control Module References
Ignition Controls-CKP and Knock Sensors
Ignition Controls-Bank 2 Ignition Coils
Engine Controls Schematic Icons
0G100-LH2
Figure 9:

Ignition Controls - CKP andf Knock Sensors


Object Number: 1613950  Size: FS
Master Electrical Component List
Electronic Ignition (EI) System Description
Control Module References
Fuel Controls-Fuel Pump and Injectors
Ignition Controls-CMP Sensors and Solenoids
Engine Controls Schematic Icons
Engine Controls Schematic Icons
Engine Controls Schematic Icons
Engine Controls Schematic Icons
Engine Controls Schematic Icons
Engine Controls Schematic Icons
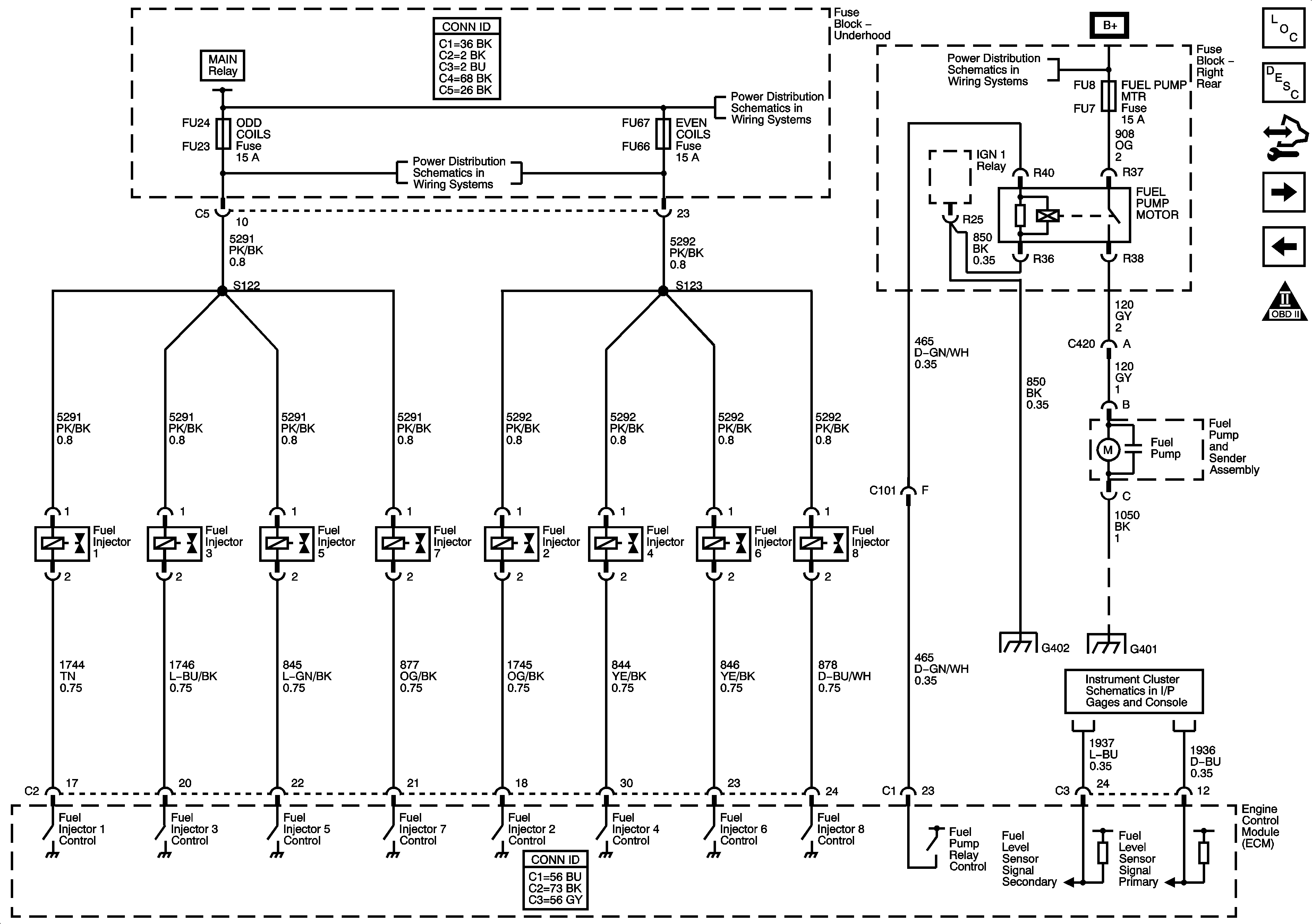
Figure 10:

Fuel Controls - Fuel Pump and Injectors


Object Number: 1613954  Size: FS
Master Electrical Component List
Fuel System Description
Control Module References
Fuel Control-EVAP Controls
Ignition Controls-CKP and Knock Sensors
Engine Controls Schematic Icons
Cooling Fans
EVEN COILS, ODD COILS, and POST 02 Fuses
EVEN COILS, ODD COILS, and POST 02 Fuses
Fuse Block Right Rear B+ Bus
G402 1 of 2
G401 1 of 2
Figure 11:

Fuel Controls - EVAP Controls


Object Number: 1613955  Size: FS
Master Electrical Component List
Evaporative Emission Control System Description
Control Module References
Controlled/Monitored Subsystem References
Fuel Controls-Fuel Pump and Injectors
Engine Controls Schematic Icons
Cooling Fans
06 ESUV-HFVG, PRE 02/CAM, and V8 ECM Fuses
Fuse Block Right Rear B+ Bus
Figure 12:

Controlled/Monitored Subsystem References


Object Number: 1613958  Size: FS
Master Electrical Component List
Engine Control Module Description
Control Module References
Fuel Control-EVAP Controls
Engine Controls Schematic Icons
Power, Ground, Serial Data and Switches
Starting System
Charging System
Indicator, Traction Control, and Brake Pedal Position
Power, Ground, Serial Data and Switches
Power, Ground, Serial Data and Switches
Power, Ground, Serial Data and Controls
Indicators
Power, Ground, Serial Data and Controls
Power, Ground, Serial Data and Controls
Power, Ground, Serial Data and Controls