GM Service Manual Online
For 1990-2009 cars only
Figure 1:

Fuse Block - Underhood B+ Bus


Object Number: 1615484  Size: FS
Master Electrical Component List
Control Module References
Fuse Block Right Rear B+ Bus
Figure 2:

Fuse Block - Right Rear B+ Bus


Object Number: 1615485  Size: FS
Master Electrical Component List
Control Module References
06 ESUV-Fuse Block Left Rear B+ Bus
Fuse Block Underhood B+ Bus
Fuse Block Underhood B+ Bus
Figure 3:

Fuse Block - Left Rear B+ Bus


Object Number: 1615489  Size: FS
Master Electrical Component List
Control Module References
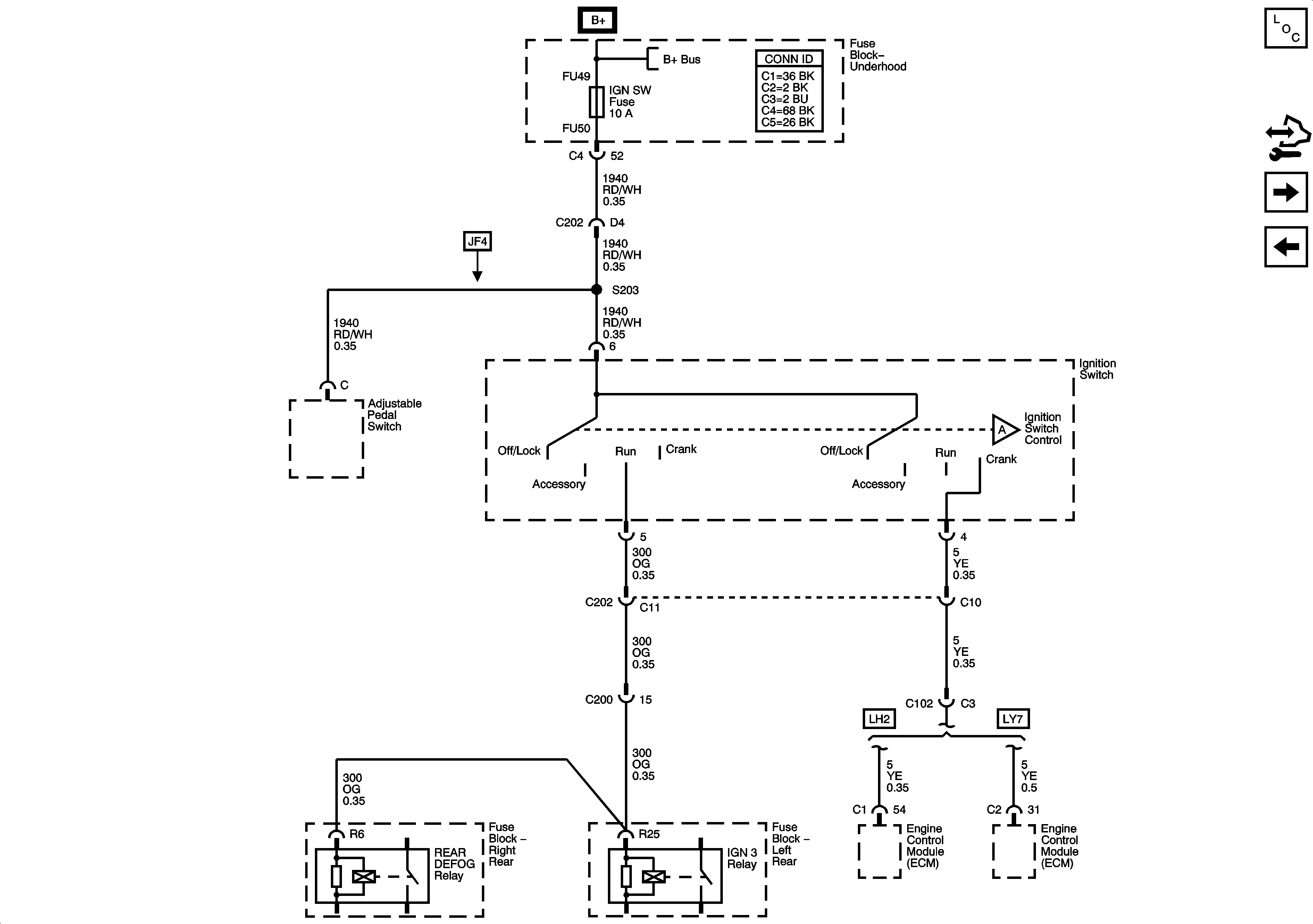
IGN SW Fuse and Ignition Switch 1 of 2
Fuse Block Right Rear B+ Bus
Fuse Block Underhood B+ Bus
Figure 4:

IGN SW Fuse and Ignition Switch 1 of 2


Object Number: 1615490  Size: FS
Master Electrical Component List
Control Module References
RIM and THEFT Fuses and Ignition Switch 2 of 2
06 ESUV-Fuse Block Left Rear B+ Bus
Fuse Block Underhood B+ Bus
RIM and THEFT Fuses and Ignition Switch 2 of 2
Figure 5:

RIM and THEFT Fuses and Ignition Switch 2 of 2


Object Number: 1615492  Size: FS
Master Electrical Component List
Control Module References
LIC/DIMMING, LT PARK, and RT PARK Fuses
IGN SW Fuse and Ignition Switch 1 of 2
Fuse Block Right Rear B+ Bus
IGN SW Fuse and Ignition Switch 1 of 2
Figure 6:

LIC/DIMMING, LT PARK, and RT PARK Fuses


Object Number: 1615493  Size: FS
Master Electrical Component List
Control Module References
06 ESUV-HFVG, PRE 02/CAM, and V8 ECM Fuses
RIM and THEFT Fuses and Ignition Switch 2 of 2
Fuse Block Underhood B+ Bus
Figure 7:

HFVG, PRE 02/CAM, and V8 ECM Fuses


Object Number: 1615494  Size: FS
Master Electrical Component List
Control Module References
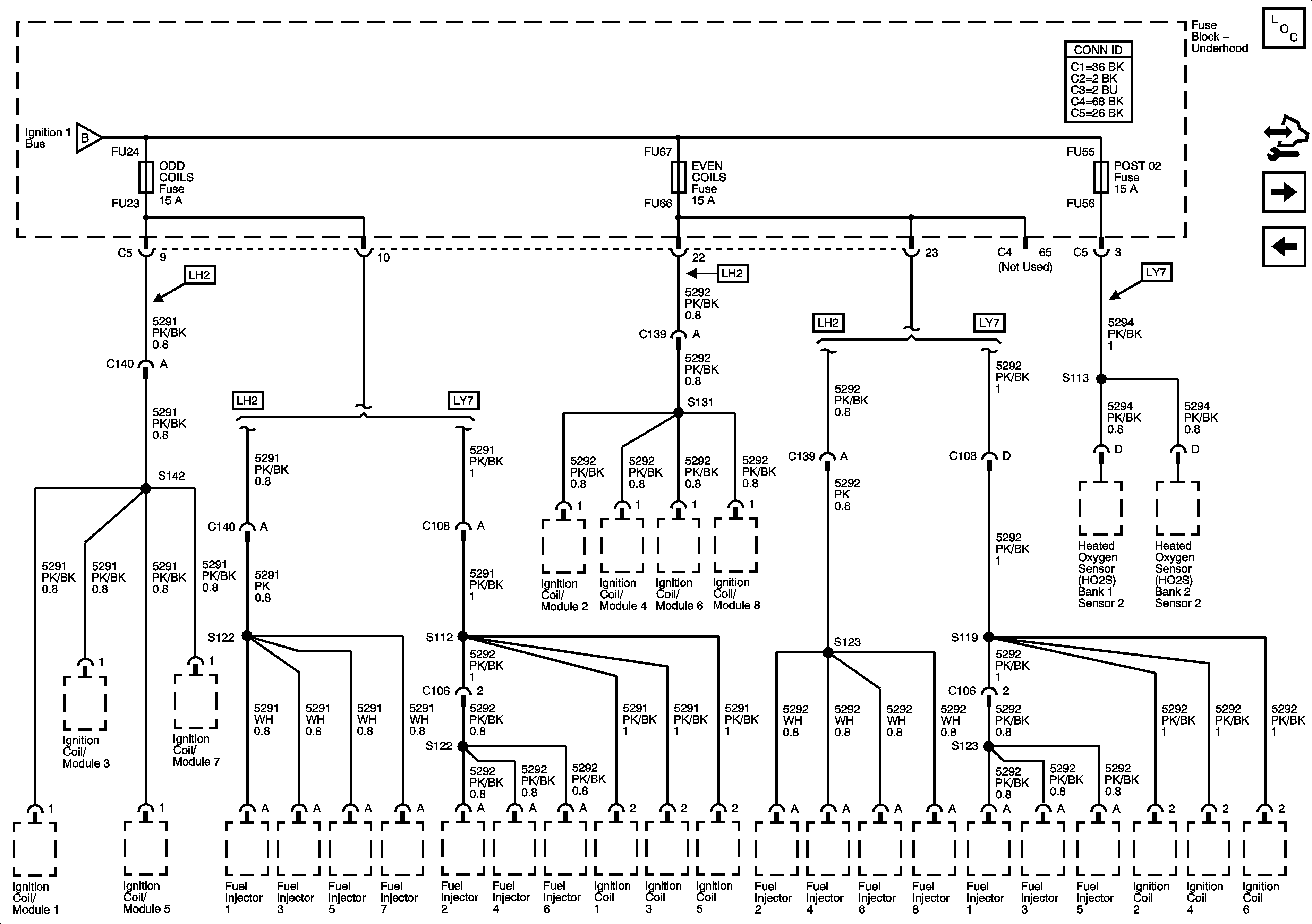
EVEN COILS, ODD COILS, and POST 02 Fuses
LIC/DIMMING, LT PARK, and RT PARK Fuses
Fuse Block Underhood B+ Bus
Fuse Block Underhood B+ Bus
EVEN COILS, ODD COILS, and POST 02 Fuses
Figure 8:

EVEN COILS, ODD COILS, and POST 02 Fuses


Object Number: 1615495  Size: FS
Master Electrical Component List
Control Module References
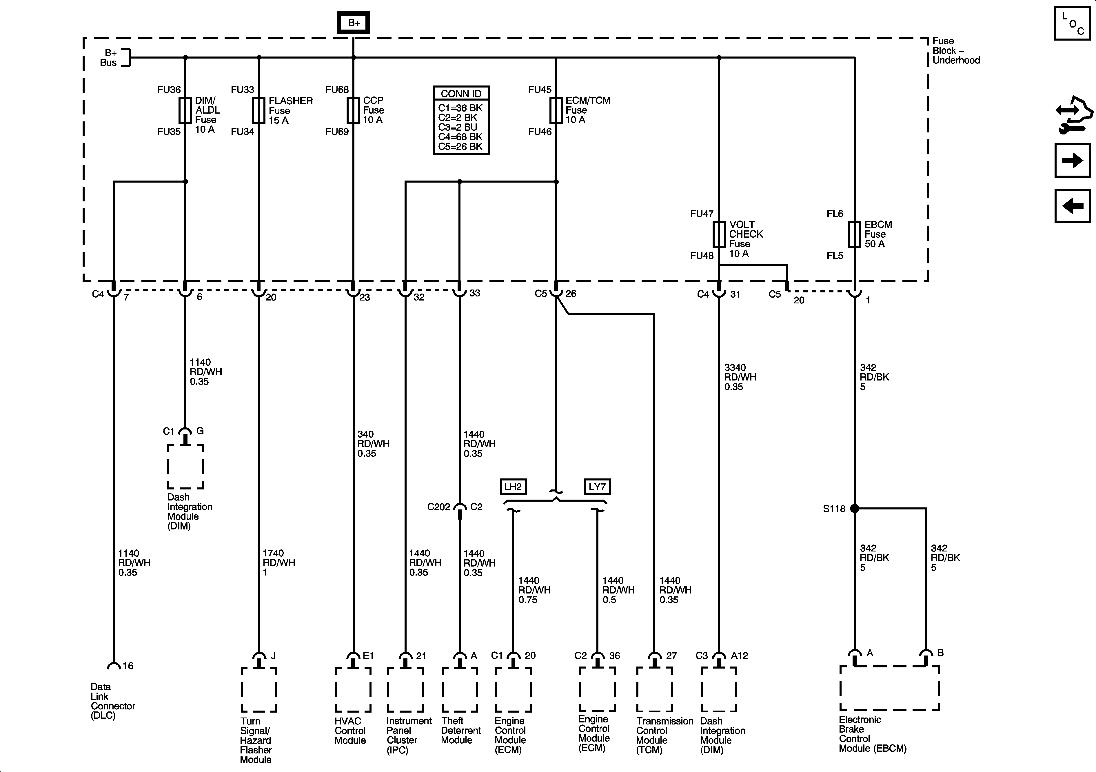
CCP B+, DIM/ALDL, EBCM B+, ECM/TCM, Flasher, and VOLT CHECK Fuses
06 ESUV-HFVG, PRE 02/CAM, and V8 ECM Fuses
06 ESUV-HFVG, PRE 02/CAM, and V8 ECM Fuses
Figure 9:

CCP (B+) DIM/ALDL, EBCM (B+) ECM/TCM, FLASHER, and VOLT CHECK Fuses


Object Number: 1615497  Size: FS
Master Electrical Component List
Control Module References
AIR BAG, CCP (RUN), EBCM (RUN), HDLP LEVELING, IGN 1 AND IGN 3 FUSES
EVEN COILS, ODD COILS, and POST 02 Fuses
Fuse Block Underhood B+ Bus
Figure 10:

I/P OUTLET, LT HI BEAM, LT LOW BEAM, OUTLET, RT HI BEAM, and RT LOW BEAM Fuses


Object Number: 1615498  Size: FS
Figure 11:

AIR BAG, CCP (RUN), EBCM (RUN), HDLP LEVELING, ING 1, and IGN 3 Fuses


Object Number: 1615501  Size: FS
Master Electrical Component List
Control Module References
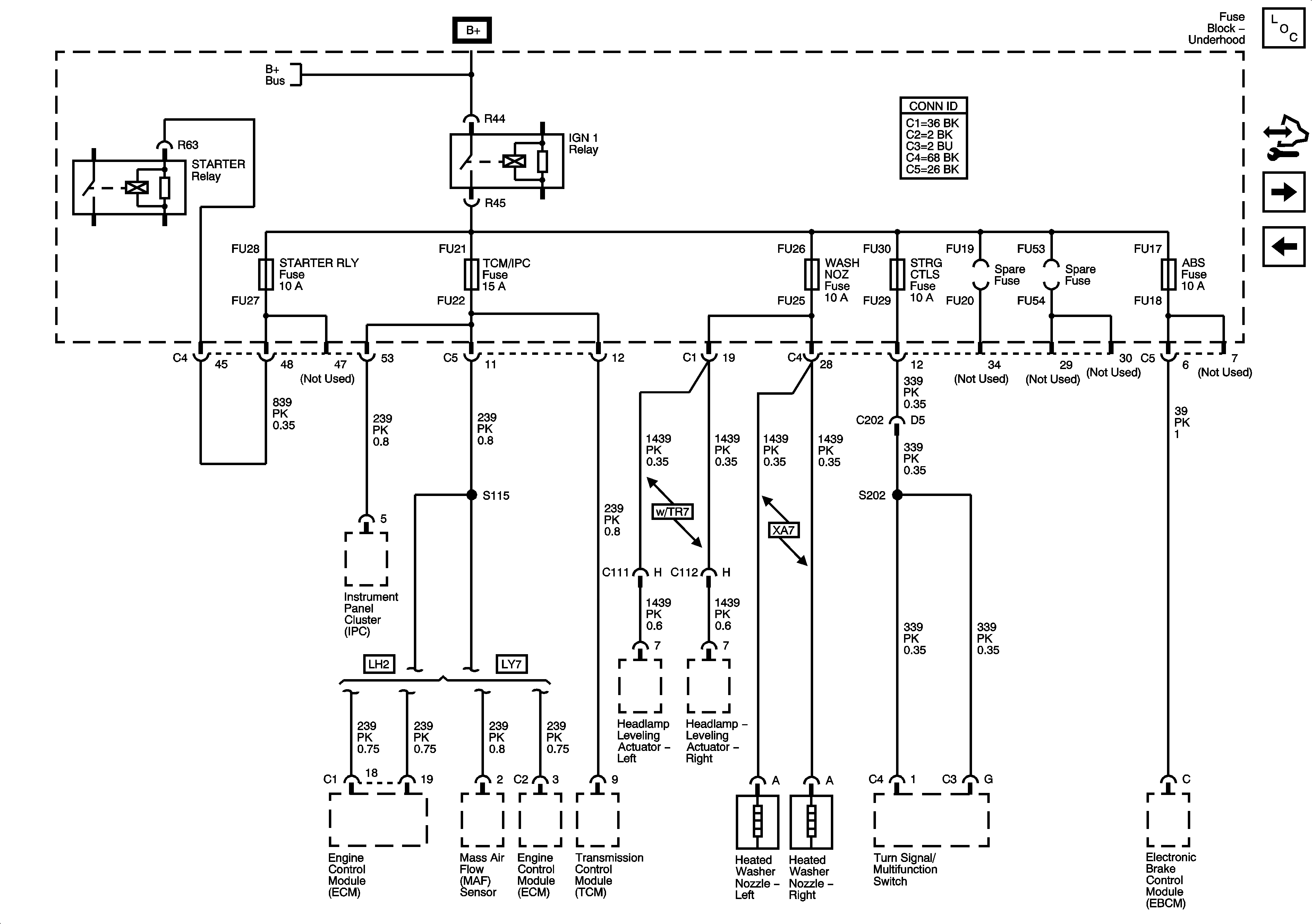
ABS, STARTER RLY, STRG CTLS, TCM/IPC, AND WASH NOZ FUSES
CCP B+, DIM/ALDL, EBCM B+, ECM/TCM, Flasher, and VOLT CHECK Fuses
Fuse Block Right Rear B+ Bus
Figure 12:

ABS, STARTER RLY, STRG CTLS, TCM/IPC, and WASH NOZ Fuses


Object Number: 1615503  Size: FS
Master Electrical Component List
Control Module References
AMP, AUDIO, DRIVER DR MOD, ELC COMP, L FRT HTD SEAT MOD, MEM/ADAPT SEAT, AND REAR DR MOD FUSES
AIR BAG, CCP (RUN), EBCM (RUN), HDLP LEVELING, IGN 1 AND IGN 3 FUSES
Fuse Block Underhood B+ Bus
Figure 13:

AMP, AUDIO, DRIVER DR MOD, ELC COMP, L FRT HTD SEAT MOD, MEM/ADAPT SEAT, and REAR DR MOD Fuses


Object Number: 1615514  Size: FS
Master Electrical Component List
Control Module References
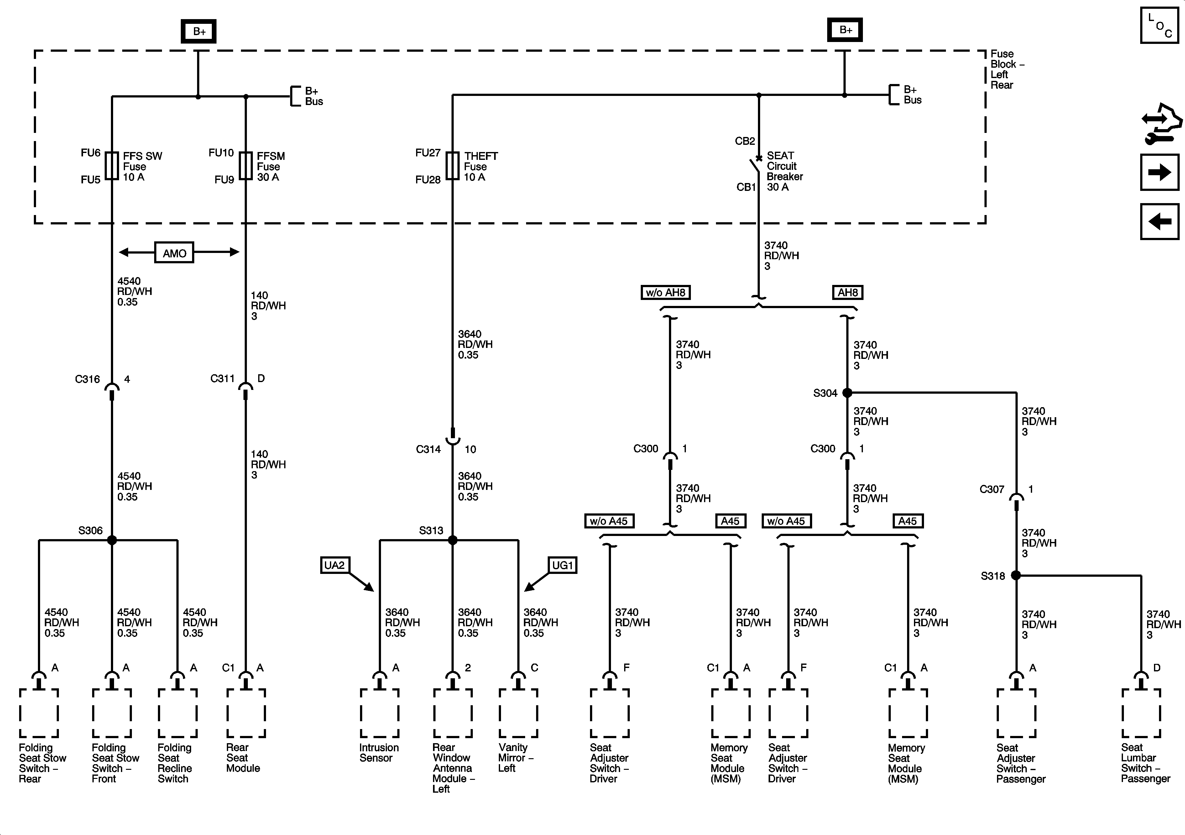
FFSM, FFS SW AND THEFT FUSES AND SEAT CIRCUIT BREAKER
ABS, STARTER RLY, STRG CTLS, TCM/IPC, AND WASH NOZ FUSES
06 ESUV-Fuse Block Left Rear B+ Bus
06 ESUV-Fuse Block Left Rear B+ Bus
Figure 14:

FFSM, FFS SW, and THEFT Fuses and SEAT Circuit Breaker


Object Number: 1615523  Size: FS
Master Electrical Component List
Control Module References
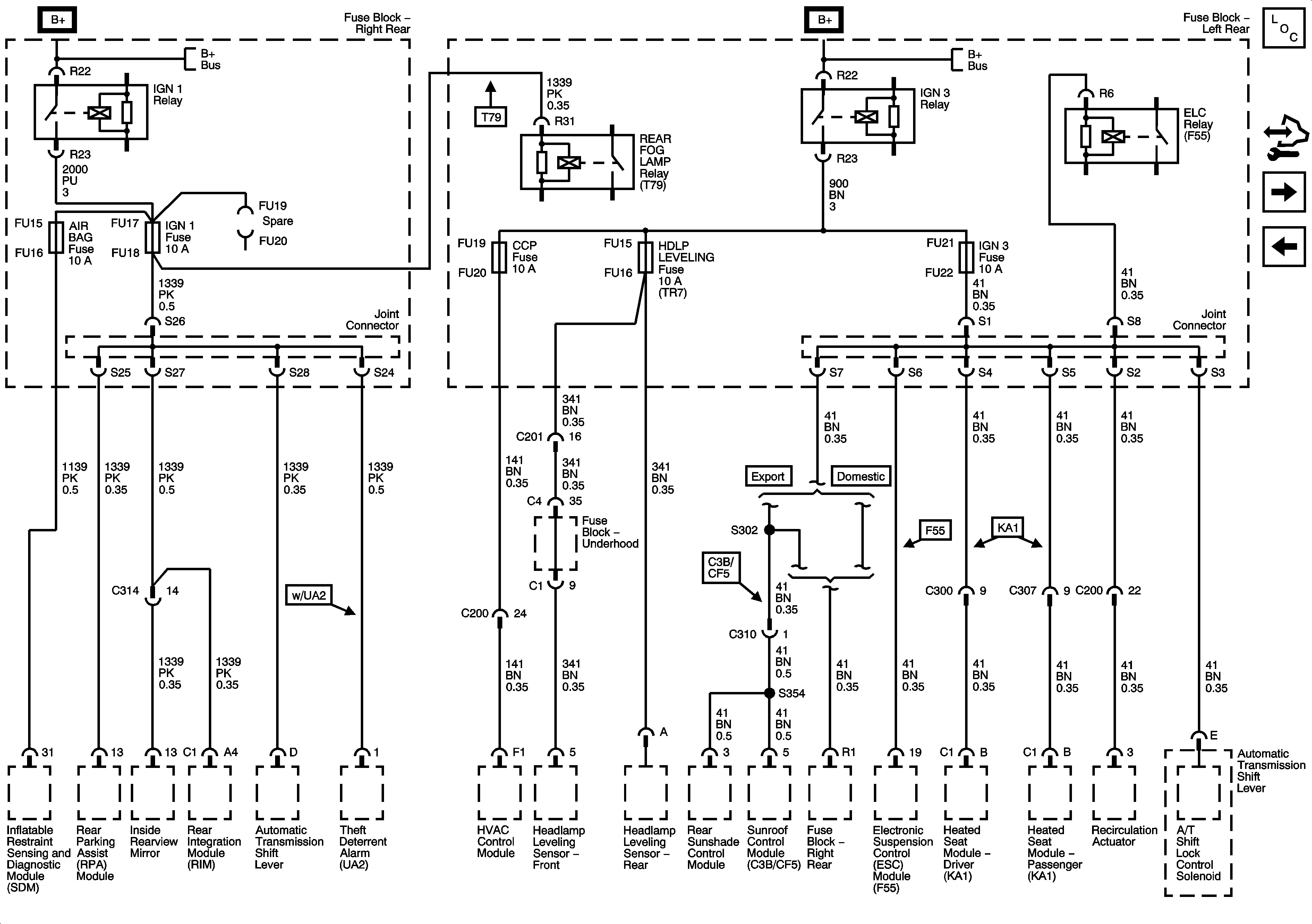
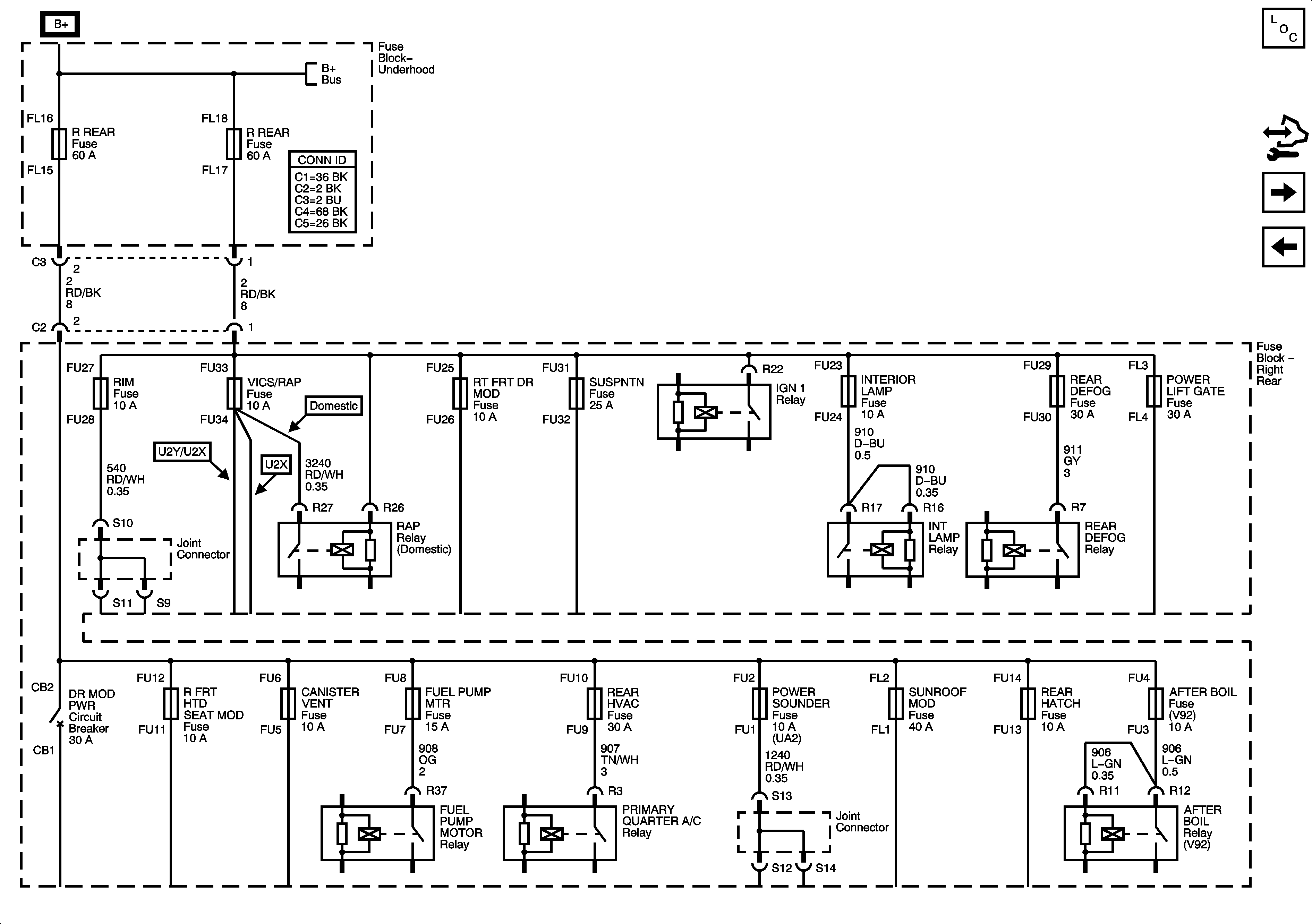
POWER SOUNDER, RIM, RT FRT DR MOD, SUSPNTN, AND VICS/RAP FUSES
AMP, AUDIO, DRIVER DR MOD, ELC COMP, L FRT HTD SEAT MOD, MEM/ADAPT SEAT, AND REAR DR MOD FUSES
06 ESUV-Fuse Block Left Rear B+ Bus
06 ESUV-Fuse Block Left Rear B+ Bus
Figure 15:

POWER SOUNDER, RIM, RT FRT DR MOD, SUSPNTN, and VICS/RAP Fuses


Object Number: 1615531  Size: FS
Master Electrical Component List
Control Module References
CANISTER VENT, DR MOD PWR, REAR HATCH, R FRT HTD SEAT MOD, POWER LIFT GATE and SUNROOF MOD Fuses
FFSM, FFS SW AND THEFT FUSES AND SEAT CIRCUIT BREAKER
Fuse Block Right Rear B+ Bus
Fuse Block Right Rear B+ Bus
Figure 16:

CANISTER VENT, DR MOD PWR, REAR HATCH, R FRT HTD SEAT MOD, POWER LIFT GATE, and SUNROOF MOD Fuses


Object Number: 1615540  Size: FS
Master Electrical Component List
Control Module References
POWER SOUNDER, RIM, RT FRT DR MOD, SUSPNTN, AND VICS/RAP FUSES