GM Service Manual Online
For 1990-2009 cars only
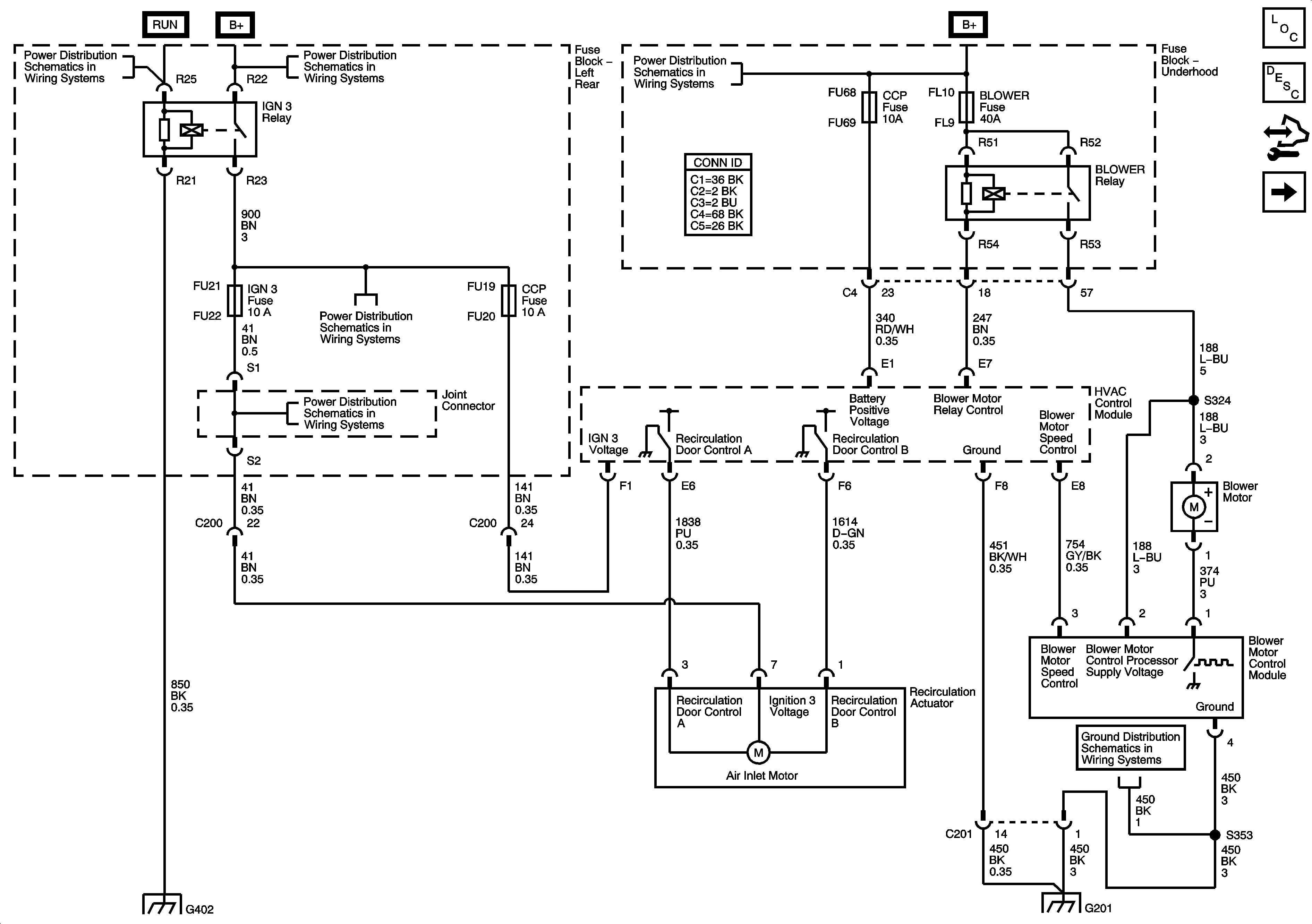
Figure 1:

Power, Ground, Blower Motor and Recirculation Actuator


Object Number: 1613583  Size: FS
Master Electrical Component List
Air Delivery Description and Operation
Control Module References
Serial Data and A/C Compressor Controls
IGN SW Fuse and Ignition Switch 1 of 2
06 ESUV-Fuse Block Left Rear B+ Bus
Fuse Block Underhood B+ Bus
AIR BAG, CCP (RUN), EBCM (RUN), HDLP LEVELING, IGN 1 AND IGN 3 FUSES
AIR BAG, CCP (RUN), EBCM (RUN), HDLP LEVELING, IGN 1 AND IGN 3 FUSES
G401 1 of 2
G201
Figure 2:

Serial Data and A/C Compressor Controls


Object Number: 1613584  Size: FS
Master Electrical Component List
Air Delivery Description and Operation
Control Module References
Air Delivery and Temp Controls
Power, Ground, Blower and Recirculation Actuator
Indicators and Pump
Class 2 Serial Data 1 of 2
RIM and THEFT Fuses and Ignition Switch 2 of 2
Fuse Block Underhood B+ Bus
Engine Data Sensors-Low Reference
Engine Data Sensors-5 Volt Reference
0G100-LH2
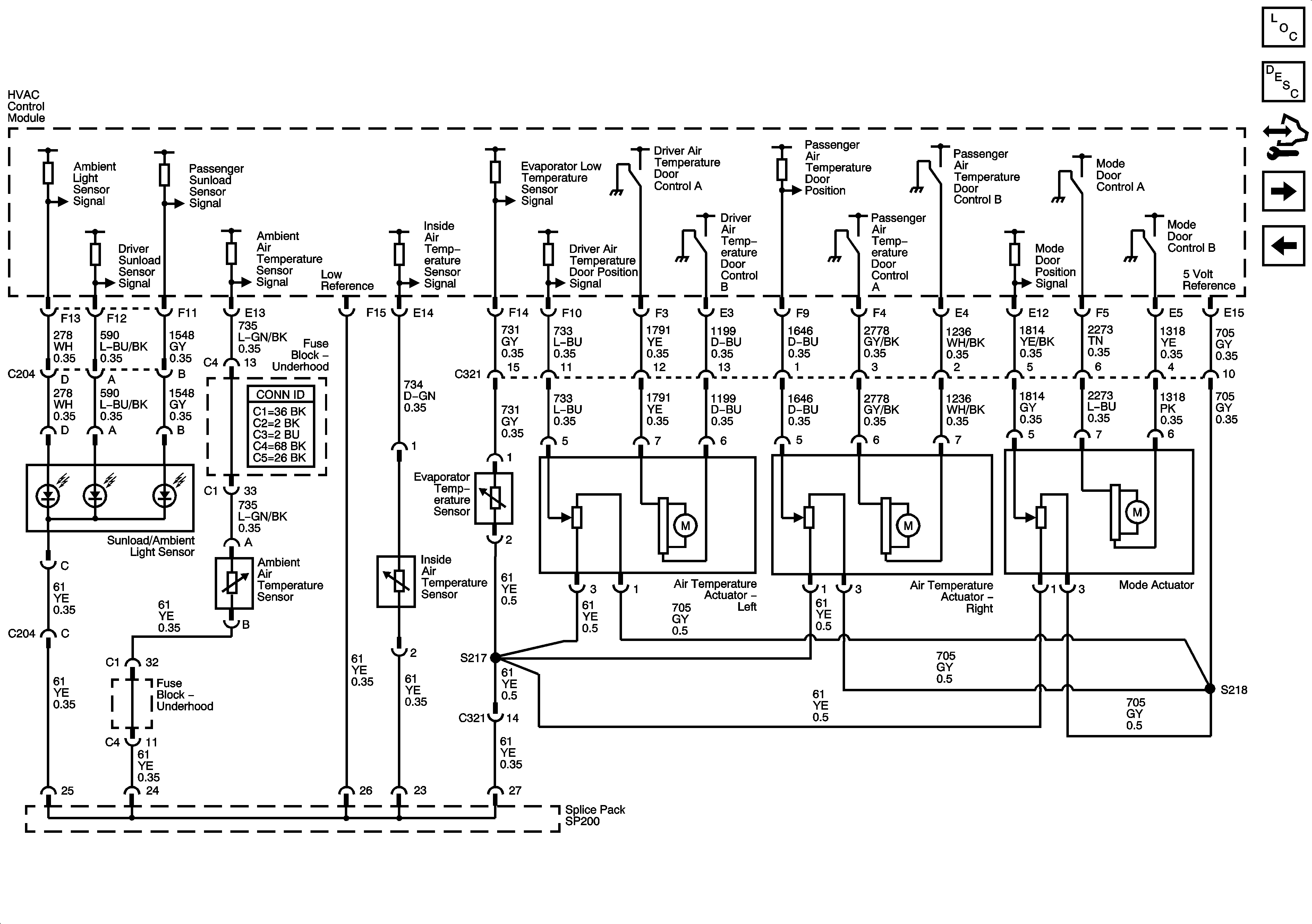
Figure 3:

Air Delivery and Temperature Controls


Object Number: 1613585  Size: FS
Master Electrical Component List
Air Temperature Description and Operation
Control Module References
Auxiliary Blower
Serial Data and A/C Compressor Controls
Figure 4:

Auxiliary Blower Motor (C57)


Object Number: 1613589  Size: FS
Master Electrical Component List
Air Delivery Description and Operation
Control Module References
Air Delivery and Temp Controls
Fuse Block Right Rear B+ Bus
G402 1 of 2
G401 2 of 2