GM Service Manual Online
For 1990-2009 cars only
Makes
🢒
Cadillac
🢒
2006
🢒
SRX
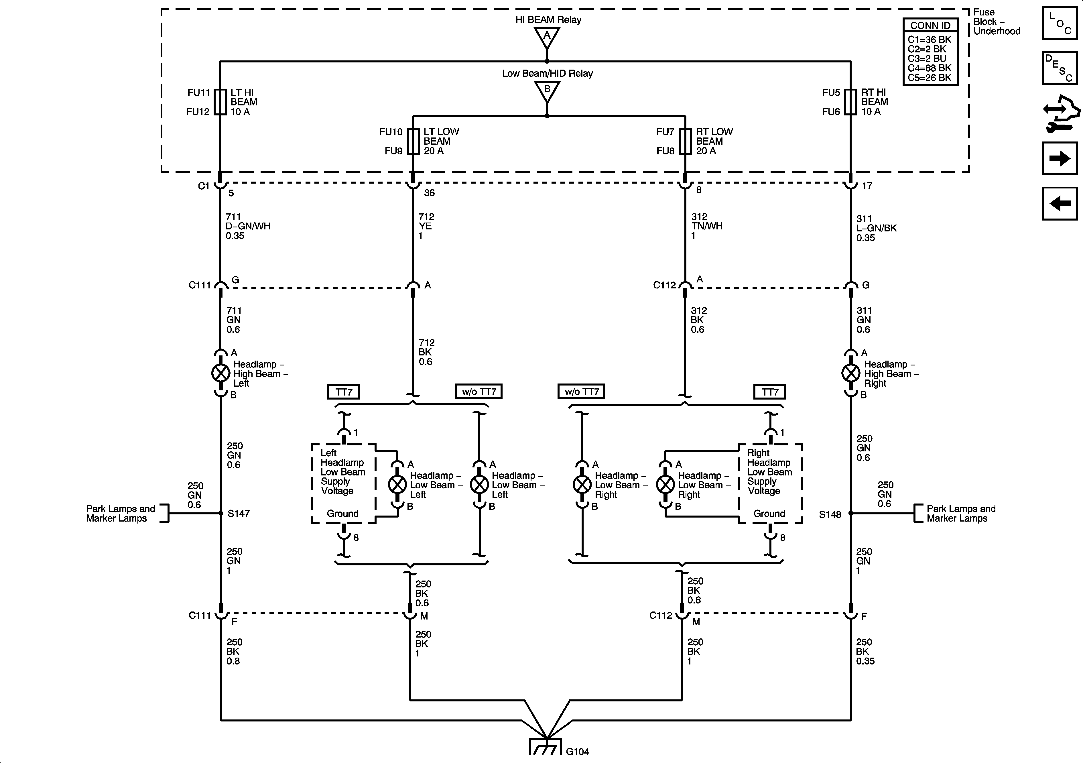
🢒 Headlamps-Export
Headlamps-Export
Headlamps - Export
Master Electrical Component List
Exterior Lighting Systems Description and Operation
Control Module References
DRL Domestic
Headlamps-Domestic
Headlamp Controls
Headlamp Controls
Parking Lamps-Export
Parking Lamps-Export
G104