GM Service Manual Online
For 1990-2009 cars only
Makes
🢒
Cadillac
🢒
2006
🢒
SRX
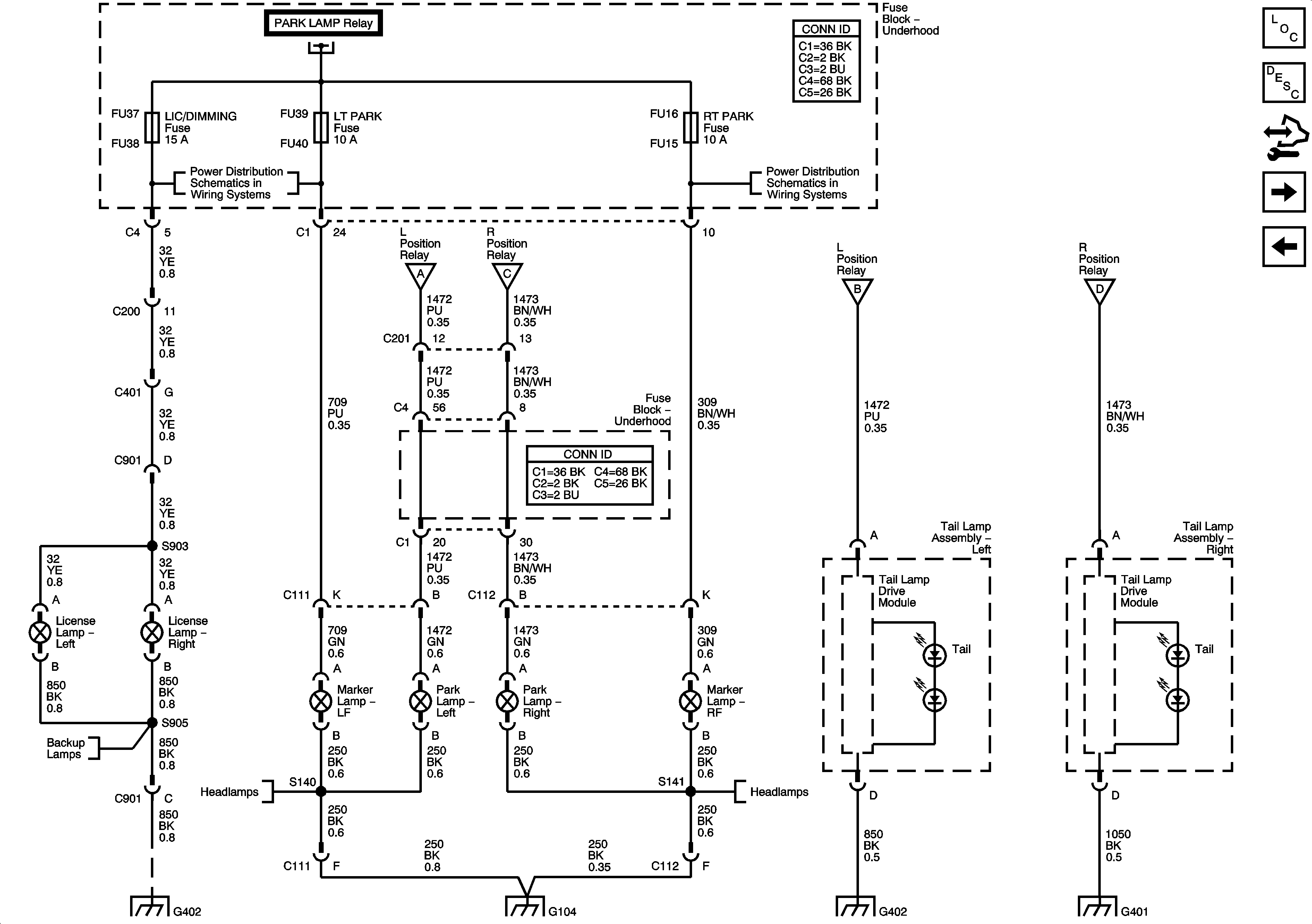
🢒 Parking Lamps-Export
Parking Lamps-Export
Parking Lamps - Export
Master Electrical Component List
Exterior Lighting Systems Description and Operation
Control Module References
Backup Lamps
Turn Lamps-Export
Park Lamp Controls and Indicators
Position Lamp Controls-Export
Position Lamp Controls-Export
Position Lamp Controls-Export
Position Lamp Controls-Export
Backup Lamps
Headlamps-Export
Headlamps-Export
G402 2 of 2
G104
G402 1 of 2
G401 1 of 2