GM Service Manual Online
For 1990-2009 cars only
Makes
🢒
Cadillac
🢒
2006
🢒
SRX
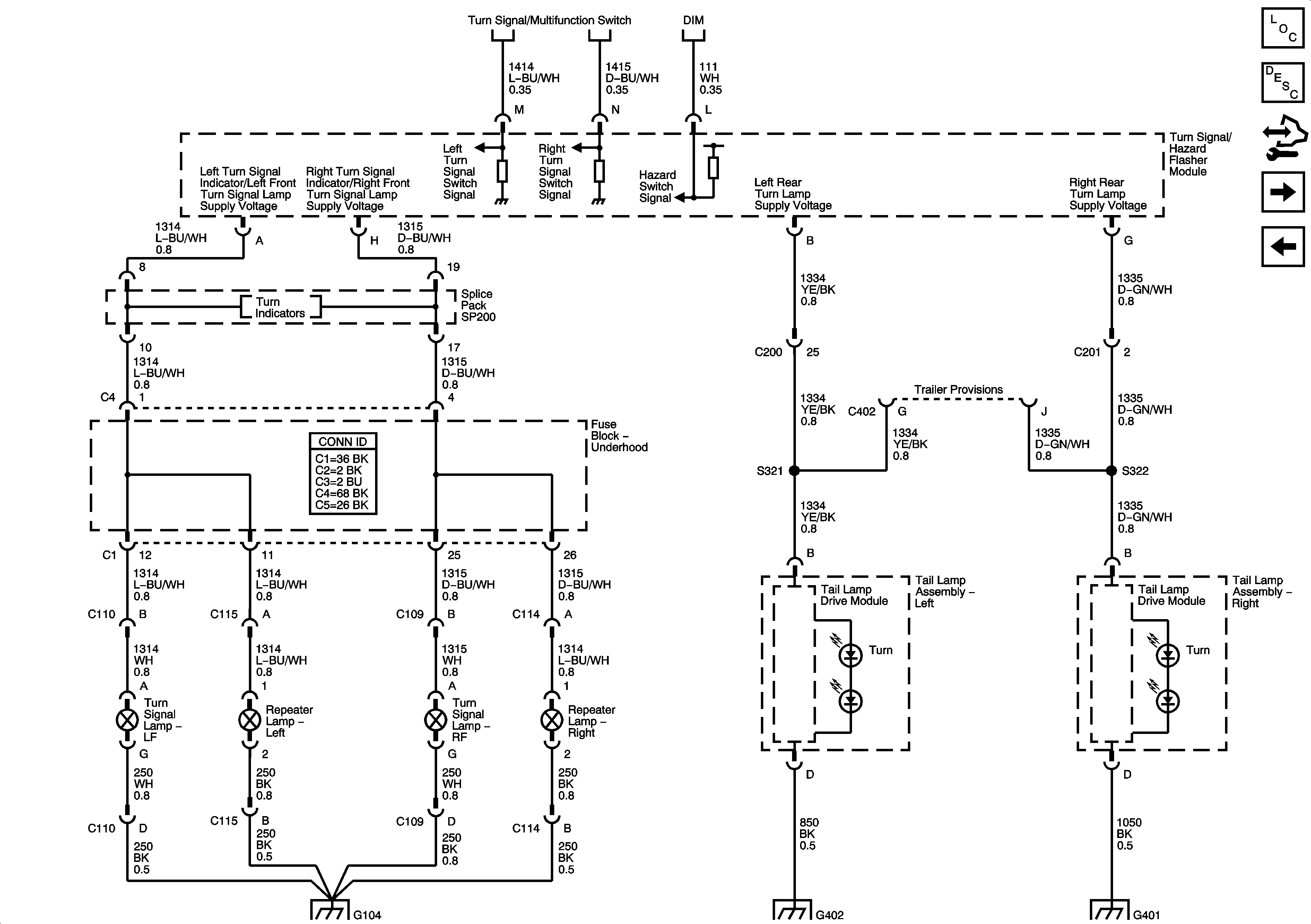
🢒 Turn Lamps-Export
Turn Lamps-Export
Turn Lamps - Export
Master Electrical Component List
Exterior Lighting Systems Description and Operation
Control Module References
Parking Lamps-Export
Turn Lamps-Domestic
Turn Signal/Hazard Flasher Module
Turn Signal/Hazard Flasher Module
Turn Signal/Hazard Flasher Module
G104
G402 1 of 2
G401 1 of 2