GM Service Manual Online
For 1990-2009 cars only
Makes
🢒
Cadillac
🢒
2006
🢒
SRX
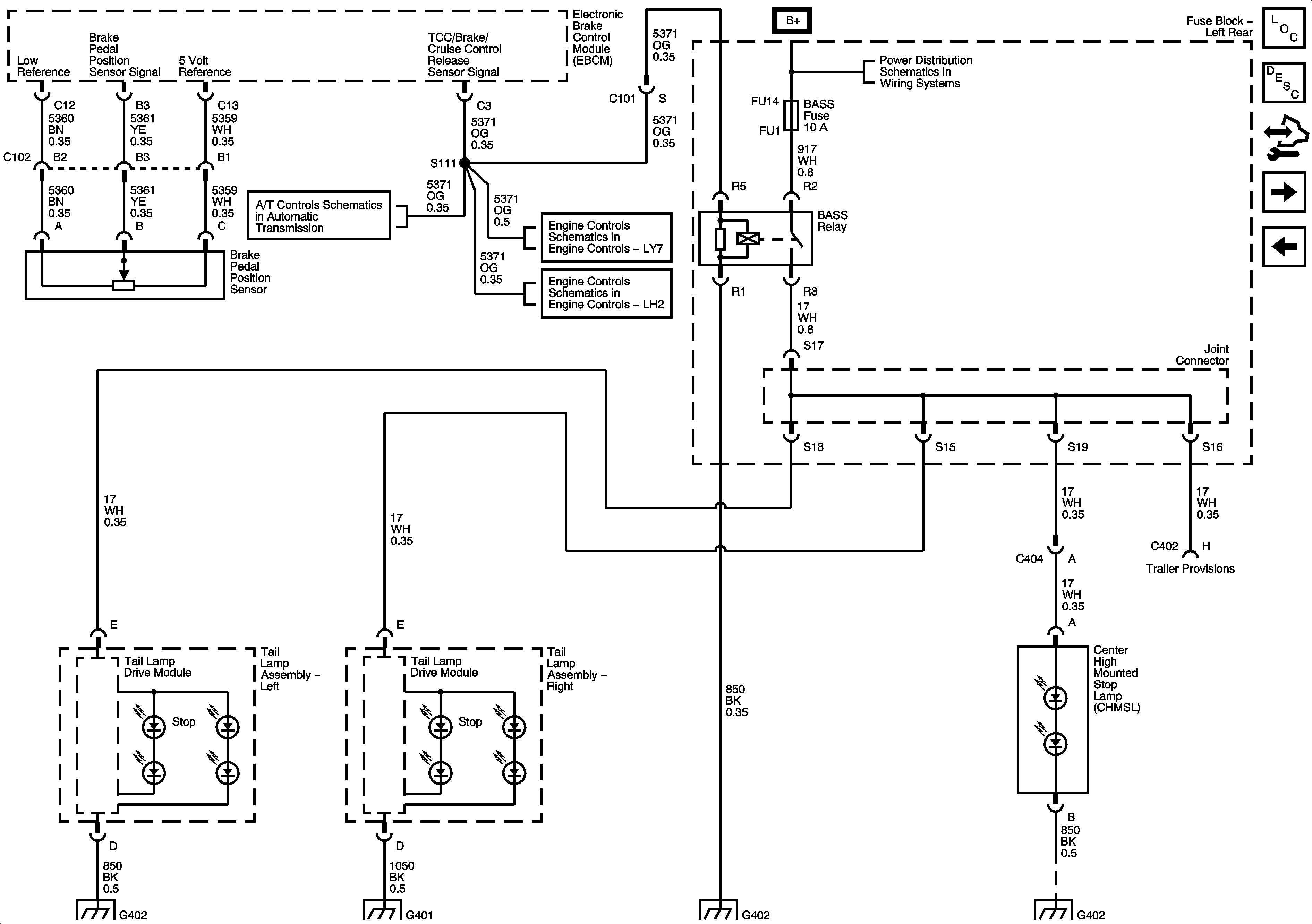
🢒 Tail Lamps and Stop Lamps-Export
Tail Lamps and Stop Lamps-Export
Tail Lamps and Stop Lamps - Export
Master Electrical Component List
Exterior Lighting Systems Description and Operation
Control Module References
Turn Lamps-Domestic
Tail Lamps and Stop Lamps-Domestic
Indicator, Traction Control, and Brake Pedal Position
Controlled/Monitored Subsystem References
Controlled/Monitored Subsystem References
06 ESUV-Fuse Block Left Rear B+ Bus
G402 1 of 2
G401 1 of 2
G402 1 of 2
G402 2 of 2