GM Service Manual Online
For 1990-2009 cars only
Makes
🢒
Cadillac
🢒
2006
🢒
SRX
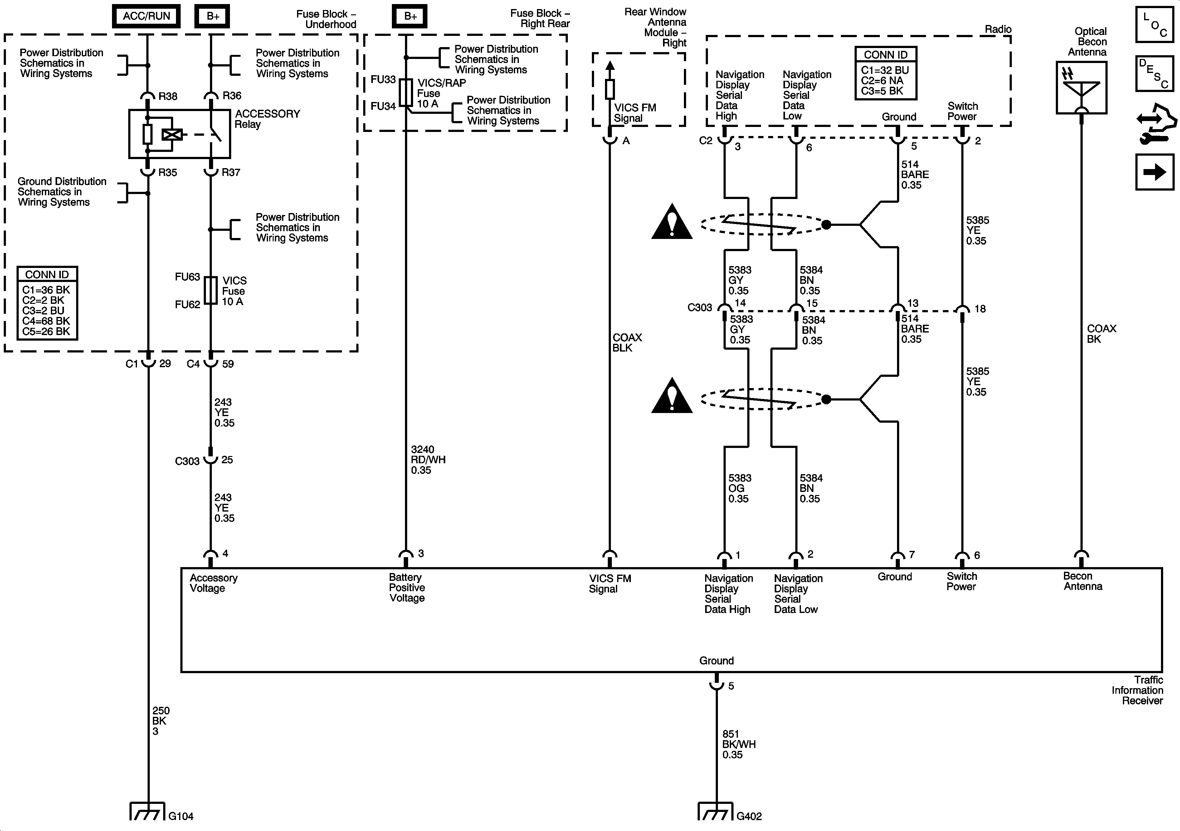
🢒 Traffic Information Receiver (U2X)
Traffic Information Receiver (U2X)
Traffic Information Receiver (U2X)
Master Electrical Component List
Exterior Lighting Systems Description and Operation
Control Module References
Navigation Controls (U2V/U2X/U2Y)
RIM and THEFT Fuses and Ignition Switch 2 of 2
G104
Fuse Block Underhood B+ Bus
06 ESUV-HFVG, PRE 02/CAM, and V8 ECM Fuses
Fuse Block Right Rear B+ Bus
POWER SOUNDER, RIM, RT FRT DR MOD, SUSPNTN, AND VICS/RAP FUSES
Navigation System Schematic Icons
Navigation System Schematic Icons
G104
G402 1 of 2