GM Service Manual Online
For 1990-2009 cars only
Makes
🢒
Cadillac
🢒
2006
🢒
SRX
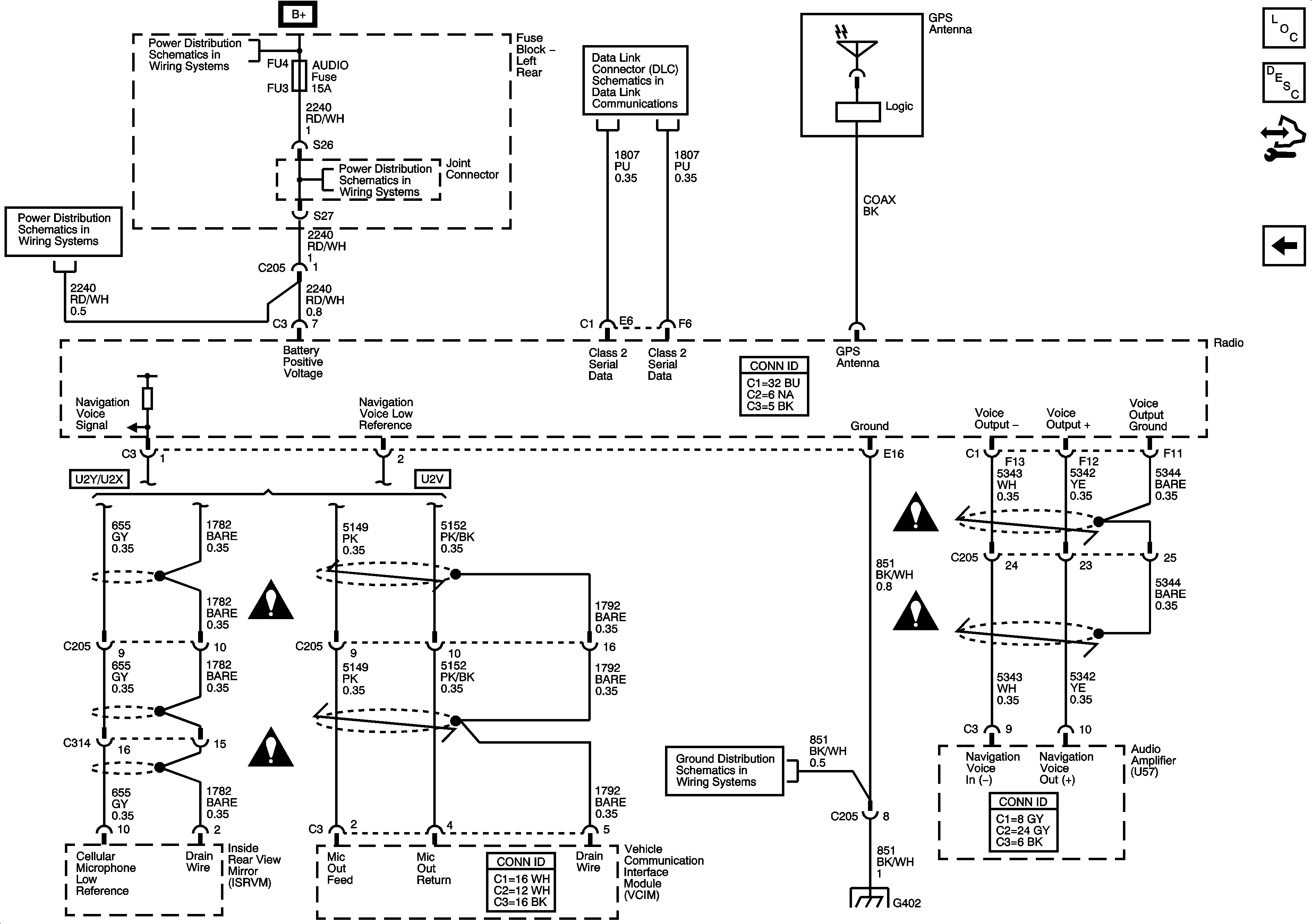
🢒 Navigation Controls (U2V/U2X/U2Y)
Navigation Controls (U2V/U2X/U2Y)
Navigation Controls (U2V/U2X/U2Y)
Master Electrical Component List
Navigation System Description and Operation
Control Module References
Traffic Information Receiver (U2X)
AMP, AUDIO, DRIVER DR MOD, ELC COMP, L FRT HTD SEAT MOD, MEM/ADAPT SEAT, AND REAR DR MOD FUSES
06 ESUV-Fuse Block Left Rear B+ Bus
AMP, AUDIO, DRIVER DR MOD, ELC COMP, L FRT HTD SEAT MOD, MEM/ADAPT SEAT, AND REAR DR MOD FUSES
Class 2 Serial Data 1 of 2
Navigation System Schematic Icons
Navigation System Schematic Icons
Navigation System Schematic Icons
Navigation System Schematic Icons
G402 1 of 2
G402 1 of 2