GM Service Manual Online
For 1990-2009 cars only
Makes
🢒
Cadillac
🢒
2007
🢒
SRX
🢒
Diagnostic Navigation
🢒
Vehicle Diagnostic Information
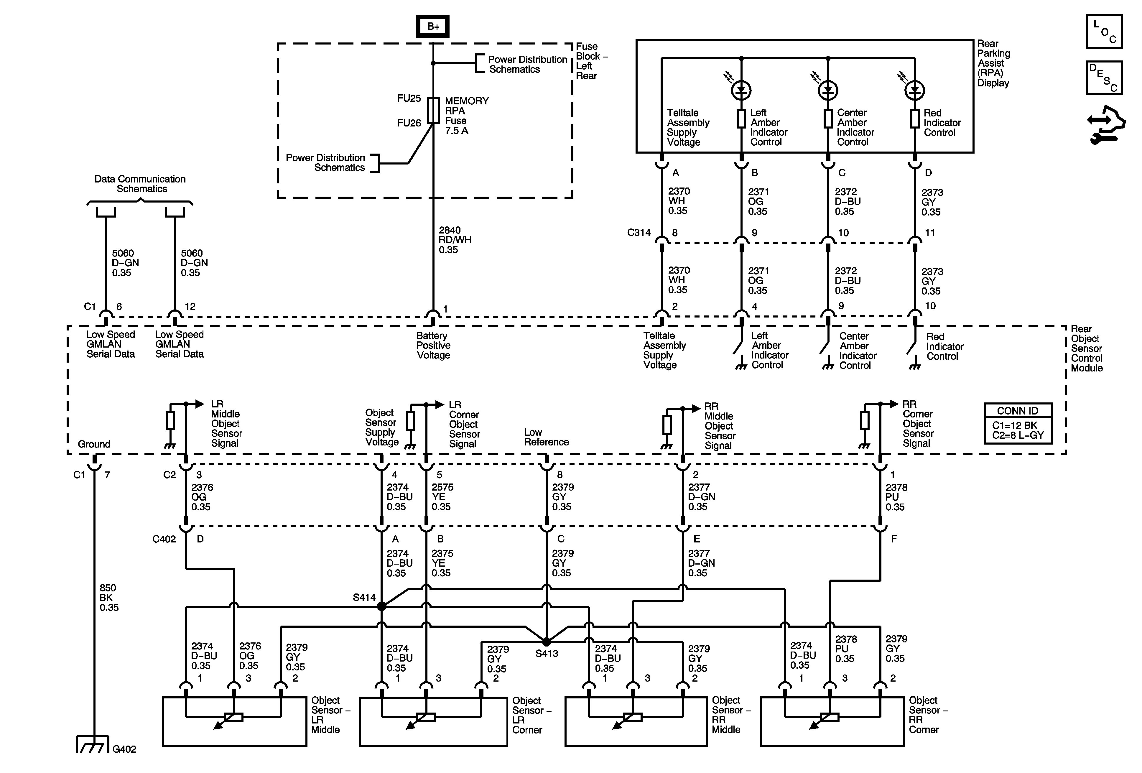
🢒 Object Detection Schematics
Master Electrical Component List
Object Detection Description and Operation (Rear Park Assist)
Control Module References
Left Rear Fuse Block B+ Bus
APO Fuse, DRIVER DR MOD Fuse, MEMORY RPA Fuse, and PWR WNDWS Fuse
Low Speed GMLAN Serial Data 1 of 2
G402 (1 of 2)