GM Service Manual Online
For 1990-2009 cars only
Makes
🢒
Cadillac
🢒
2007
🢒
SRX
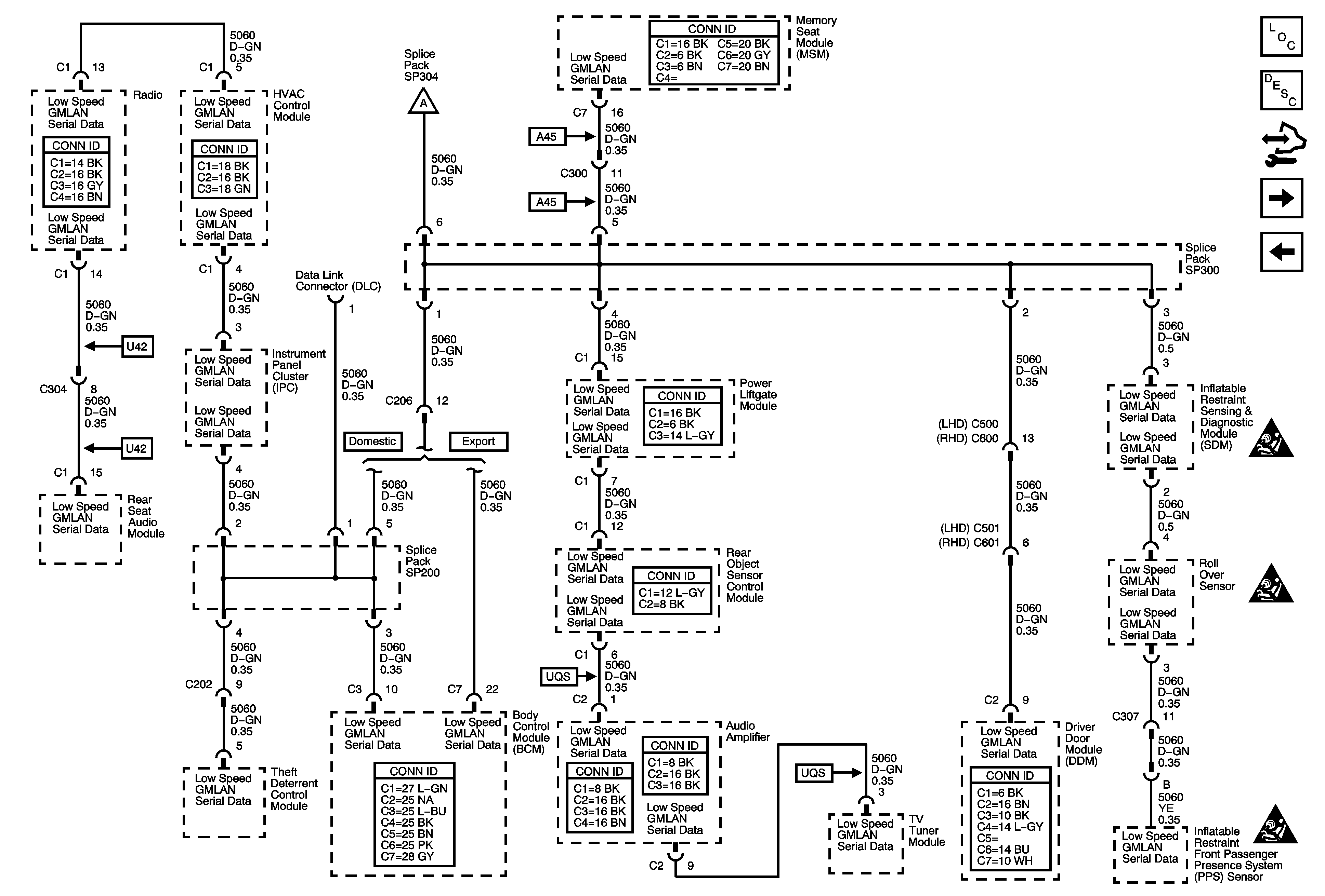
🢒 Low Speed GMLAN Serial Data 1 of 2
Low Speed GMLAN Serial Data 1 of 2
Low Speed GMLAN Serial Data (1 of 2)
Master Electrical Component List
Data Link Communications Description and Operation
Control Module References
Low Speed GMLAN Serial Data 2 of 2
Power, Ground, and Key Word 2000 Serial Data
Low Speed GMLAN Serial Data 2 of 2
Data Communication Schematic Icons
Data Communication Schematic Icons
Data Communication Schematic Icons