GM Service Manual Online
For 1990-2009 cars only
Makes
🢒
Cadillac
🢒
2007
🢒
SRX
🢒 Low Speed GMLAN Serial Data 2 of 2
Low Speed GMLAN Serial Data 2 of 2
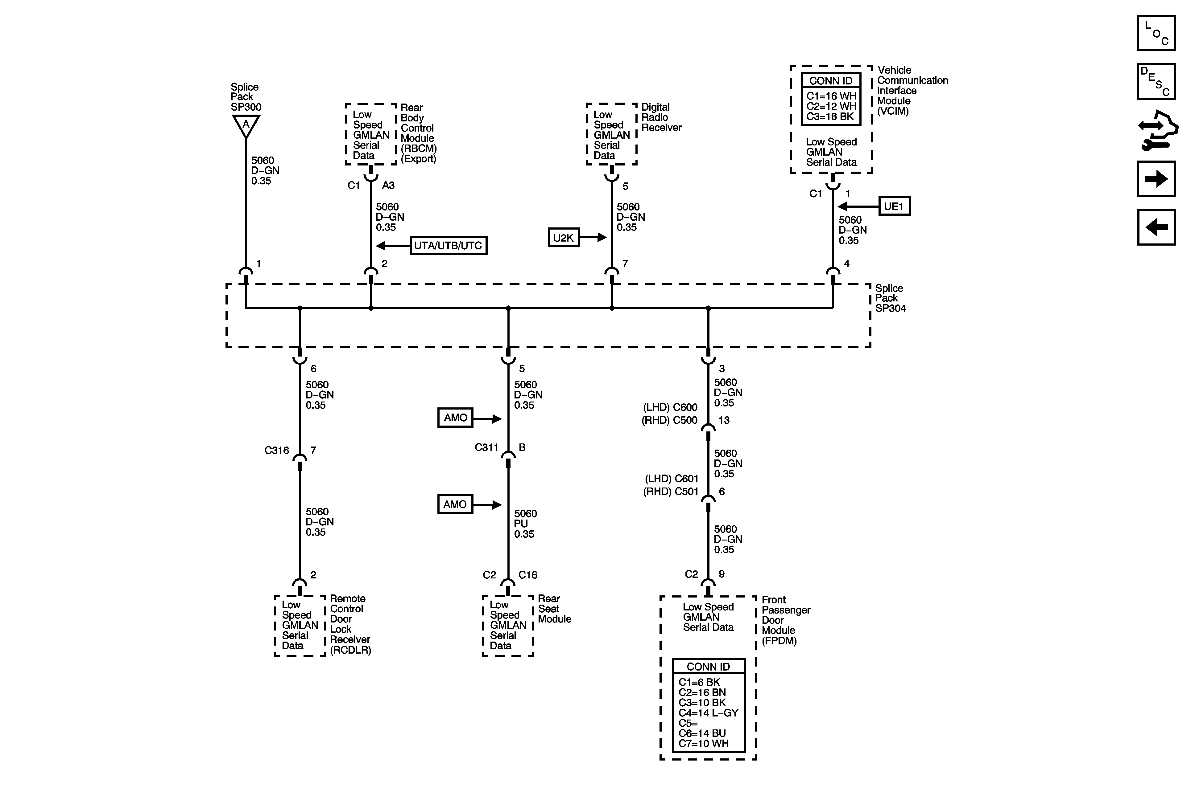
Low Speed GMLAN Serial Data (2 of 2)
Master Electrical Component List
Data Link Communications Description and Operation
Control Module References
High Speed GMLAN
Low Speed GMLAN Serial Data 1 of 2
Low Speed GMLAN Serial Data 1 of 2