GM Service Manual Online
For 1990-2009 cars only
Makes
🢒
Cadillac
🢒
2007
🢒
SRX
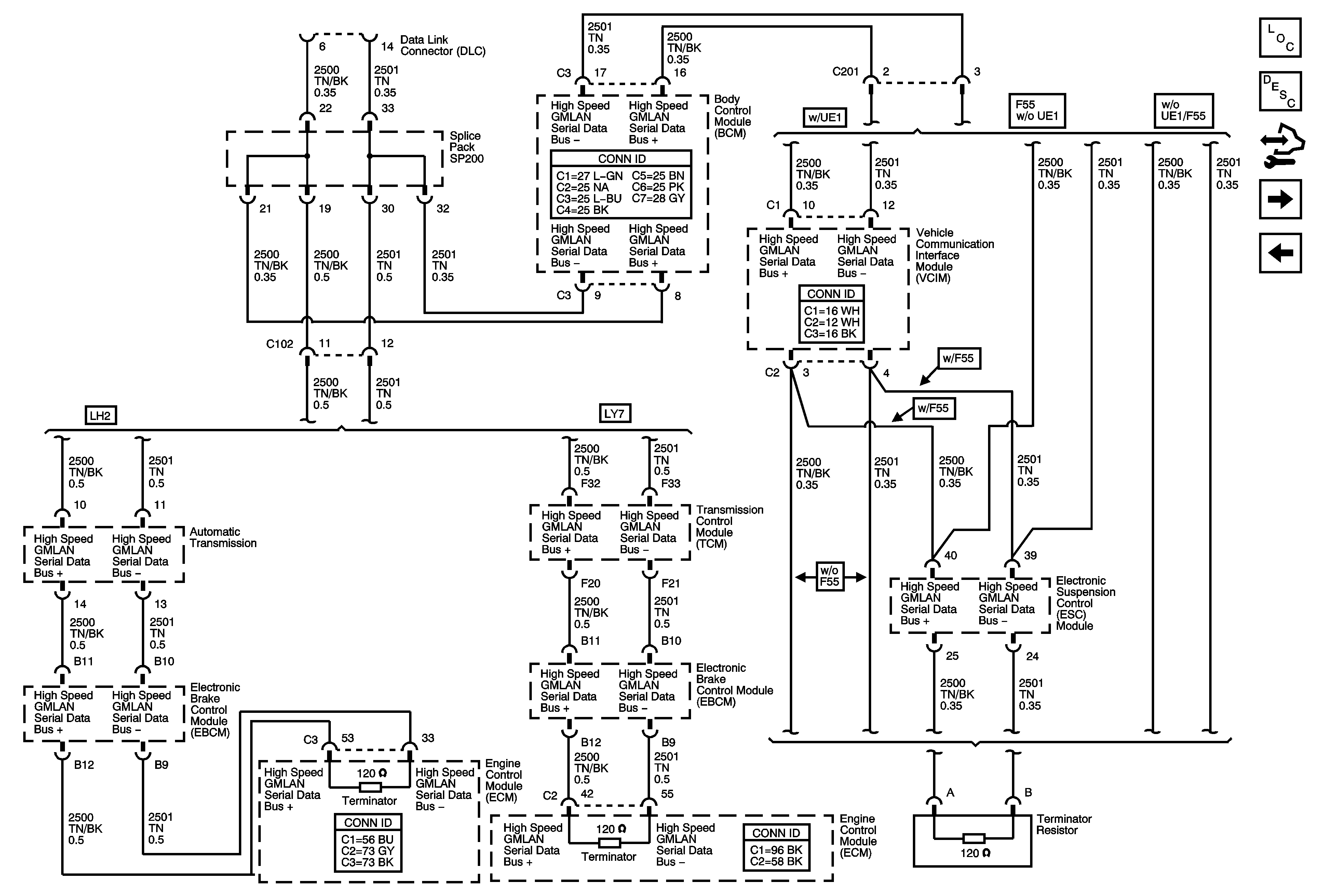
🢒 High Speed GMLAN
High Speed GMLAN
High Speed GMLAN
Master Electrical Component List
Data Link Communications Description and Operation
Control Module References
Local Interconnect Network (LIN)
Low Speed GMLAN Serial Data 2 of 2