GM Service Manual Online
For 1990-2009 cars only
Makes
🢒
Cadillac
🢒
2007
🢒
SRX
🢒
Driver Information and Entertainment
🢒
Displays and Gages
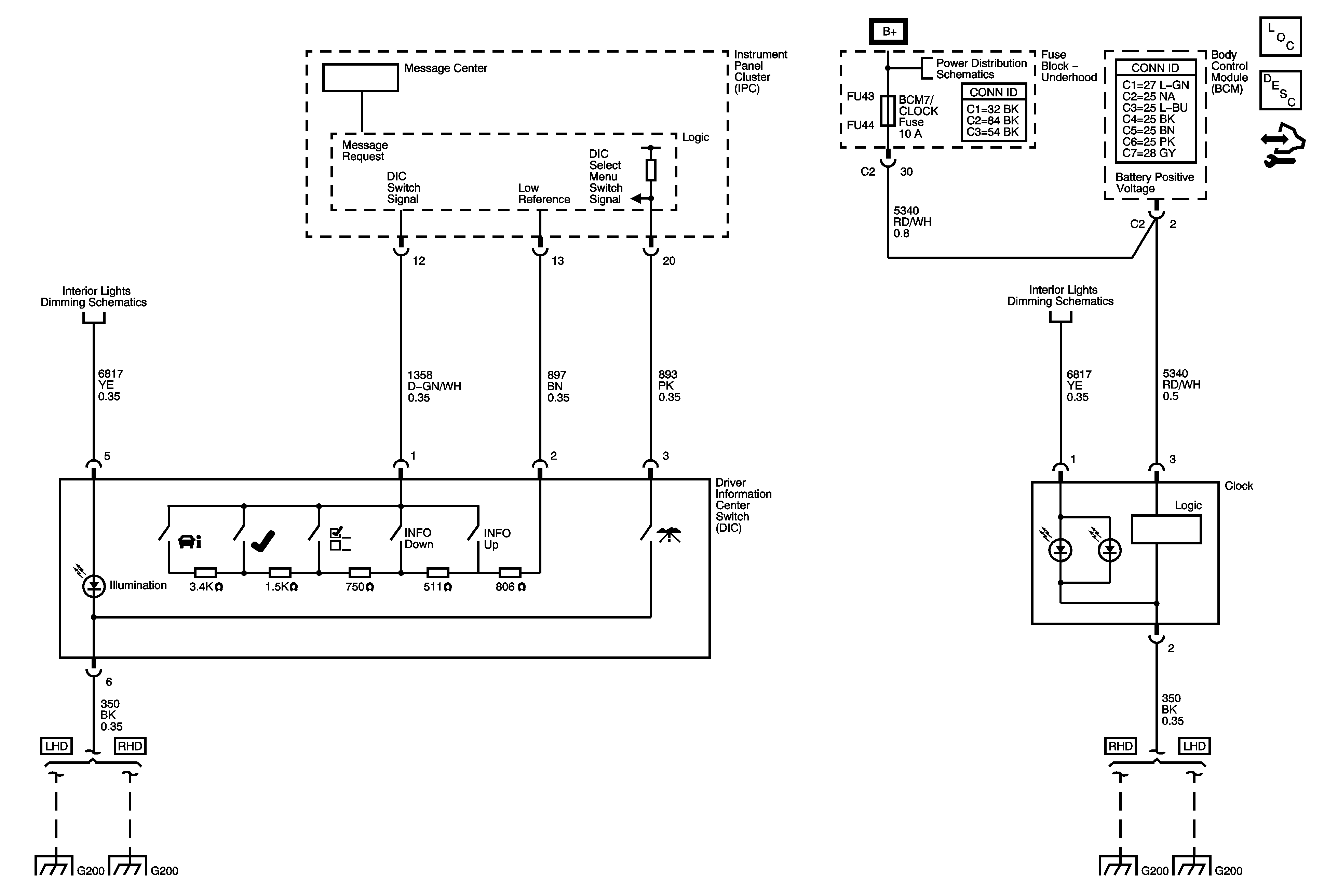
🢒 Driver Information System Schematics
Master Electrical Component List
Driver Information Center (DIC) Description and Operation
Control Module References
Underhood Fuse Block B+ Bus - 2 of 2
Interior Lamps Dimming Controls
Interior Lamps Dimming Controls
G200 (1 of 2) LHD
G200 2 OF 2 (RHD)
G200 2 OF 2 (RHD)
G200 (1 of 2) LHD