GM Service Manual Online
For 1990-2009 cars only
Makes
🢒
Cadillac
🢒
2007
🢒
SRX
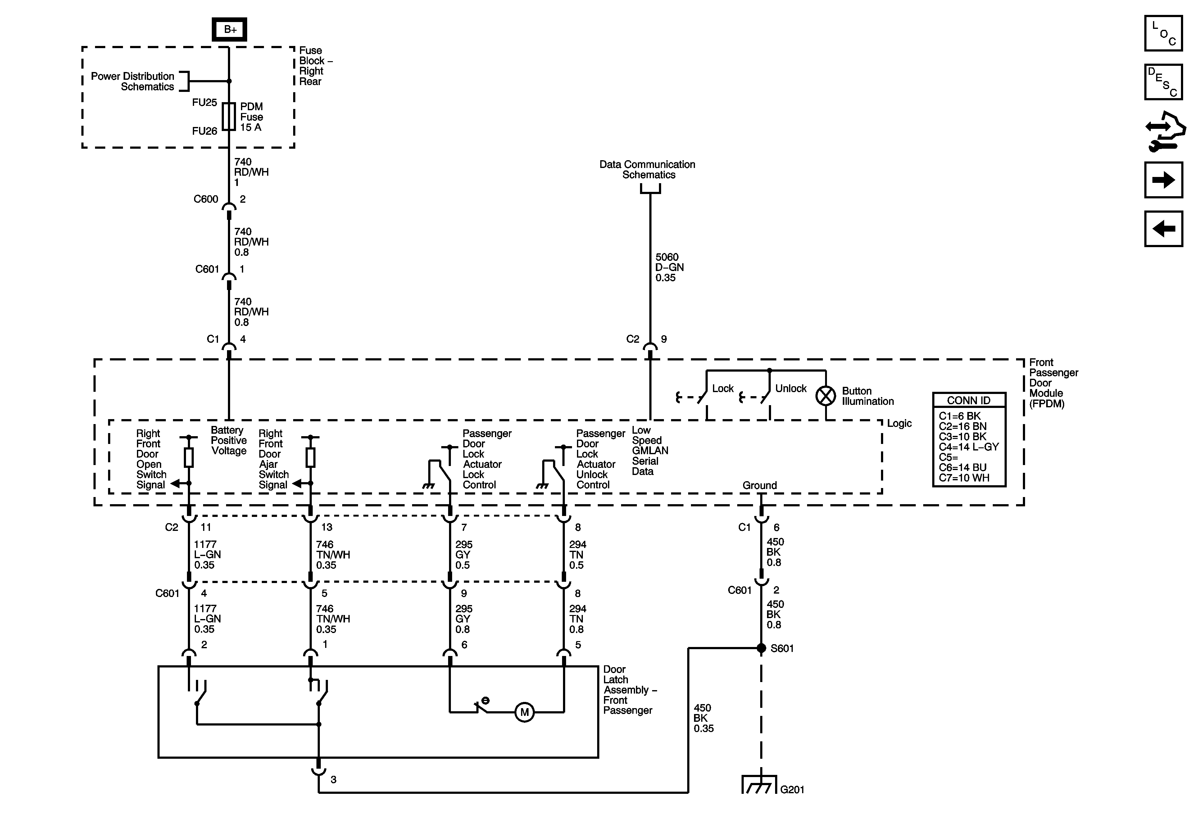
🢒 Front Passenger Door Lock (LHD)
Front Passenger Door Lock (LHD)
Front Passenger Door Lock (LHD)
Master Electrical Component List
Power Door Locks Description and Operation
Control Module References
Front Passenger Door Lock (RHD)
Driver Door Lock (RHD)
Right Rear Fuse Block B+ Bus
Low Speed GMLAN Serial Data 2 of 2
G201 (LHD)