GM Service Manual Online
For 1990-2009 cars only
Makes
🢒
Cadillac
🢒
2007
🢒
SRX
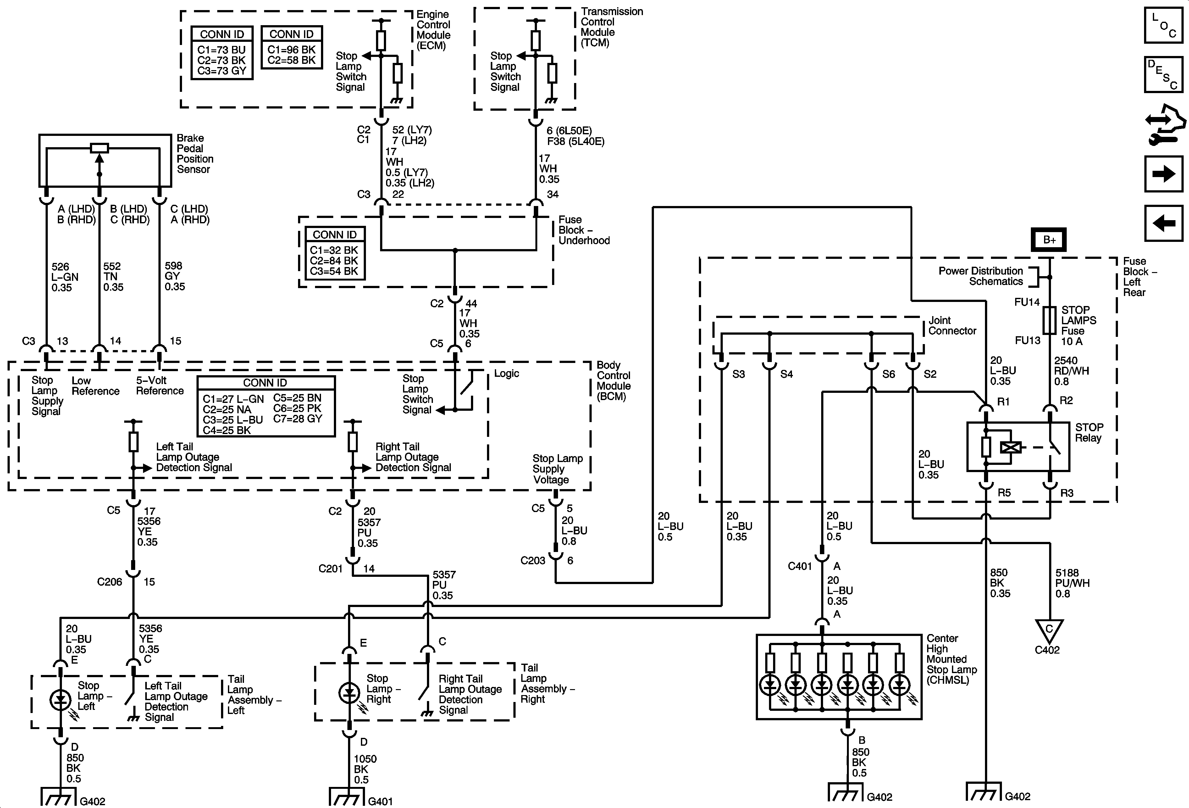
🢒 Stop Lamps - Export
Stop Lamps - Export
Stop Lamps - Export
Master Electrical Component List
Exterior Lighting Systems Description and Operation
Control Module References
Backup Lamps
Stop Lamps - Domestic
Left Rear Fuse Block B+ Bus
Trailer Provisions - Export
G402 (1 of 2)
G401 (1 of 3)
G402 (2 of 2)
G402 (1 of 2)