GM Service Manual Online
For 1990-2009 cars only
Makes
🢒
Cadillac
🢒
2007
🢒
SRX
🢒 Stop Lamps - Domestic
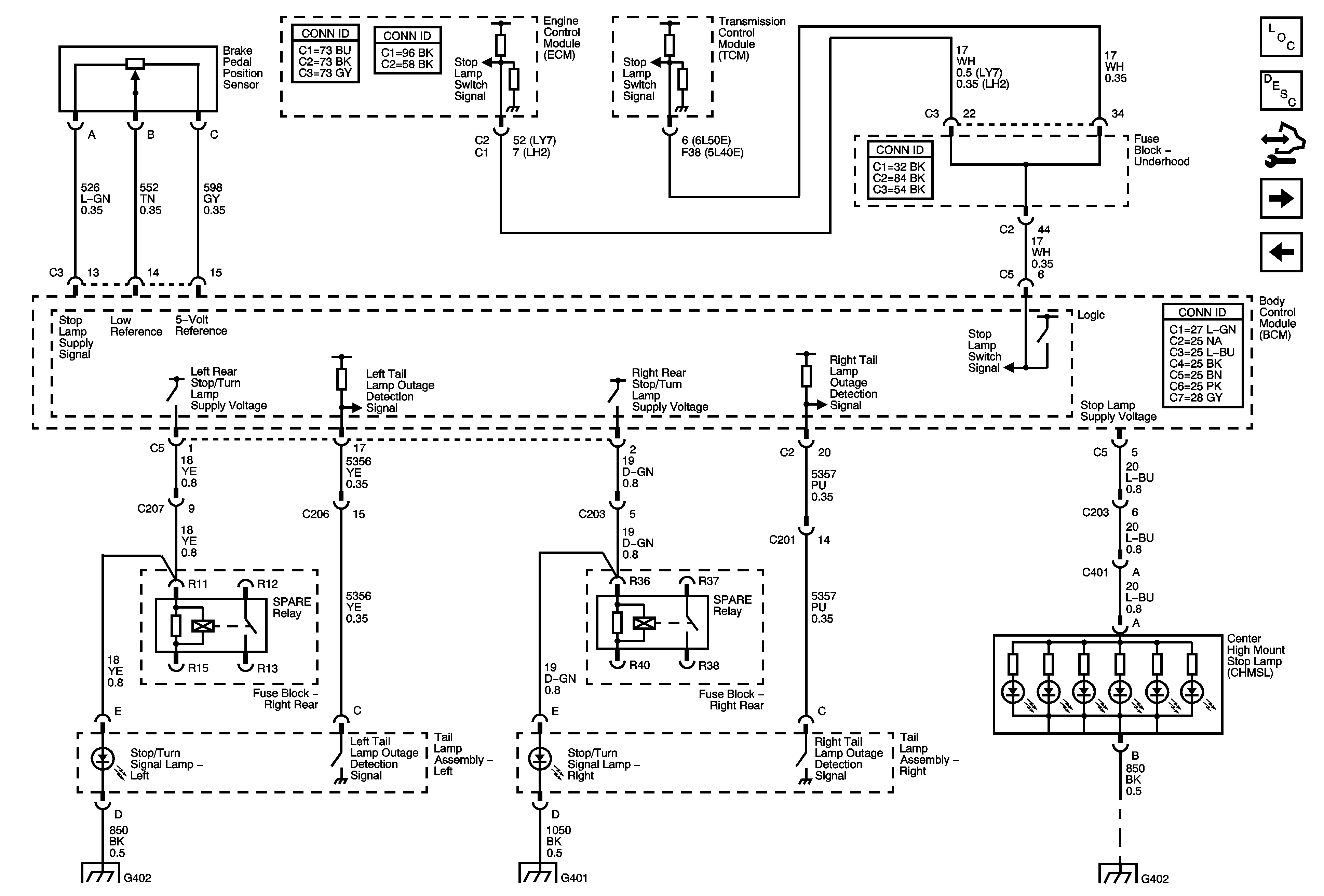
Stop Lamps - Domestic
Stop Lamps - Domestic
Master Electrical Component List
Exterior Lighting Systems Description and Operation
Control Module References
Stop Lamps - Export
Hazard and Turn Lamps - Export
G402 (1 of 2)
G401 (1 of 3)
G402 (2 of 2)