GM Service Manual Online
For 1990-2009 cars only
Makes
🢒
Cadillac
🢒
2007
🢒
SRX
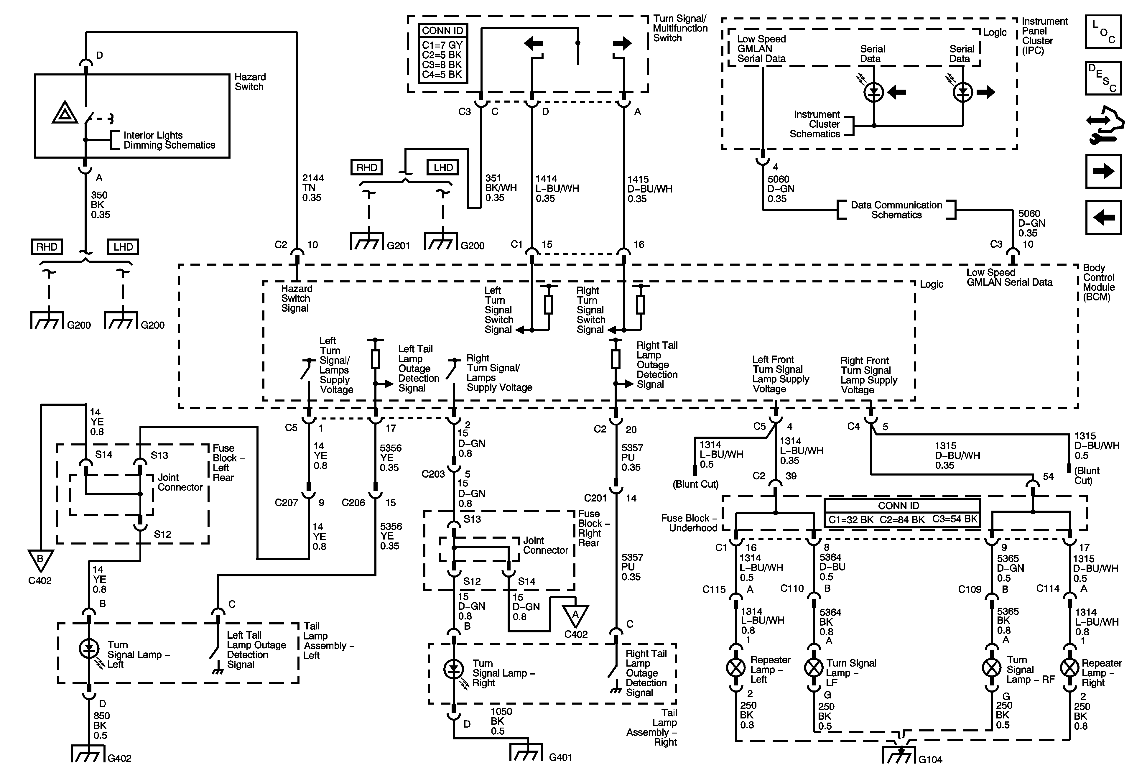
🢒 Hazard and Turn Lamps - Export
Hazard and Turn Lamps - Export
Hazard and Turn Lamps - Export
Master Electrical Component List
Exterior Lighting Systems Description and Operation
Control Module References
Stop Lamps - Domestic
Hazard and Turn Lamps - Domestic
Low Speed GMLAN Serial Data 1 of 2
G201 (RHD)
G200 (1 of 2) LHD
G200 2 OF 2 (RHD)
G200 (1 of 2) LHD
Trailer Provisions - Export
Trailer Provisions - Export
G402 (1 of 2)
G401 (1 of 3)
G104 (1 of 2)