GM Service Manual Online
For 1990-2009 cars only
Makes
🢒
Cadillac
🢒
2007
🢒
SRX
🢒 Hazard and Turn Lamps - Domestic
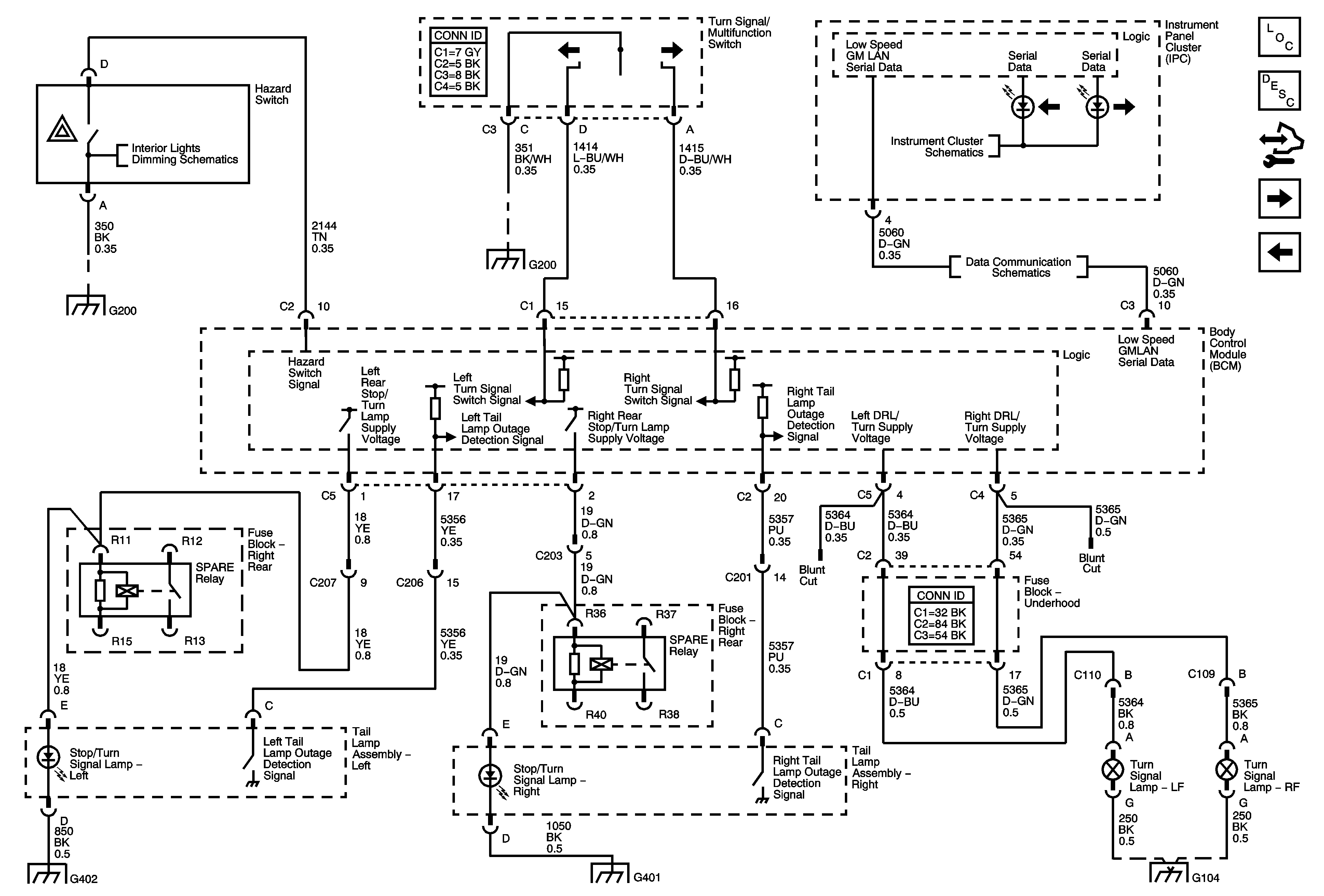
Hazard and Turn Lamps - Domestic
Hazard and Turn Lamps - Domestic
Master Electrical Component List
Exterior Lighting Systems Description and Operation
Control Module References
Hazard and Turn Lamps - Export
Park Lamps - Export 2 of 2
Dimming Lamps (1 of 3)
G200 (1 of 2) LHD
Low Speed GMLAN Serial Data 1 of 2
G200 (1 of 2) LHD
G402 (1 of 2)
G401 (1 of 3)
G104 (2 of 2)