GM Service Manual Online
For 1990-2009 cars only
Makes
🢒
Cadillac
🢒
2007
🢒
SRX
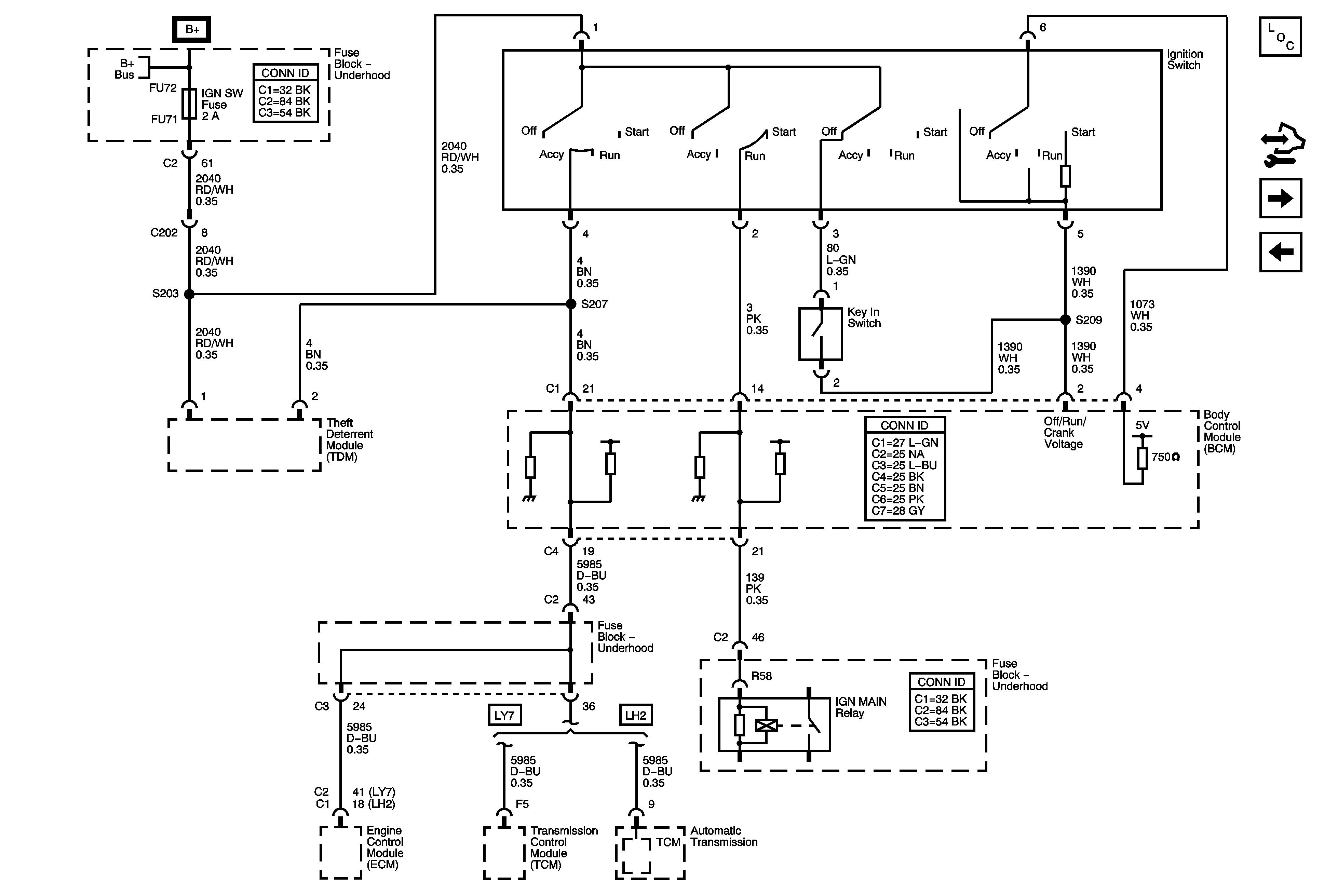
🢒 IGN SW Fuse and Ignition Switch
IGN SW Fuse and Ignition Switch
IGN SW Fuse and Ignition Switch
Master Electrical Component List
Control Module References
BCM 7/CLOCK Fuse, FOG LAMP Fuse, FRNT WSHR Fuse, and IGN SW Fuse
Left Rear Fuse Block B+ Bus
Underhood Fuse Block B+ Bus - 1 of 2